本专栏包含信息论与编码的核心知识,按知识点组织,可作为教学或学习的参考。markdown版本已归档至【Github仓库:https://github.com/timerring/information-theory 】或者公众号【AIShareLab】回复 信息论 获取。
m 序列 (最长线性反馈移位寄存器序列)
线性反馈移位寄存器的特征多项式
线性反馈移位寄存器的递推关系式
递推关系式又称为反馈逻辑函数或递推方程。设图2所示的线性反馈移位 寄存器的初始状态为
(a0a1…an−2an−1) , 经一次移位线性反馈, 移位寄存器 左端第一级的输入为
an=c1an−1+c2an−2+⋯+cn−1a1+cna0=i=1∑ncian−i

若经
k 次移位, 则第一级的输入为
al=i=1∑ncial−i
其中,
l=n+k−1≥n,k=1,2,3,…
由此可见, 移位寄存器第一级的输入, 由反馈逻辑及移位寄存器的原状态所决定。上式称为递推关系式。
线性反馈移位寄存器的特征多项式
用多项式 f(x) 来描述线性反馈移位寄存器的反馈连接状态:
f(x)=c0+c1x+⋯+cnxn=i=0∑ncixi
称为特征多项式或特征方程。其中,
xi 存在, 表明
ci=1 , 否则
ci=0 , x 本身的取值并无实际意义。
ci 的取值决定了移位寄存器的反馈连接。 由于
c0=cn=1 , 因此, f(x) 是一个常数项为 1 的 n 次多项式, n 为移位寄存器级数。
一个 n 级线性反馈移位寄存器能产生 m 序列的充要条件是它的特征 多项式为一个 n 次本原多项式。若一个 n 次多项式 f(x) 满足下列条件:
(1) f(x) 为既约多项式(即不能分解因式的多项式);
(2) f(x) 可整除
(xp+1),pn−1 ;
(3) f(x) 除不尽
(xq+1),q<p 。
则称 f(x) 为本原多项式。以上为我们构成 m 序列提供了理论根据。
m序列产生器
用线性反馈移位寄存器构成 m 序列产生器, 关键是由特征多项式 f(x) 来确定反馈 线的状态, 而且特征多项式 f(x) 必须是本原多项式。
现以 n=4 为例来说明 m 序列产生器的构成。用4级线性反馈移位寄存器产生的 m 序列, 其周期为
p=24−1=15 , 其特征多项式 f(x) 是 4 次本原多项式,能整除
(x15+1) 。先将
(x15+1) 分解因式, 使各因式为既约多项式, 再寻找 f(x) 。
x15+1=(x+1)(x2+x+1)(x4+x+1)⋅(x4+x3+1)(x4+x3+x2+x+1)
其中, 4 次既约多项式有 3 个, 但
(x4+x3+x2+x+1) 能整除
(x5+1) , 故它不是本原多 项式。因此找到两个4次本原多项式
(x4+x+1) 和
(x4+x3+1) 。由其中任何一个都可 产生 m 序列。用
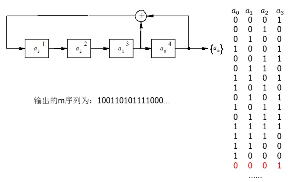
f(x)=(x4+x+1) 构成的
m 序列产生器如图所示。

设4级移位寄存器的初始状态为 1000 ,
c4=c1=c0=1,c3=c2=0 。输出序列
{ak} 的周期长度为 15 。

m序列的性质
均衡特性(平衡性)
m 序列每一周期中 1 的个数比 0 的个数多 1 个。由于
p=2n−1 为奇 数, 因而在每一周期中 1 的个数为
(p+1)/2=2n−1 (偶数), 而 0 的 个数为
(p−1)/2=2n−1−1 (奇数)。上例中 p=15,1 的个数为 8,0 的个 数为 7。当p足够大时, 在一个周期中 1 与 0 出现的次数基本相等。
游程特性(游程分布的随机性)
我们把一个序列中取值(1 或 0)相同连在一起的元素合称为一个游程。在一个游程中元素的个数称为游程长度。例如图中给出的
m 序列
在其一个周期的 15 个元素中, 共有 8 个游程
长度为 4 的游程 1 个, 即 1111 ;
长度为 3 的游程 1 个, 即 000 ;
长度为 2 的游程 2 个, 即 11 与 00 ;
长度为 1 的游程 4 个, 即 2 个 1 与 2 个 0 。
m 序列的一个周期
(p=2n−1) 中, 游程总数为
2n−1 。
长度为 1 的游程个数占游程总数的 1 / 2 ; 长度为 2 的游程个数占游 程总数的
1/22=1/4 ; 长度为 3 的游程个数占游程总数的
1/23=1/8 等等。
一般地, 长度为k的游程个数占游程总数的
1/2k=2−k , 其 中
1≤k≤(n−2) 。而且, 在长度为k的游程中, 连1游程与连0游程各占一半, 长为 (n-1) 的游程是连0游程, 长为n的游程是连1游程。
移位相加特性(线性叠加性)
m 序列和它的位移序列模二相加后所得序列仍是该
m 序列的某个 位移序列。设
mr 是周期为 p 的 m 序列
mp 的 r 次延迟移位后的序列, 那么
mp⊕mr=ms
其中,
ms 为
mp 某次延迟移位后的序列。例如,
mp=000111101011001,…
mp 延迟两位后得
mr , 再模二相加
mr=010001111010ms=mp⊕mr=010110,…
可见,
ms=mp⊕mr 为
mp 延迟 8 位后的序列。
自相关特性
m 序列具有非常重要的自相关特性。在
m 序列中, 常常用 +1 代表 0 , 用-1代表 1。此时定义:设长为 p 的
m 序列, 记作
a1,a2,a3,…,ap(p=2n−1)
经过
j 次移位后,
m 序列为
aj+1,aj+2,aj+3,…,aj+p
其中,
ai+p=ai (以 p 为周期), 以上两序列的对应项相乘然后相加, 利用所得的总和
a1⋅aj+1+a2⋅aj+2+a3⋅aj+3+⋯+ap⋅aj+p=i=1∑paiaj+i
来衡量一个 m 序列与它的 j 次移位序列之间的相关程度, 并把它叫 做
m 序列
(a1,a2,a3,…,ap) 的自相关函数。记作
R(j)=i=1∑paiaj+i
当采用二进制数字 0 和 1 代表码元的可能取值时, 上式可表示为
R(j)=A+DA−D=pA−D
式中, A、D分别是
m 序列与其 j 次移位的序列在一个周期中对应元素相同、不相同的数目, 还可以改写为
R(j)=p[ai⊕ai+j=0] 的数目 −[ai⊕ai+j=1] 的数目
由移位相加特性可知,
ai⊕ai+j 仍是 m 序列中的元素, 所以式分子就等于 m 序列中一个周期中 0 的数目与 1 的数目之差。另外由
m 序列的均衡性可知, 在一个周期中 0 比 1 的个数少一个, 故得
A−D=−1 ( j 为非零整数时) 或 p(j为零时) 。因此得
R(j)={1p−1j=0j=±1,±2,…,±(p−1).

m序列的自相关函数只有两种取值 (1 和 -1 / p) 。 R(j) 是一个周期函数, 即
R(j)=R(j+kp)
式中,
k=1,2,…,p=(2n−1) 为周期。而且
R(j) 是偶函数, 即
R(j)=R(−j)j= 整数
伪噪声特性
如果我们对一个正态分布白噪声取样,若取样值为正,记为+1,
若取样值为负,记为-1,将每次取样所得极性排成序列,可以写成 …+1,-1,+1,+1,+1,-1,-1,+1,-1,…
这是一个随机序列,它具有如下基本性质:(1)序列中+1和-1出现的概率相等;
序列中长度为 1 的游程约占 1 / 2 , 长度为 2 的游程约占 1 / 4 , 长度为 3 的游程约占 1 / 8,
… 一般地, 长度为
k 的游程约占
1/2k , 而且 +1 、-1 游程的数目各占一半;
由于白噪声的功率谱为常数, 因此其自相关函数为一冲击函数
δ(τ) 。 把
m 序列与上述随机序列比较, 当周期长度
p 足够大时,
m 序列与随机序列的性质是十分相似的。可见,
m 序列是一种伪喿声特性较好的伪随机序列, 且易产生, 因此应用十分广泛。
参考文献:
- Proakis, John G., et al. Communication systems engineering. Vol. 2. New Jersey: Prentice Hall, 1994.
- Proakis, John G., et al. SOLUTIONS MANUAL Communication Systems Engineering. Vol. 2. New Jersey: Prentice Hall, 1994.
- 周炯槃. 通信原理(第3版)[M]. 北京:北京邮电大学出版社, 2008.
- 樊昌信, 曹丽娜. 通信原理(第7版) [M]. 北京:国防工业出版社, 2012.
评论(0)