广泛使用的PID算法
主题名称:广泛使用的PID算法
- 学情分析
完成全部输入输出的讲解后,进入到闭环控制PID算法的学习,举出日常生活示例,并结合课程进行讲解,联系日常生活实际。
- 教学目标
(1)了解位置型PID控制算法、增量型PID控制算法;
(2)理解数字PID参数的整定方法;
(3)掌握数字PID算法的改进形式。

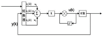
图1 PID闭环调速系统
- 课程资源
教材、动画课件、网络资源、电路仿真软件Proteus 8 Professional和C语言Keil uVision4;
案例链接:一个简单的多机器人编队算法实现--PID。
动画课件:计算机控制技术课程动画课件资料等_zhangrelay的专栏-CSDN博客。
- 教学内容与过程
1.课程教学内容 (1)数字PID算法;(2)数字PID算法的改进;(3)数字PID参数的整定。
2.课程重点、难点 积分饱和问题及积分算法的改进、微分算法的改进、带不灵敏区的PID控制和消除积分不灵敏区的PID控制算法。
理解并实现电机转速的PID闭环控制。

previous_error = 0
integral = 0
loop:
error = setpoint - measured_value
integral = integral + error * dt
derivative = (error - previous_error) / dt
output = Kp * error + Ki * integral + Kd * derivative
previous_error = error
wait(dt)
goto loop
- 教学评价
PID讲解和授课方式存在不足,需进一步改进完善。
- 预习任务与课后作业
提前了解PID技术概要,完成课后习题。
文章来源: zhangrelay.blog.csdn.net,作者:zhangrelay,版权归原作者所有,如需转载,请联系作者。
原文链接:zhangrelay.blog.csdn.net/article/details/122611166
- 点赞
- 收藏
- 关注作者
评论(0)