GT Transceiver的总体架构梳理
前言
对于7系列的FPGA,共有3个系列,每个系列都有各自的高速收发器,称为吉比特收发器,即Gigabit Transceiver,简称为GT。
每个系列的GT叫法略有不同,分别为:
- A7 的GTP
- V7的GTH
- K7的GTX
- 少量V7的GTZ
它们之间的区别在于最高线速率不同,GTZ>GTH>GTX>GTP.
结构大致相同。
正文
下面就K7而言, 梳理一下GTX Transceiver的结构。
以XC7K325T为例,其包含总的Transceiver数量以及分布如下:

可见,一个K7325T FPGA的Transceiver总体架构是由
- 4个GTX QUAD,
- 每个GTX QUAD包含4个GTX Channel,故该FPGA包含16个GTX Channel,
- 也就说我们常说的,有16个GTX Transceiver。
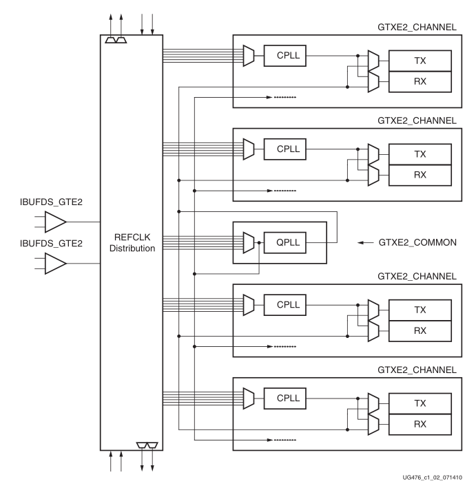
我们看它的GTX QUAD的组成,如下图:

可见, 它是由:
- 4个GTXE2_CHANNEL原语
- 1个GTXE2_COMMON原语
构成。
其中GTXE2_COMMON原语包含一个QPLL,之所以叫做QPLL,其中的Q含义就是QUAD,即一个GTX QUAD公用的PLL。
每一个GTXE2_CHANNEL原语由:
- 1个Channel PLL,即CPLL
- 1个Transmitter
- 1个Receiver
组成。
之所叫叫CPLL,即Channel PLL,含义是每一个Channel单独拥有的PLL。
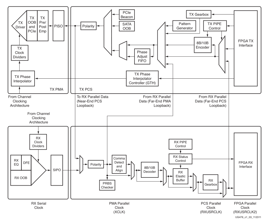
如下图为GTXE2_CHANNEL原语的拓扑结构:

注意:图中仅画出了Transmitter以及Receiver的结构,并未给出CPLL。
图中上半部分为Transmitter的结构,可见其由:
- PCS
- PMA
组成。
同理,Receiver也是由:
- PCS
- PMA
构成。
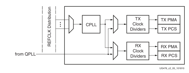
PCS以及PMA使用的使用来源于CPLL或者QPLL,经过分频提供给PCS以及PMA,如下图:

Transmitter的数据流大致为:
FPGA用户逻辑的数据,进入FPGA TX接口,进入PCS,再经过PMA,转换为高速串行数据输出。

Receiver的数据流大致为:
数据由PMA部分结构,转换为并行数据进入PCS,再经过RX接口输出给FPGA用户逻辑处理。
如下图示:

好了,本文系大致梳理总体结构,细节不易过多,更多内容见下集剖解。
参考文献
https://www.xilinx.com/support/documentation/user_guides/ug476_7Series_Transceivers.pdf
https://www.xilinx.com/support/documentation/user_guides/ug482_7Series_GTP_Transceivers.pdf
文章来源: reborn.blog.csdn.net,作者:李锐博恩,版权归原作者所有,如需转载,请联系作者。
原文链接:reborn.blog.csdn.net/article/details/120662183
- 点赞
- 收藏
- 关注作者
评论(0)