TCL中关于Pins的一些使用方法?
前言
Ports,Pins,Cells,nets以及clock都是FPGA中模块的关键组成部分,地位差不多,tcl中对它们的操作也大同小异。
给出前几篇文章列表,便于查询:
正文
为了不来回翻阅,这里还是得贴出一张图:

何为pins?一目了然!
从这张图中也可以看出,pins是分模块的,不想ports永远都是顶层模块的。
既然如此,获得的pins也一定是指出属于哪个模块的pins等。
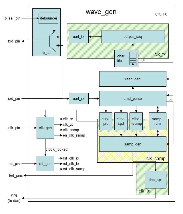
以Xilinx的wavegen示例工程为例,我们如何获取内部各个模块的pins?
模块规划如下(这个图确实漂亮,我们自己设计模块的时候,如果要写文档,可以借鉴下,并没有太多花里胡哨的颜色,却又相对直观):

- 获取模块中的所有pins :get_pins
当然,这各并不实用,因为FPGA中模块太多了(一般来说),那么pins也很多,不易观看。
这里列出部分结果:
get_pins
...
IBUF_rst_i0/O
IBUF_rst_i0/I
IBUF_rxd_i0/O
IBUF_rxd_i0/I
OBUF_dac_clr_n/O
OBUF_dac_clr_n/I
OBUF_dac_cs_n/O
...
clk_gen_i0/Q[10]
clk_gen_i0/Q[11]
clk_gen_i0/Q[12]
clk_gen_i0/Q[13]
clk_gen_i0/Q[14]
clk_gen_i0/Q[15]
...
- 1
- 2
- 3
- 4
- 5
- 6
- 7
- 8
- 9
- 10
- 11
- 12
- 13
- 14
- 15
- 16
- 17
- 18
- 19
- 20
- 获取包含特定字符的PIN:
get_pins -hier -filter {NAME =~ *uart_tx*}
# 此处省略大多数pin,太多不利于观看
uart_tx_i0/clk_tx
uart_tx_i0/dout[0]
uart_tx_i0/dout[1]
uart_tx_i0/dout[2]
# ......
- 1
- 2
- 3
- 4
- 5
- 6
- 7
- 8
- 9
- 10
- 获取时钟pin:
get_pins -hier -filter {IS_CLOCK == 1}
# 此处省略很多pin
char_fifo_i0/U0/inst_fifo_gen/gconvfifo.rf/grf.rf/gntv_or_sync_fifo.gcx.clkx/rd_pntr_cdc_inst/dest_graysync_ff_reg[0][0]/C char_fifo_i0/U0/inst_fifo_gen/gconvfifo.rf/grf.rf/gntv_or_sync_fifo.gcx.clkx/rd_pntr_cdc_inst/dest_graysync_ff_reg[0][1]/C
- 1
- 2
- 3
- 4
- 5
- 6
可见,寄存器的C端即时钟端。
- 获取输入pins:
get_pins -filter {DIRECTION == IN}
IBUF_rst_i0/I IBUF_rxd_i0/I OBUF_dac_clr_n/I OBUF_dac_cs_n/I OBUF_led_i0/I OBUF_led_i1/I
- 1
- 2
- 3
- 4
- 5
- 6
- 获取输出pins:
get_pins -filter {DIRECTION == OUT}
IBUF_rst_i0/O IBUF_rxd_i0/O OBUF_dac_clr_n/O OBUF_dac_cs_n/O OBUF_led_i0/O OBUF_led_i1/O OBUF_led_i2/O
- 1
- 2
- 获取pin的属性
上面我们获得了时钟的pins,我们看看这个时钟PIN的属性:
上面获取的时钟:
get_pins char_fifo_i0/U0/inst_fifo_gen/gconvfifo.rf/grf.rf/gntv_or_sync_fifo.gcx.clkx/rd_pntr_cdc_inst/dest_graysync_ff_reg[0][0]/C
- 1
- 2
set inst [get_pins char_fifo_i0/U0/inst_fifo_gen/gconvfifo.rf/grf.rf/gntv_or_sync_fifo.gcx.clkx/rd_pntr_cdc_inst/dest_graysync_ff_reg[0][0]/C ]
- 1
char_fifo_i0/U0/inst_fifo_gen/gconvfifo.rf/grf.rf/gntv_or_sync_fifo.gcx.clkx/rd_pntr_cdc_inst/dest_graysync_ff_reg[0][0]/C
report_property $inst
- 1
Property Type Read-only Value
CLASS string true pin
DIRECTION enum true IN
HD.ASSIGNED_PPLOCS string* true
HOLD_SLACK double true needs timing update***
IS_CLEAR bool true 0
IS_CLOCK bool true 1
IS_CONNECTED bool true 1
IS_ENABLE bool true 0
IS_INVERTED bool false 0
IS_LEAF bool true 1
IS_ORIG_PIN bool true 1
IS_PRESET bool true 0
IS_RESET bool true 0
IS_REUSED bool true 0
IS_SET bool true 0
IS_SETRESET bool true 0
IS_TIED bool true 0
IS_WRITE_ENABLE bool true 0
LOGIC_VALUE string true needs timing update***
NAME string true char_fifo_i0/U0/inst_fifo_gen/gconvfifo.rf/grf.rf/gntv_or_sync_fifo.gcx.clkx/rd_pntr_cdc_inst/dest_graysync_ff_reg[0][0]/C
PARENT_CELL cell true char_fifo_i0/U0/inst_fifo_gen/gconvfifo.rf/grf.rf/gntv_or_sync_fifo.gcx.clkx/rd_pntr_cdc_inst/dest_graysync_ff_reg[0][0]
REF_NAME string true FDRE
REF_PIN_NAME string true C
SETUP_SLACK double true needs timing update***
- 1
- 2
- 3
- 4
- 5
- 6
- 7
- 8
- 9
- 10
- 11
- 12
- 13
- 14
- 15
- 16
- 17
- 18
- 19
- 20
- 21
- 22
- 23
- 24
- 25
注意,这里的操作完全是仿照获取ports属性的操作。
结尾
总结起来无非就是get_pins加上一些条件,筛选自己需要的一些pins。
也许,这些看起来没有什么用,但其实用途也不在要实实在在,非要用这些东西,我想更大的用于在于了解这一类元素(Ports,Pins,Cells,nets以及clock)的规律,能够加深对模块的理解,它总会有作用的。
例如在看时序报告时,内部器件以及走线延迟,都是这种形式,一眼就知道,有一种熟悉感,有利于我们理解这些之外的内容,例如整体的认识,时序的计算,不至于看了报告,还没来得及分析,就被这一大串的pins,nets给整懵了。
文章来源: reborn.blog.csdn.net,作者:李锐博恩,版权归原作者所有,如需转载,请联系作者。
原文链接:reborn.blog.csdn.net/article/details/120393707
- 点赞
- 收藏
- 关注作者
评论(0)