【 FPGA 】抢占式优先级译码器电路
【摘要】 今天看用选择器实现总线设计的程序中(【 FPGA 】总线实现形式之选择器),选择器控制信号部分用到了抢占式优先级译码器,这里单独把这个抢先式优先级译码器抽出来讲讲看:
高位优先,下面是Verilog HDL代码:
`timescale 1ns / 1ps//// Company: // Engineer: // // Create Date: 11:49:31 11/05...
今天看用选择器实现总线设计的程序中(【 FPGA 】总线实现形式之选择器),选择器控制信号部分用到了抢占式优先级译码器,这里单独把这个抢先式优先级译码器抽出来讲讲看:
高位优先,下面是Verilog HDL代码:
-
`timescale 1ns / 1ps
-
//
-
// Company:
-
// Engineer:
-
//
-
// Create Date: 11:49:31 11/05/2018
-
// Design Name:
-
// Module Name: decoder
-
// Project Name:
-
// Target Devices:
-
// Tool versions:
-
// Description:
-
//
-
// Dependencies:
-
//
-
// Revision:
-
// Revision 0.01 - File Created
-
// Additional Comments:
-
//
-
//
-
module decoder(
-
input in0,
-
input in1,
-
input in2,
-
input in3,
-
output [1:0] out
-
);
-
reg [1:0] out;
-
always@(in0,in1,in2,in3)
-
begin
-
-
case({in0,in1,in2,in3})
-
4'b0001: out = 2'b11;
-
4'b0010 - 4'b0011: out = 2'b10;
-
4'b0100 - 4'b0111: out = 2'b01;
-
default: out = 2'b00;
-
endcase
-
-
end
-
-
endmodule
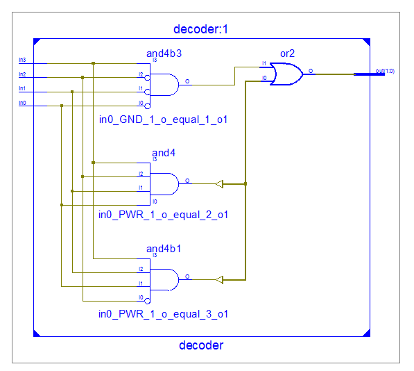
综合出来的电路,首先是RTL原理图:

不奇怪,我也能猜到是这些逻辑门实现的。
下面看看它们在FPGA中是如何实现的,看看Technology Schematic:

和我想的不一样的是,它是用查找表实现的,当然这是合理的,但是我一开始想的是FPGA中有大量的MUX,也就是多路选择器,应该会用MUX实现,但又一想,FPGA中也有大量的LUT呀, 人家综合成LUT再正常不过了。
这个小电路不过多解读,这种译码器是有优先级的,至于为什么,看看代码就知道了。
你希望那个输入优先,放到高位就可以了,(in0,in1,in2,in3等)随你排列。
文章来源: reborn.blog.csdn.net,作者:李锐博恩,版权归原作者所有,如需转载,请联系作者。
原文链接:reborn.blog.csdn.net/article/details/83750618
【版权声明】本文为华为云社区用户转载文章,如果您发现本社区中有涉嫌抄袭的内容,欢迎发送邮件进行举报,并提供相关证据,一经查实,本社区将立刻删除涉嫌侵权内容,举报邮箱:
cloudbbs@huaweicloud.com
- 点赞
- 收藏
- 关注作者
评论(0)