【 FPGA/IC 】常考加法器总结
早在某发科提前批中就考到过加法器,如果没有记错的话,当时的加法器是串行加法器。
今天就谈谈这几种加法器。
1、等波纹进位加法器(Ripple carry adder circuit)
如下图为一个4位的等波纹进位加法器:

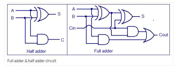
它是由4个1位的全加器构成,每一级的全加器的进位作为下一级的进位。
1位全加器是由组合逻辑构成的,如下图:

可知,全加器的表达式:
Si=Ai⊕Bi⊕Ci-1

或者
![]()
可想而知,随着加法器位数的增加,每一级的延迟会逐渐积累,导致总的延迟过大。
2、进位选择加法器(carry select adder)
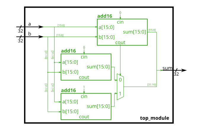
下面给出一种貌似更优化点的加法器,这种加法器虽然浪费了一点资源,但是体现了用面积换速度的思想(逻辑复制),那就是进位选择加法器:
具体说来,假如一个32位的加法器,如果采用等波纹进位加法器,设计思想就是前16级加法器的进位输出作为后16级加法器的进位输入,这样计算出32位相加的结果需要耗费两个16位数据相加的加法器时间;但如果如下设计:

也就是后16位数据的相加复制两份,不同的仅仅是进位不同,由前16位数据相加的进位来选择,所用的时间就会相对于等波纹进位加法器减少了一半。
-
module top_module(
-
input [31:0] a,
-
input [31:0] b,
-
output [31:0] sum
-
);
-
wire [15:0] sum1,sum2,sum3;
-
wire cout1;
-
add16 inst1_add16(
-
.a(a[15:0]),
-
.b(b[15:0]),
-
.cin(1'b0),
-
.sum(sum1),
-
.cout(cout1)
-
);
-
-
add16 inst2_add16(
-
.a(a[31:16]),
-
.b(b[31:16]),
-
.cin(1'b0),
-
.sum(sum2),
-
.cout()
-
);
-
add16 inst3_add16(
-
.a(a[31:16]),
-
.b(b[31:16]),
-
.cin(1'b1),
-
.sum(sum3),
-
.cout()
-
);
-
-
wire [15:0] sum4;
-
assign sum4 = cout1 ? sum3 : sum2;
-
-
assign sum = {sum4, sum1};
-
-
endmodule
16位的加法器请自行描述。
3、串行加法器
这个加法器就有名堂了,它只用一个全加器资源,就可以完成任意个位数的加法。
它需要和时钟同步,有多少位就需要多少个时钟,对速度要求不是太高的设计还是可以考虑的。
在串行加法器中,只有一个全加器,数据逐位串行送入加法器进行运算,如图所示。图中FA是全加器,A、B是两个具有右移功能的寄存器,C为进位触发器。由移位寄存器从低位到高位逐位串行提供操作数相加。如果操作数长n位,加法就要分n次进行,每次产生一位和,并串行地送回A寄存器。进位触发器用来寄存进位信号,以便参与下一次的运算。

下面给出其真值表(假设是8位相加)(这个真值表就是考试内容呀):
| A | B | Cin | S | Cout |
|---|---|---|---|---|
| 1 | 0 | 0 | 1 | 0 |
| 0 | 1 | 0 | 1 | 0 |
| 1 | 1 | 0 | 0 | 1 |
| 0 | 0 | 1 | 1 | 0 |
| 1 | 0 | 0 | 1 | 0 |
| 1 | 1 | 0 | 0 | 1 |
| 0 | 0 | 1 | 1 | 0 |
| 1 | 1 | 0 | 0 | 1 |
4、超前进位加法器(Carry-Lookahead Adder,CLA)
超前进位加法器是相对于等波纹进位加法器而言的,而RCA(等波纹进位加法器)的效率太低,高位的输出必须等到低位算完才行。
解决的办法就是CLA:
那4位加法器为例:
如下是等波纹加法器的展开图:

其中一个全加器的参数来表示后面的进位输出(Cout),即:

由此来表示4个全加器的进位输出为:

最终我们需要得到的是C4,经过换算,C4=G3+P3·G2+P3·P2·G1+P3·P2·P1·G0+P3·P2·P1·P0·C0,而这些参数,全部已知!并不需要前一个全加器运算输出,由此我们得到了提前计算进位输出的方法, 用这样的方法实现了加法器就被称为超前进位加法器(Carry-Lookahead Adder,CLA)。
根据上面的优化算法,我们重新绘制了CLA的布线方式:

显而易见,与等波纹加法器相比,逻辑延迟小多了。
尽管优点很明显,但是实现却很复杂,这是缺点,对于更高位的加法,我们通常用多个小规模的CLA拼接成一个较大的加法器,例如:
用4个8-bit的超前进位加法器连接成32-bit加法器。
文章来源: reborn.blog.csdn.net,作者:李锐博恩,版权归原作者所有,如需转载,请联系作者。
原文链接:reborn.blog.csdn.net/article/details/99634895
- 点赞
- 收藏
- 关注作者
评论(0)