IC/FPGA笔试/面试题分析(十一)基础概念(三态门等)
上篇博文写了一些有关CMOS门电路的基础内容,相信认真看完,一定能画出各种CMOS门电路:CMOS门电路,这些是最常考的基础内容。
下面简单介绍一下其他概念题目:
1、 解释一下Vih,Vil,Vol,Voh,Vt。
这些是有关逻辑电平的一些概念:
输入高电平(Vih):保证逻辑门的输入为高电平时所允许的最小输入高电平,当输入电平高于Vih时,则认为输入电平为高电平。
输入低电平(Vil):保证逻辑门的输入为低电平时所允许的最大输入低电平,当输入电平低于Vil时,则认为输入电平为低电平。
输出高电平(Voh):保证逻辑门的输出为高电平时的输出电平的最小值,逻辑门的输出为高电平时的电平值都必须大于此Voh。
输出低电平(Vol):保证逻辑门的输出为低电平时的输出电平的最大值,逻辑门的输出为低电平时的电平值都必须小于此Vol。
阀值电平(Vt):数字电路芯片都存在一个阈值电平,就是电路刚刚勉强能翻转动作时的电平。它是一个界于Vil、Vih之间的电压值,对于CMOS电路的阈值电平,基本上是二分之一的电源电压值,但要保证稳定的输 出,则必须要求输入高电平> Vih,输入低电平<Vil,而如果输入电平在阈值上下,也就是Vil~Vih这个区域,电路的输出会处于不稳定状态。
对于一般的逻辑电平,以上参数的关系如下:
Voh > Vih > Vt > Vil > Vol
补充几个概念:
Ioh:逻辑门输出为高电平时的负载电流(为拉电流)。
Iol:逻辑门输出为低电平时的负载电流(为灌电流)。
Iih:逻辑门输入为高电平时的电流(为灌电流)。
Iil:逻辑门输入为低电平时的电流(为拉电流)。
参考来源
2、反相器的速度与哪些因素有关?什么是转换时间(transition time)和传播延迟(propagation delay)?
反相器的速度与哪些因素有关。
(1) 电容(负载电容、自载电容、连线电容)较小,漏端扩散区的面积应尽可能小。输入电容要考虑: (1)Cgs 随栅压而变化(2)密勒效应(3)自举效应
(2) 加大晶体管的尺寸(驱动能力),使晶体管的等效导通电阻(输出电阻)较小。但这同时加大自载电容和负载电容(下一级晶体管的输入电容)。
(3) 提高电源电压,提高电源电压可以降低延时,即用功耗换取性能但超过一定程度后改善有限。电压过高会引起可靠性问题(氧化层击穿、热电子等)。
Transition Time(转换时间):上升时间:从10%Vdd上升到90%Vdd的时间,下降时间L从90%Vdd下降到10%dd的时间。上升时间和下降时间统称为Transition Time,也有定义为20%到80%。

Propagation Delay(传播延时):在输入信号变化到50%Vdd到输出信号变化到50%Vdd之间的时间。

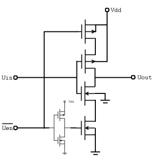
3、画出CMOS三态缓冲器的电路原理图,解释一下高阻态。
高阻态:电路的一种输出状态,既不是高电平也不是低电平,如果高阻态再输入下一级电路的话,对下级电路无任何影响,可以理解为断路,不被任何东西所驱动,也不驱动任何东西。
CMOS三态缓冲器的画法
第一个画法:在反相器的上方串联一个PMOS,在下面串联一个NMOS,如下图画法一:

当
为1时,最上面的PMOS截止,下面的NMOS也截止,所以输出为高阻态;当
= 0时候,上面的PMOS导通,下面的NMOS也导通,这样的话输出就是一个反相器,即
;
上面的反相器也可以用CMOS门电路替换:

第二种画法:(输出Y忘了画出,请自行加上)

在反相器的CMOS门电路上方串联一个PMOS,同时用或非门控制:
当
= 1,上方PMOS截止,下面NMOS也截止,所以输出为高阻态;
当
= 0时,上方PMOS导通,输出为Y = A;
第三种画法:
反相器的CMOS电路下面串联一个NMOS管,并用与非门控制;

分析不在话下。
下面是对上述情况的总结:

4、什么是open-drain output?
门电路输出极在集成单元内不接负载电阻而直接引出作为输出端,这种形式的门叫做开路门。开路的CMOS门叫做OD门;

未完待续
文章来源: reborn.blog.csdn.net,作者:李锐博恩,版权归原作者所有,如需转载,请联系作者。
原文链接:reborn.blog.csdn.net/article/details/100882573
- 点赞
- 收藏
- 关注作者
评论(0)