环形、扭环、LFSR计数器
目录
从这个题目来谈起今天的话题:移位寄存器由8级触发器构成,则构成的扭环计数器有多少个有效状态?环形计数器?线性反馈移位寄存器?
环形计数器
规则:环形计算器的规则是利用一个移位寄存器右移实现,N位的环形计数器能计数的个数为N;
也就是说,有N个有效的状态;
如开头所说的题目,8级移位寄存器构成的环形计数器,能有8个有效状态;

有效的计数状态位:

有4个。
总结:环形也是基于移位寄存器的计数器,对于n个移位寄存器构成的计数器,只有n个有效状态。
扭环计数器
扭环计数器规则:
扭环计数器又成约翰逊计数器,也是有移位寄存器构成,但是它与环形计数器不同的是将最低位取反后移位到最高位,
约翰逊计数器的长度N=2n,因为移位寄存器串行输入端的信号是从反向端 ~Q取得的。经过n个时钟后,计数器的状态与初始状态刚好相反,必须再经过n个时钟后才能回到扭环原态。
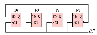
如下图为4位扭环计数器:

对应的真值表为:

可见有8个有效状态;
总结:N位的扭环计数器有2N个有效状态。
线性反馈移位寄存器
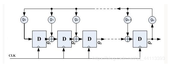
线性反馈移位寄存器(LFSR),它是由n个D触发器和若干个异或门组成的,如下图是一种实现的方式:

可见,对于一个N位的LFSR计数器有2^N - 1个有效状态;
LFSR计数器的实现分为两种形式:
第一种是:异或门内接LFSR
如下图:

另一种就是异或门外接LFSR:
如下图:

具体参考:
线性反馈移位寄存器(Linear Feedback Shift Register, LFSR)
文章来源: reborn.blog.csdn.net,作者:李锐博恩,版权归原作者所有,如需转载,请联系作者。
原文链接:reborn.blog.csdn.net/article/details/102172111
- 点赞
- 收藏
- 关注作者
评论(0)