HDLBits 系列(21)LFSR(线性反馈移位寄存器)
目录
5 bit LFSR
A linear feedback shift register is a shift register usually with a few XOR gates to produce the next state of the shift register. A Galois LFSR is one particular arrangement where bit positions with a "tap" are XORed with the output bit to produce its next value, while bit positions without a tap shift. If the taps positions are carefully chosen, the LFSR can be made to be "maximum-length". A maximum-length LFSR of n bits cycles through 2n-1 states before repeating (the all-zero state is never reached).
The following diagram shows a 5-bit maximal-length Galois LFSR with taps at bit positions 5 and 3. (Tap positions are usually numbered starting from 1). Note that I drew the XOR gate at position 5 for consistency, but one of the XOR gate inputs is 0.

Module Declaration
module top_module( input clk, input reset, // Active-high synchronous reset to 5'h1 output [4:0] q );
线性反馈移位寄存器是通常带有几个XOR门的移位寄存器,用于产生移位寄存器的下一个状态。 Galois LFSR是一种特殊的移位寄存器,其中将带有“抽头”的位位置与输出位进行异或运算以产生其下一个值。 如果仔细选择抽头位置,则可以将LFSR设为“最大长度”。 n位的最大长度LFSR在重复之前循环经过2n-1个状态(永远不会达到全零状态)。
下图显示了一个5位最大长度的Galois LFSR,在位置5和3处有抽头(抽头位置通常从1开始编号)。 请注意,为保持一致性,我在位置5处绘制了XOR门,但XOR门输入之一为0。
说到底,就是一个移位寄存器,只不过某些输入不是上一级触发器的输出,而是有可能和其他级的输出进行了异或作为当前的输入;
给出设计(与0异或等于本身):
-
module top_module(
-
input clk,
-
input reset, // Active-high synchronous reset to 5'h1
-
output reg [4:0] q
-
);
-
always@(posedge clk) begin
-
if(reset) q <= 5'h1;
-
else begin
-
// q[4] <= q[0];
-
// q[3] <= q[4];
-
// q[2] <= q[3]^q[0];
-
//q[1] <= q[2];
-
//q[0] <= q[1];
-
q <= {q[0],q[4],q[3]^q[0],q[2:1]};
-
end
-
-
end
-
-
-
endmodule
-
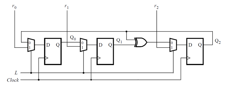
3 bit LFSR

Module Declaration
module top_module ( input [2:0] SW, // R input [1:0] KEY, // L and clk output [2:0] LEDR); // Q
下面对上面的电路进行设计:
首先,可以看出有三个类似的模块可以调用,那就描述出来这个子模块如下:
-
-
module sequential_com(
-
input clk,
-
input in1,
-
input in0,
-
input sel,
-
output q
-
);
-
-
wire in_sel;
-
assign in_sel = sel ? in1 : in0;
-
-
reg q_mid = 0;
-
always@(posedge clk) begin
-
q_mid <= in_sel;
-
end
-
assign q = q_mid;
-
-
endmodule
例化该子模块得到顶层设计:
-
module top_module (
-
input [2:0] SW, // R
-
input [1:0] KEY, // L and clk
-
output [2:0] LEDR); // Q
-
-
sequential_com isnt0(
-
.clk(KEY[0]),
-
.in1(SW[0]),
-
.in0(LEDR[2]),
-
.sel(KEY[1]),
-
.q(LEDR[0])
-
);
-
-
sequential_com isnt1(
-
.clk(KEY[0]),
-
.in1(SW[1]),
-
.in0(LEDR[0]),
-
.sel(KEY[1]),
-
.q(LEDR[1])
-
);
-
-
sequential_com isnt2(
-
.clk(KEY[0]),
-
.in1(SW[2]),
-
.in0(LEDR[1]^LEDR[2]),
-
.sel(KEY[1]),
-
.q(LEDR[2])
-
);
-
-
-
-
-
endmodule
32 bit LFSR
Build a 32-bit Galois LFSR with taps at bit positions 32, 22, 2, and 1.
第一题就写了5 bit的LFSR,这一题只不过多了几位,且告诉你抽头在32, 22, 2, and 1,这几个位置,请设计电路?
如何做这个题目呢?
其实很简单,先写一个位数少的,找下规律,就可以了:
-
module top_module(
-
input clk,
-
input reset, // Active-high synchronous reset to 32'h1
-
output [31:0] q
-
);
-
-
reg [31:0] q1;
-
always@(posedge clk) begin
-
if(reset) q1 <= 32'h1;
-
else begin
-
q1 <= {q1[0],q1[31:23],q1[0]^q1[22],q1[21:3],q1[0]^q1[2],q1[0]^q1[1]};
-
end
-
-
end
-
assign q = q1;
-
-
endmodule
文章来源: reborn.blog.csdn.net,作者:李锐博恩,版权归原作者所有,如需转载,请联系作者。
原文链接:reborn.blog.csdn.net/article/details/103274946
- 点赞
- 收藏
- 关注作者
评论(0)