单片机实验说明<一>数字口基本使用
机器人类单片机课程为突出专业特色,对实验作了大量补充和讲解,除了uno,cozmo和tianbotmini之外,加入了大量相关单片机案例,使课程紧密融合物联网和机器人工程,增加Linux下调试方式,作为windows之外的补充,补充esp8266,esp32等wifi单双核单片机,补充操作系统概念。相关内容在课程中已经测试过,但并未得到有效的批评和建议,现全部公开。

项目名称:实验一 流水灯设计/报警产生器设计
这是典型数字口应用案例。
实验一(上) 流水灯设计
设计要求:
(1)掌握单片机实验箱的使用方法与程序调试技巧;
(2)学会使用51系列单片机I/O的基本输入输出功能。
-
使发光二极管LED4-6-8-10闪烁 间隔1000毫秒。
-
使发光二极管从LED10往LED3循环点亮间隔500毫秒,然后熄灭。
-
依次点亮LED3到LED10发光二极管隔500毫秒。请编写程序并完成调试。
注意:LED3-LED10为重命名。
通过了解 P1 口连接 3-8 译码器进行 LED 选通电路图及数码管位选电路、P0 的控制 74HC245
驱动 LED 的电路和 P3 口连接的独立键盘电路,见图 1-1。

软件代码:
依据具体调试过程,方法不唯一,在重点部分加入注释,使程序更容易阅读和理解。

参考代码1:
-
/*****************************************************************************
-
* 头文件 *
-
*****************************************************************************/
-
#include "hml/hml.h"
-
#define LSA P1_5
-
#define LSB P1_6
-
#define LSC P1_7
-
/*****************************************************************************
-
* 初始化 *
-
*****************************************************************************/
-
void sys_init(void)
-
{
-
LSA = 0;
-
LSB = 0;
-
LSC = 0;
-
}
-
/*****************************************************************************
-
* 主函数 *
-
*****************************************************************************/
-
void main(void)
-
{
-
sys_init();
-
while(true)
-
{
-
/* send per 1000ms */
-
sleep(1000);
-
P0=0x55;
-
/* send per 1000ms */
-
sleep(1000);
-
P0=0xFF;
-
}
-
}

参考代码2:
-
/*****************************************************************************
-
* 头文件 *
-
*****************************************************************************/
-
#include "hml/hml.h"
-
#define LSA P1_5
-
#define LSB P1_6
-
#define LSC P1_7
-
/*****************************************************************************
-
* 初始化 *
-
*****************************************************************************/
-
void sys_init(void)
-
{
-
LSA = 0;
-
LSB = 0;
-
LSC = 0;
-
}
-
/*****************************************************************************
-
* 主函数 *
-
*****************************************************************************/
-
void main(void)
-
{
-
sys_init();
-
unsigned char j=0,sel=0x7F;
-
for(j=0;j<8;j++)
-
{
-
P0=sel;
-
sleep(500);
-
sel=sel>>1|0x80;
-
}
-
sel=0xFF;
-
P0=sel;
-
sleep(10000);
-
}

参考代码3:
-
/*****************************************************************************
-
* 头文件 *
-
*****************************************************************************/
-
#include "hml/hml.h"
-
#define LSA P1_5
-
#define LSB P1_6
-
#define LSC P1_7
-
/*****************************************************************************
-
* 初始化 *
-
*****************************************************************************/
-
void sys_init(void)
-
{
-
LSA = 0;
-
LSB = 0;
-
LSC = 0;
-
}
-
/*****************************************************************************
-
* 主函数 *
-
*****************************************************************************/
-
void main(void)
-
{
-
sys_init();
-
unsigned char j=0,sel=0xFE;
-
for(j=0;j<8;j++)
-
{
-
P0=sel;
-
sleep(500);
-
sel=sel<<1|0x01;
-
}
-
sel=0xFF;
-
P0=sel;
-
sleep(10000);
-
}
思考题:
1.修改程序,实现 4 个按键控制,自上至下、自下至上、自中间至两边、自两边至中间循环点亮 LED,循环次数均为 3 圈,3 圈结束后恢复到所有 LED 熄灭的正常状态。请编写程序并调试。
2.编写程序,实现 8 个发光二极管同时点亮,但亮度从上到下由亮变暗(选做)。
3. 简述你在本实验中遇到过哪些问题?这些问题是解决的?有何收获和体会?
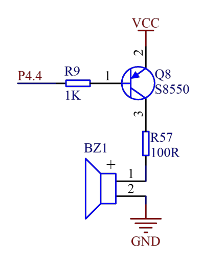
实验一(下) 报警产生器设计
设计要求:
用P4.4输出1KHz和500Hz的音频信号驱动扬声器,作报警信号,要求1KHz信号响100ms,500Hz信号响200ms,交替进行,P1.7接一开关进行控制,当开关合上响报警信号,当开关断开报警信号停止,请按流程图编出程序。
1)首先定义 sfr P4=0xe8
2)然后主函数设置 P4SW=0X70; //将P4.4/5/6设置为I/O口
注意P4.4口!

把喇叭当作LED灯,分别给端口送1khz和500hz的方波试试看效果是什么样的。
软件代码:
依据具体调试过程,方法不唯一,在重点部分加入注释,使程序更容易阅读和理解。
参考代码:
-
/*****************************************************************************
-
* 头文件 *
-
*****************************************************************************/
-
#include "hml/hml.h"
-
/*****************************************************************************/
-
/** 初始化
-
******************************************************************************/
-
void sys_init(void)
-
{
-
;
-
}
-
void sound(int hz)
-
{
-
char time=500/hz;
-
sleep(time);
-
P4_4=1;
-
sleep(time);
-
P4_4=0;
-
}
-
/*****************************************************************************/
-
/** 主函数
-
******************************************************************************/
-
void main(void)
-
{
-
sys_init();
-
unsigned int a=600;
-
while(a--)
-
{
-
sound(500);
-
}
-
a=600;
-
while(a--)
-
{
-
sound(250);
-
}
-
a=600;
-
while(a--)
-
{
-
sound(125);
-
}
-
}
思考题:
扬声器音量大小如何调节,是否和LED亮度调节类似呢?
文章来源: zhangrelay.blog.csdn.net,作者:zhangrelay,版权归原作者所有,如需转载,请联系作者。
原文链接:zhangrelay.blog.csdn.net/article/details/109194115
- 点赞
- 收藏
- 关注作者
评论(0)