FPGA逻辑设计回顾(3)多比特信号上升沿检测的设计方式与陷阱?
前言
注:本文首发自FPGA逻辑设计回顾(3)多比特信号上升沿检测的设计方式与陷阱?
在总结本文最后的多比特上升沿检测之前,我们先把备用知识讲清楚,摊开来,以免造成模糊不清的默许!
逻辑运算符与位元运算符
从表面上来看,逻辑运算符与位元运算符之间的区别就是一个符号写法的问题,例如:&&,&,||,|,!,~
事实上,我们应该真正的从含义上理解它们:
- 所谓的逻辑运算符就是逻辑上的运算,那它的结果也就是真和假之分,即false and true,或者1’b1 and 1’b0,它是1比特的布尔值。
- 而位元运算,其实就是单比特之间的逻辑运算而已,多比特的话就按位进行逻辑运算,例如按位与(&),按位或(|)以及按位非(~)。
有关这方面的语法,我以前有很多博客,例如:
Verilog中的逻辑运算符与按位运算符的区分
或者之前的专栏:
数字设计基础教程
由于逻辑运算符与位元运算符之间的区别在此,但这也仅仅是针对多比特信号才有的区别,对于单比特信号,其实结果是一样的,我们认为都行。
下面给出几组测试,来区分逻辑运算符以及位元运算符之间的区别:

下面给出仿真:

可见,逻辑运算符得到的结果总是1bit的,而位元运算符得到的结果和原输入数据位数一致,这和我们的认识也是相符合的。
下面给出上述设计以及仿真对应的RTL代码:
RTL设计代码:
module bitwise_test( input [3:0] in1, input [3:0] in2, output [3:0] out_bitwise_and, output [3:0] out_bitwise_or, output [3:0] out_bitwise_not, output out_logic_and, output out_logic_or, output out_logic_not ); assign out_bitwise_and = in1 & in2 ; assign out_logic_and = in1 && in2 ; assign out_bitwise_or = in1 | in2 ; assign out_logic_or = in1 || in2 ; assign out_bitwise_not = ~in1 ; assign out_logic_not = !in1 ; endmodule
- 1
- 2
- 3
- 4
- 5
- 6
- 7
- 8
- 9
- 10
- 11
- 12
- 13
- 14
- 15
- 16
- 17
- 18
- 19
- 20
- 21
- 22
- 23
- 24
Testbench代码:
module sim_bitwise_test( ); reg [3:0] in1 ; reg [3:0] in2 ; wire [3:0] out_bitwise_and ; wire [3:0] out_bitwise_or ; wire [3:0] out_bitwise_not ; wire out_logic_and ; wire out_logic_or ; wire out_logic_not ; initial begin in1 = 4'b1001; in2 = 4'b1100; #5 in1 = 4'b1000; in2 = 4'b1101; end bitwise_test u_bitwise_test( .in1 ( in1 ), .in2 ( in2 ), .out_bitwise_and ( out_bitwise_and ), .out_bitwise_or ( out_bitwise_or ), .out_bitwise_not ( out_bitwise_not ), .out_logic_and ( out_logic_and ), .out_logic_or ( out_logic_or ), .out_logic_not ( out_logic_not )
);
endmodule
- 1
- 2
- 3
- 4
- 5
- 6
- 7
- 8
- 9
- 10
- 11
- 12
- 13
- 14
- 15
- 16
- 17
- 18
- 19
- 20
- 21
- 22
- 23
- 24
- 25
- 26
- 27
- 28
- 29
- 30
- 31
- 32
- 33
- 34
- 35
- 36
- 37
- 38
- 39
- 40
其实说起位元运算符以及逻辑运算符,在硬件描述语言中,还要一种不得不谈起,这几者算是同宗兄弟,只是完成者不同的使命,那便是缩位运算符:
其运算方式也十分简单,例如:
-
&a [3:0] // AND:a [3]&a [2]&a [1]&a [0]
-
| b [3:0] //或:b [3] | b [2] | b [1] | b [0]。 相当于(b [3:0]!= 4’h0)
-
^ c [2:0] // XOR:c [2] ^ c [1] ^ c [0]
具体看我的其他博文吧,这里就不细讲了。
单比特信号上升沿检测
对于一个bit信号的上升沿检测,十分容易理解,实现方式也只有一种,那就是延迟,再逻辑运算,打拍得到结果。
例如,如下RTL原理图可以很清楚的说明问题:
RTL原理图:

下面是对上述电路的仿真:
仿真波形:

对于上升沿检测,我们需要注意的是:FPGA设计心得(10)关于行为仿真的一点观点
我的观点只有一个,那就是我们在行为仿真的时候不要在正正好好时钟边沿处给数据,这是由于仿真工具对边沿处数据的不同处理方式,可能会导致得不到你想要的结果。具体还是看上面的链接吧,这里不再重提了。
下面附上上述设计以及仿真的RTL代码:
RTL设计:
module pos_detect( input wire clk , input wire rst , input wire in_a , output reg in_pos ); reg reg_in_a ; always@(posedge clk or posedge rst) begin if(rst) begin reg_in_a <= 1'b0 ; end else begin reg_in_a <= in_a ; end end always@(posedge clk or posedge rst) begin if(rst) begin in_pos <= 1'b0 ; end else begin in_pos <= ~reg_in_a && in_a ; end end
endmodule
- 1
- 2
- 3
- 4
- 5
- 6
- 7
- 8
- 9
- 10
- 11
- 12
- 13
- 14
- 15
- 16
- 17
- 18
- 19
- 20
- 21
- 22
- 23
- 24
- 25
- 26
- 27
- 28
- 29
- 30
Testbench仿真:
module pos_detect_tb( ); reg clk ; reg rst ; reg in_a ; wire in_pos ; always begin # 2 clk = ~clk; end initial begin clk = 1'b0; rst = 1'b1; in_a = 1'b0; #10 rst = 1'b0; #20 in_a = #(0.1) 1'b1; #20 in_a = #(0.1) 1'b0; end pos_detect u_pos_detect( .clk ( clk ), .rst ( rst ), .in_a ( in_a ), .in_pos ( in_pos ) );
endmodule
- 1
- 2
- 3
- 4
- 5
- 6
- 7
- 8
- 9
- 10
- 11
- 12
- 13
- 14
- 15
- 16
- 17
- 18
- 19
- 20
- 21
- 22
- 23
- 24
- 25
- 26
- 27
- 28
- 29
- 30
- 31
- 32
- 33
- 34
多比特信号上升沿检测
对于多比特上升沿的检测,就要区分使用使用逻辑运算符和位元运算符了,如果用错了的话,肯定得不到想要的结果,这也就是所谓的小陷阱吧,专坑基础不牢或者马马虎虎的人。
除此之外,还有对于对比特的设计方式有如下几种,设计到for循环的使用,generate for循环的使用以及正常用法。
对于for循环以及generate for循环的含义,我在过去的博客上也多次写过,例如:
HDLBits 系列(7)对for循环以及generate for的各种实践
这篇文章对于generate for的使用提到一句比较关键的话就是generate for内部的语句要有一个名字:它的含义就是讲一个模块多次使用,形成多个模块的效果,属于并行的效果;可具体见博文,体会含义。
例如,使用generate for对全加器的多次例化,得到的文件结构是这样的:

相应的RTL原理图也如此:

使用三种方式对同一逻辑进行实现,部分RTL设计如下:
使用generate for形式:
genvar j; generate for(j = 0; j <= 3; j = j + 1) begin always@(posedge clk or posedge rst) begin:pos_detect3 if(rst) begin reg_in3[j] <= 1'b0; out_pos3[j] <= 1'b0; end else begin reg_in3[j] <= in1[j]; out_pos3[j] <= ~reg_in3[j] & in1[j]; end end end
- 1
- 2
- 3
- 4
- 5
- 6
- 7
- 8
- 9
- 10
- 11
- 12
- 13
- 14
至于使用for语句:
always@(posedge clk or posedge rst) begin : pos_detect1 if(rst) begin reg_in1 <= 4'h0; out_pos1 <= 4'b0; end else begin for(i = 0; i <= 3; i = i + 1) begin : bits_pos_ reg_in1[i] <= in1[i] ; out_pos1[i] <= ~reg_in1[i] & in1[i] ; end end end
- 1
- 2
- 3
- 4
- 5
- 6
- 7
- 8
- 9
- 10
- 11
- 12
以及普通的实现方式:
always@ (posedge clk or posedge rst) begin : pos_detect2 if(rst) begin reg_in2 <= 4'b0; out_pos2 <= 4'b0; end else begin reg_in2 <= in1; out_pos2 <= ~reg_in2 & in1; end end
- 1
- 2
- 3
- 4
- 5
- 6
- 7
- 8
- 9
- 10
- 11
也能实现同样的功能,例如对其仿真示意图一致:

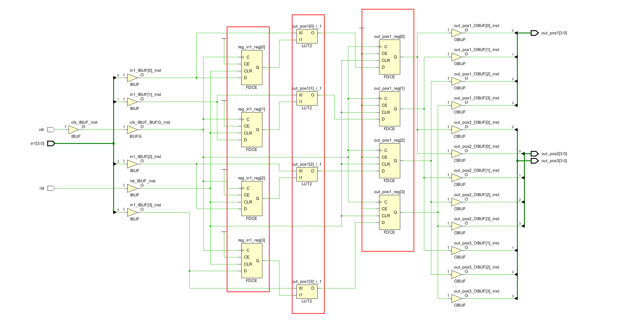
生成的RTL原理图虽略有差异:

但本质上还是一致的,且看综合示意图:

可见综合出来的结果,三者的结果采样了同一个中间过程,也就是最终在FPGA上的实现方式完全一致。
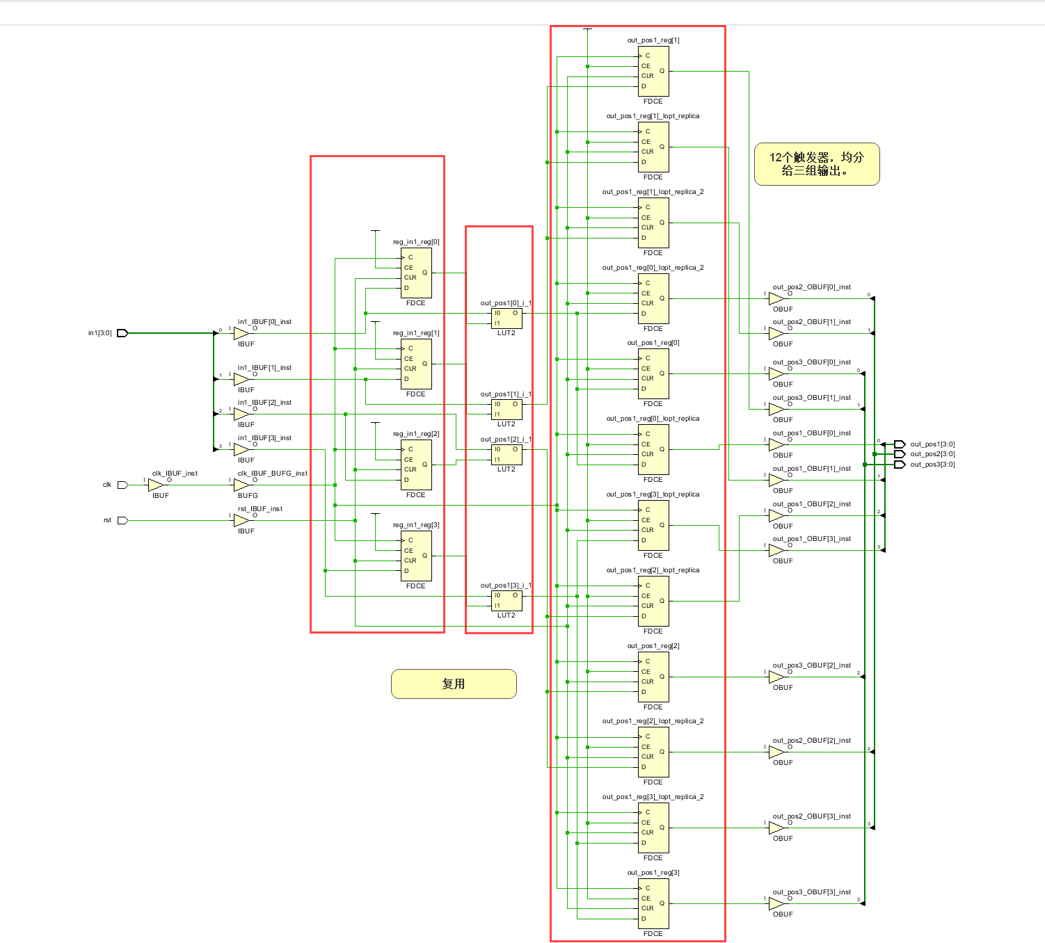
再给出implementation后的结果:

不用多想,结果也是一致的,虽然第2级触发器分开使用了不同的触发器,那是因为要分配给不同的输出,同时输出而非分时输出,也在意料之内,结构一致。
最终在FPGA中实现的电路也是这样的,实现是最接近底层的一级。
下面给出上述设计以及仿真的代码:
module bits_pos_detect( input wire clk, input wire rst, input wire [3:0] in1, output reg [3:0] out_pos1, output reg [3:0] out_pos2, output reg [3:0] out_pos3 ); reg [3:0] reg_in1 ; reg [3:0] reg_in2 ; reg [3:0] reg_in3 ; integer i ; always@(posedge clk or posedge rst) begin : pos_detect1 if(rst) begin reg_in1 <= 4'h0; out_pos1 <= 4'b0; end else begin for(i = 0; i <= 3; i = i + 1) begin : bits_pos_ reg_in1[i] <= in1[i] ; out_pos1[i] <= ~reg_in1[i] & in1[i] ; end end end always@ (posedge clk or posedge rst) begin : pos_detect2 if(rst) begin reg_in2 <= 4'b0; out_pos2 <= 4'b0; end else begin reg_in2 <= in1; out_pos2 <= ~reg_in2 & in1; end end genvar j; generate for(j = 0; j <= 3; j = j + 1) begin always@(posedge clk or posedge rst) begin:pos_detect3 if(rst) begin reg_in3[j] <= 1'b0; out_pos3[j] <= 1'b0; end else begin reg_in3[j] <= in1[j]; out_pos3[j] <= ~reg_in3[j] & in1[j]; end end end endgenerate
endmodule
- 1
- 2
- 3
- 4
- 5
- 6
- 7
- 8
- 9
- 10
- 11
- 12
- 13
- 14
- 15
- 16
- 17
- 18
- 19
- 20
- 21
- 22
- 23
- 24
- 25
- 26
- 27
- 28
- 29
- 30
- 31
- 32
- 33
- 34
- 35
- 36
- 37
- 38
- 39
- 40
- 41
- 42
- 43
- 44
- 45
- 46
- 47
- 48
- 49
- 50
- 51
- 52
- 53
- 54
- 55
- 56
- 57
- 58
- 59
测试平台:
module bits_pos_detect_tb( ); reg clk; reg rst; reg [3:0] in1; wire [3:0] out_pos1; wire [3:0] out_pos2; wire [3:0] out_pos3; initial begin clk = 0; forever begin #5 clk = ~clk; end end initial begin rst = 1; in1 = 4'h0; #18 rst = 0; in1 = #(0.5) 4'b1011; #20 in1 = #(0.5) 4'b0000; #18 in1 = #(0.5) 4'b1101; #20 in1 = #(0.5) 4'b1001; #18 in1 = #(0.5) 4'b1010; end bits_pos_detect u_bits_pos_detect( .clk ( clk ), .rst ( rst ), .in1 ( in1 ), .out_pos1 ( out_pos1 ), .out_pos2 ( out_pos2 ), .out_pos3 ( out_pos3 ) );
endmodule
- 1
- 2
- 3
- 4
- 5
- 6
- 7
- 8
- 9
- 10
- 11
- 12
- 13
- 14
- 15
- 16
- 17
- 18
- 19
- 20
- 21
- 22
- 23
- 24
- 25
- 26
- 27
- 28
- 29
- 30
- 31
- 32
- 33
- 34
- 35
- 36
- 37
- 38
- 39
- 40
- 41
- 42
- 43
- 44
- 45
- 46
- 47
- 48
- 49
文章来源: reborn.blog.csdn.net,作者:李锐博恩,版权归原作者所有,如需转载,请联系作者。
原文链接:reborn.blog.csdn.net/article/details/111794561
- 点赞
- 收藏
- 关注作者
评论(0)