FPGA的设计艺术(5)STA实战之时钟偏斜对建立保持时间的影响以及时序报告分析
前言
本文首发:FPGA的设计艺术(5)STA实战之时钟偏斜对建立保持时间的影响以及时序报告分析。
STA回顾
70年代的时序是通过Spice仿真执行的。80年代的时序包括在Verilog仿真中,以确定设计是否足够快。两种方法都存在两个问题(动态时序):
1)分析仅与仿真一样–仅在仿真执行的情况下才发现问题
2)逻辑仿真慢5到10倍
静态时序更全面,通过计算设计中每个可能逻辑路径的延迟。最坏情况下的路径确定最大频率。
更多STA的基本问题,可以参考:
FPGA的设计艺术(4)STA实战之不同时序路径的建立保持时间计算
STA基本参数回顾
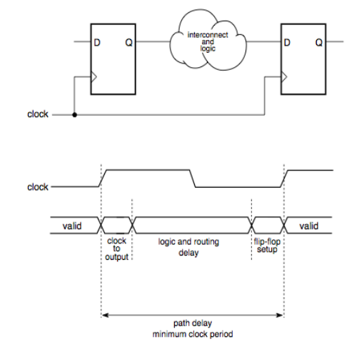
flop to flop
Setup Timing:Setup Timing的定义是在时钟有效沿到达之前数据需要保持稳定的时间。它的意义是检查信号是否及时到达。
如:

如果setup timing未能满足要求,则可以从以下方面处理:
- 1)降低时钟频率,
- 2)减少触发器之间的逻辑延迟
- 3)使用更快的触发器,即缩短上图中的时钟到数据输出延迟
关于setup timing的计算,链接:
FPGA的设计艺术(4)STA实战之不同时序路径的建立保持时间计算
已经给出了四种路径下的建立和保持时间要求计算。
下面为了内容的完整性,还是以不同的例子给出理解:
setup timing 要求是数据在捕获时钟沿之前应保持有效(稳定)的时间。计算所需的到达时间(RAT)和实际到达时间。
实际应在要求之前。你的裕量是多少。

上图中的裕量恰好为0.
RAT = T - Tsetup
- 1
实际到达时间根据实际情况:
Tcq + Tcomb
- 1
这里是理想模型,不考虑时钟偏斜,以及布线延迟,或者时钟偏斜为0,布线延迟在Tcomb中。
Hold Timing:Hold Timing的定义指的是在时钟有效沿之后,数据必须保持的最小时间。
保持时间要求是指数据应保持有效沿的时间后,计算所需的到达时间(RAT)和实际到达时间。实际应在要求之后。你的裕量是多少。
- 仅在时钟偏斜时发生。
- 与时钟周期或频率无关。
- 逻辑延迟通常只是启动触发器的启动延迟。
- 最坏的情况是触发器之间没有逻辑的移位寄存器。

1+3<2+4
数字代表编号
- 1
- 2
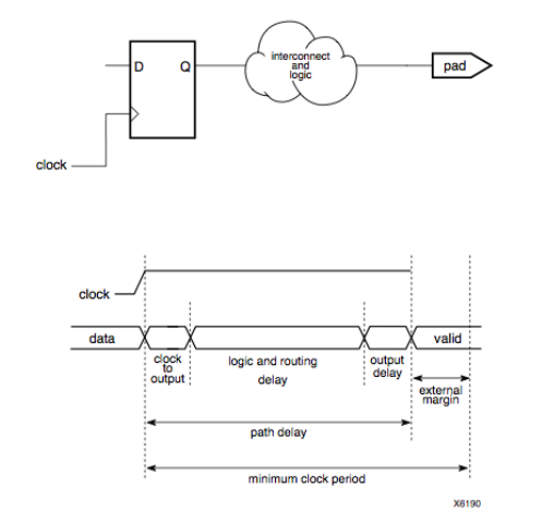
flop to output
寄存器到输出的建立时间要求类似于触发器到触发器,其意义都是检查信号是否及时到达时钟。

如上图,最小时钟周期为:
Tmin = Tcq + Tcomb + Toutdelay + Tsetup
- 1
也就意味着,这些参数需满足:
Tclk > Tcq + Tcomb + Toutdelay + Tsetup
- 1
如果不满足,即建立时序违规,可通过如下方式解决:
1)降低时钟频率,即增大时钟周期
2)减少逻辑延迟
3)减少外部建立时间要求
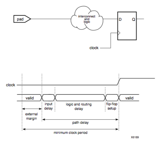
input to flop
其含义仍然是检查信号是否及时到达时钟。

不多解释,如果不满足建立时间,即external margin:
可以通过以下方法解决:
1)降低时钟频率
2)减少逻辑延迟
3)改善输入引脚上的到达时间
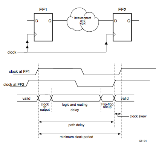
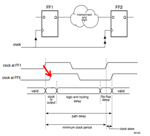
clock skew对setup以及hold timing的影响
时钟偏斜会伤害或帮助setup时间。
负时钟偏斜会减少整个工作周期,因此会损害建立时间,并且Xilinx的最大频率会忽略正偏,以进行建立时间计算。

如上,负时钟偏斜Tskew,注意Tskew是一个常数。
Tmin - Tskew = Tcq + Tcomb + Tsetup
- 1
可以推论:
Tclk- Tskew > Tcq + Tcomb + Tsetup
- 1
Tcq + Tcomb + Tsetup固定,Tskew越大,Tclk就要去越大。
如下图,实际分析下负时钟偏斜对建立的影响:

Bad for setups
Case 1 – Slow path
Launch = 1ns
Logic delay = 7ns slow
Setup = 1ns
Hold = 0ns (not used)
Skew = 2ns
Period = 10ns
Setup Slack = -1 nS
- 1
- 2
- 3
- 4
- 5
- 6
- 7
- 8
- 9
- 10
- 11
Good for holds
Case 2 – Fast path
Launch = 1ns
Logic delay = 0ns fast
Setup = 1ns (not used)
Skew = +3ns
Hold Slack = +4 nS
- 1
- 2
- 3
- 4
- 5
- 6
- 7
上面的Launch可认为是Tcq。
下面考虑对保持时间的影响:

保持时间的关系是:
Tcq + Tcomb > Thold + Tskew
- 1
可见,保持时间裕量可以为:
Thold slack = Tcq + Tcomb - Tskew - Thold
- 1
如果Tskew变大,则裕量越来越少。
- 由于正时钟偏斜,才有可能违反保持时间。
- 糟糕的问题是无法通过减慢时钟来固定预制芯片。(与时钟周期无关)
- 最糟糕的情况是具有低逻辑延迟的路径,例如移位寄存器。
在制造之前通过平衡时钟树或在逻辑中引入缓冲延迟来修复。
下面实际分析一个例子:

Good for setups:
Launch = 1ns
Logic = 9ns
Setup = 1ns
Skew = 2ns
Period = 10ns
Setup Slack = +1nS
- 1
- 2
- 3
- 4
- 5
- 6
- 7
- 8
Bad for holds:
Launch = 1ns
Logic = 1ns
Skew = 3ns
Hold Slack = -1 nS
- 1
- 2
- 3
- 4
- 5
利用时钟偏斜解决时序违规
时钟偏斜理论上可以利用起来解决建立时间违规问题,如下:

保持时间同样调节,通过调节时钟偏斜,如何做呢?
插入时钟buffer。
-
时钟扇出–一个来源–数百万个触发器需要缓冲树以减少扇出和平衡
-
时钟延迟,从时钟引入到到达触发器之间的时间-对于与其他芯片同步很重要
-
时钟偏斜:任何两个触发器之间的时钟有效沿到达差异
-
时钟功耗:时钟速度快,负载最大的最活跃信号很容易消耗20-30%的功率
时序报告
给出Cadence的时序报告页面参考:

脚本(完整综合脚本的一部分):
define_clock –nam vclk -period 50 clk
external_delay –input 0 –clock vclk [find / -prot ports_in/*]
external_delay –output 0 –clock vclk [find / -prot ports_out/*]
report timing > timing.rpt
- 1
- 2
- 3
- 4
生成报告。
报告列出了时序路径的延迟,最终存在时序裕量。
再看下图:

时序裕量就是负的,时序违规。
如上图,时钟给到了1GHz:

情况很极端,时序不过很正常。
在参考Xilinx的SP6的时序报告:
SP6的时序约束使用的是UCF文件。
假如给一个如下功能的逻辑:

如下为UCF文件截图:

时序约束,周期约束为100MHz。
综合后,查看时序报告:

可见,裕量充足。
如果约束时钟周期为1GHz,则:

时序裕量不足,差很远。
最后想说的是,可以通过综合工具提供的时序分析报告来查看,哪条路径的时序不满足需求,之后通过各种方式来解决时序违规,或更改设计,减小延迟,或减小时钟频率,大致如此。
上面还说了,可以通过改进时钟偏斜,这都是工具的事情,人工不用插手。还说了,使用更快的触发器,这个选定了器件,速率就定了,一般也不用插手。
邀请路径
文章来源: reborn.blog.csdn.net,作者:李锐博恩,版权归原作者所有,如需转载,请联系作者。
原文链接:reborn.blog.csdn.net/article/details/113903453
- 点赞
- 收藏
- 关注作者
评论(0)