Modus串行链路系统电气特性:2线-Modus、4线-Modus、RS232-Modus和RS485-Modus的特性
目录
一个Modus多点串行链路系统是由主电缆(主干)和一些可能的分支电缆组成,在主干电缆的两端需要有线路终端以使阻抗匹配,Modus多点串行链路系统中串行总线结构的总貌如下图所示。

不同的设备可以在同一个Modus串行链路系统中运行,集成有通信收发器的设备通过无源接头和分支电缆连接到主干上(例如从站 1 和主站), 没有集成通信收发器的设备通过有源接头和分支电缆连接到主干上(有源接头集成有收发器)(例如从站 2),设备以菊花链形式直接连接到主干电缆上(例如从站 n) 。
这里需要强调几个关键名称:
- 主干间的接口称为 ITr(主干接口);
- 设备和无源接头间的接口称为 IDv (分支接口);
- 设备和有源接头间的接口称为 AUI (附加单元接口)。
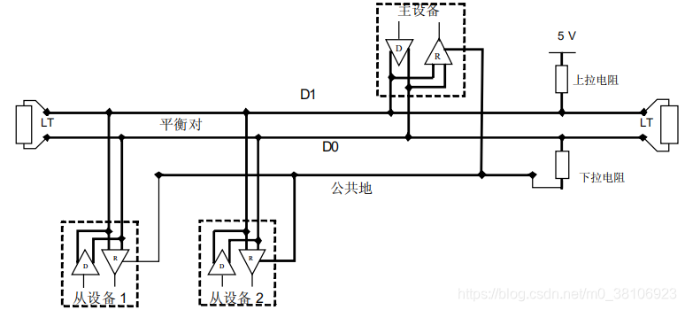
1、2线-Modus
串行链路上的Modus解决方案应当依照 EIA/TIA-485 标准实现“2-线”电气接口,在2 线-总线上,在任何时候只有一个驱动器有权发送信号。实际上还有第三条导线把总线上所有设备相互连接:公共地。2线-Modus拓扑结构如下图所示:

2线-Modus电路定义如下表所示:

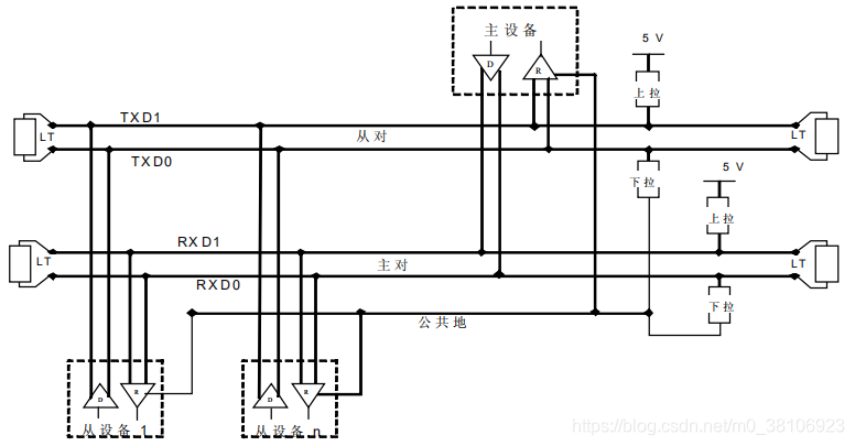
2、4线-Modus
4线-Modus设备允许实现 2 对总线(4 线)单向数据传输,在主对总线(RXD1-RXD2)上的数据只能由从站接收,而在从对总线(TXD0-TXD1)上的数据只能由主站接收。 实际上公共地作为第五条导线必须把4-线总线上的所有设备相互连接。4线-Modus设备必须依照 EIA/TIA-485 对每一对平衡线实现一个驱动器和一个收发器 (有时候这种方式被称为“RS422”,这是错误的:RS422 标准不支持几台设备在一对平衡线上)。
在4线-Modus中,主、从站均有带相同 5 类所需电路的 IDv 接口。 作为主站应该满足以下条件:
- 自从对总线(TXD1-TXD0)上接收来自从站的数据;
- 在主对总线(RXD1-RXD0)上发送数据,由从站接收。
4 线-电缆系统必须在 ITr 与主站的 IDv 之间,使两对总线交叉,如下图所示:

4线-Modus拓扑结构如下图所示:

4线-Modus电路定义如下表所示:

3、4线-Modus和2线-Modus的兼容性
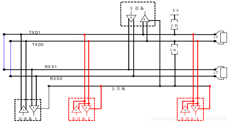
为了将执行 2 线物理接口的设备接入一个已存在的 4 线系统,4 线电缆系统可以按下述修改:
- TXD0 信号应与 RXD0 信号连接,使之成为 D0 信号;
- TXD1 信号应与 TXD0 信号连接,使之成为 D1 信号;
- 上拉,下拉电阻和线路终端电阻应重新安排以正确地适应 D0,D1 信号。
示例1:下图给出一个使用 2 线接口的从站 2 和 3 能与使用 4 线接口的主站和从站 1 一起工作的例子。

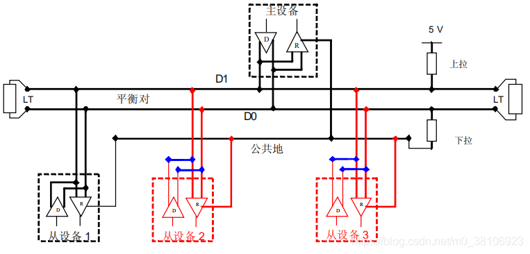
为了将执行 4 线物理接口的设备接入一个已存在的 2 线系统,该新接入设备的 4 线接口可以按下述安排:
在每一个 4 线设备接口上:
- TXD0 信号应与 RXD0 信号连接,之后连接到主干的 D0 信号线上;
- TXD1 信号应与 RXD0 信号连接,之后连接到主干的 D1 信号线上。
示例2:下图给出一个使用 4 线制的从站 2 和 3 能与使用 2 线制的主站和从站 1 一起工作的例子。

4、RS232-Modus
RS232-Modus只应用于短距离(一般小于 20m)的点到点的互连,每个 TXD 都与另一设备的 RXD 连接,实现 DCE 和 DTE 通信,其必须遵守 EIA/TIA-232 标准。RS232-Modus电路定义如下表所示:

5、RS485-Modus
RS485-Modus系统中,总是允许最多有32 台设备,在没有中继器情况下,RS485-Modus有一个主干电缆,所有的设备沿着它直接(菊花链)或通过短 的分支电缆连接起来,并且某些设备可在设备数大于 32 台的 RS485-Modus串行链路中运行。
文章来源: blog.csdn.net,作者:不脱发的程序猿,版权归原作者所有,如需转载,请联系作者。
原文链接:blog.csdn.net/m0_38106923/article/details/105328021
- 点赞
- 收藏
- 关注作者
评论(0)