基于MPPT最大功率跟踪的光伏发电蓄电池控制系统simulink建模与仿真
1.课题概述
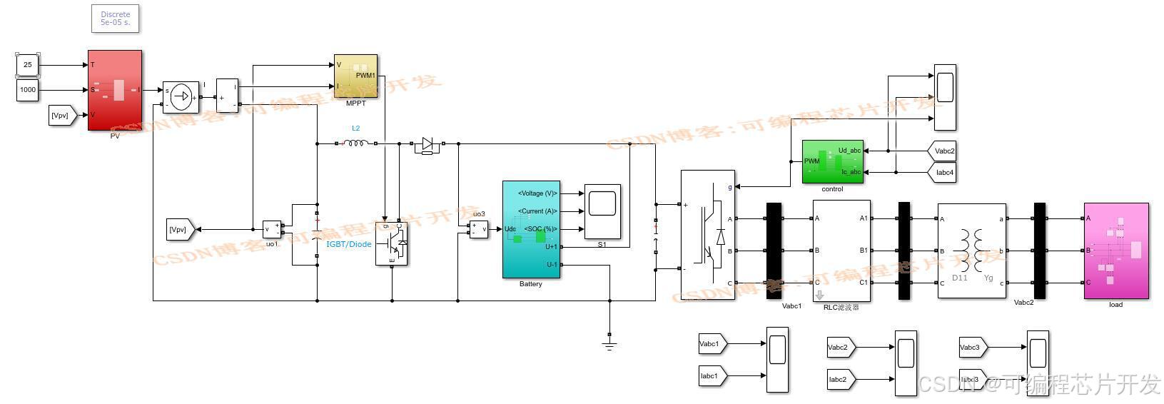
基于MPPT最大功率跟踪的光伏发电蓄电池控制系统simulink建模与仿真。本系统包括PV模块,电池模块,电池控制器模块,MPPT模块,PWM模块以及负载模块等。
2.系统仿真结果
(完整程序运行后无水印)





3.核心程序与模型
版本:MATLAB2022a

4.系统原理简介
随着全球能源危机和环境污染问题的日益严重,太阳能作为一种清洁、可再生的能源,受到了越来越广泛的关注。光伏发电系统是利用太阳能将光能转化为电能的装置,具有无污染、无噪声、安装方便等优点。然而,光伏发电系统的输出功率受到光照强度、温度等环境因素的影响,具有不确定性和波动性。为了提高光伏发电系统的效率和稳定性,需要采用最大功率点跟踪(Maximum Power Point Tracking,MPPT)技术,使光伏发电系统始终工作在最大功率点附近。

根据光伏电池的数学模型,可以得到光伏电池的输出特性曲线,即光伏电池的输出电流与输出电压之间的关系曲线。光伏电池的输出特性曲线具有非线性、单峰值等特点,其最大功率点(Maximum Power Point,MPP)对应着光伏电池输出功率最大的工作点。
MPPT 最大功率跟踪技术的基本原理是通过调整光伏电池的工作点,使其始终工作在最大功率点附近。具体来说,MPPT 技术通过实时监测光伏电池的输出功率,并根据一定的控制算法,调整光伏电池的工作电压或电流,使光伏电池的输出功率始终保持在最大值附近。
- 点赞
- 收藏
- 关注作者
评论(0)