基于MPPT的太阳能光伏电池simulink性能仿真,对比扰动观察法,增量电导法,恒定电压法
1.课题概述
在simulink中,实现基于MPPT的太阳能光伏电池,对比对比扰动观察法,增量电导法,恒定电压法三种MPPT方法。
2.系统仿真结果




局部放大可以看到三个算法的对比结果如下:

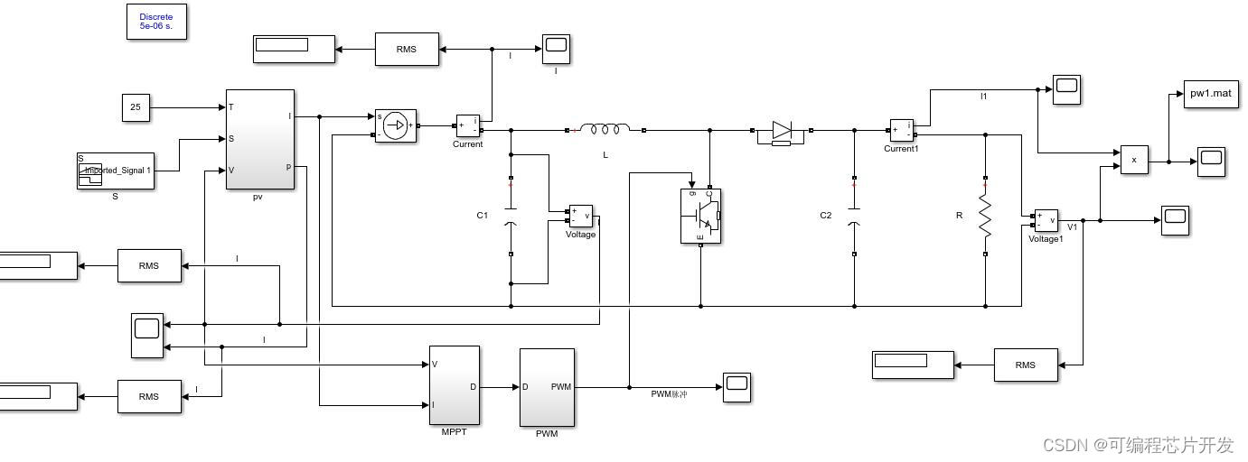
3.核心程序与模型
版本:MATLAB2022a

4.系统原理简介
太阳能光伏(PV)系统是一种将太阳能转换为电能的装置。为了提高光伏系统的效率,最大功率点跟踪(MPPT)技术被广泛应用。MPPT技术通过实时调整光伏系统的工作点,使其始终工作在最大功率点(MPP)附近,从而最大化光伏系统的输出功率。三种常用的MPPT方法:扰动观察法(P&O)、增量电导法(Incremental Conductance)和恒定电压法(Constant Voltage),
在光伏系统中,最大功率点是指在给定环境条件下,光伏电池能够输出的最大功率对应的电压和电流值。MPPT技术的目标就是找到这个工作点并控制光伏系统在此工作。光伏电池的功率-电压(P-V)曲线通常呈现出一个单峰形状,最大功率点位于该曲线的峰值处。因此,MPPT算法需要能够检测并跟踪这个峰值点。
4.1 扰动观察法 (Perturb and Observe Method)
扰动观察法是一种简单且广泛使用的MPPT算法,其基本思想是对光伏阵列的工作点进行微小扰动(通常是改变逆变器的输出电压或电流),然后观察功率变化以确定下一步操作的方向。如果功率增加,则继续沿同一方向扰动;若功率减小,则反向扰动。

4.2 增量电导法 (Incremental Conductance Method)
增量电导法是基于光伏电池的瞬时电导率与其输出功率的关系。当接近最大功率点时,电池的电导增量近似为零。通过对电池的电导和电导增量进行实时计算,不断调整电压使得电导增量趋近于零。

4.3 恒定电压法 (Constant Voltage Method)
恒定电压法是最简单的MPPT策略,它假设光伏电池在某一特定电压下具有最大的功率输出。实际应用中,通常选取开路电压的一半作为初始追踪电压,因为大多数光伏电池在短路点和开路点之间会有一个最大功率点。
该方法不涉及复杂的调节过程,只需将逆变器的输出电压设定为一个固定的值 Vmppapprox,这个值通常是通过光伏电池的IV特性曲线预先获得的。然而,这种方法的有效性受限于环境条件的变化,当光照强度或温度变化时,最大功率点对应的电压会发生变化,此时恒定电压法就不再适用。
- 点赞
- 收藏
- 关注作者
评论(0)