DS1302实时时钟芯片_读写时间实现电子钟功能
【摘要】 本项目以STC90C51单片机为核心,结合DS1302实时时钟芯片和IIC协议的OLED显示屏,设计了一款功能丰富、操作简便的电子时钟。
一、前言
1.1 功能说明
本项目以STC90C51单片机为核心,结合DS1302实时时钟芯片和IIC协议的OLED显示屏,设计了一款功能丰富、操作简便的电子时钟。
【1】项目目标
- 实现高精度的时间显示,包括时、分、秒。
- 提供按键调整时间的功能,方便用户校准时间。
- 利用OLED显示屏以直观的方式展示时间信息。
【2】系统架构
- 微控制器:采用STC90C51单片机作为核心控制器,负责整个系统的数据处理和逻辑控制。
- 实时时钟芯片:选用DS1302作为实时时钟芯片,提供高精度的时间信息。DS1302通过I²C接口与STC90C51进行通信,实现时间的读取和设置。
- 显示屏:采用IIC协议的OLED显示屏作为显示设备,用于显示时间信息。显示屏与STC90C51通过SPI I²C接口连接,实现数据的传输和显示。
- 按键模块:设计一组按键用于调整时间。按键模块通过GPIO接口与STC90C51连接,实现按键信号的输入和识别。
【3】功能实现
- 时间显示:STC90C51定时从DS1302读取时间信息,并通过OLED显示屏进行显示。显示屏可以实时更新时间,保证时间的准确性。
- 时间调整:用户通过按键模块输入调整时间的指令,STC90C51根据指令对DS1302进行设置,实现时间的校准。
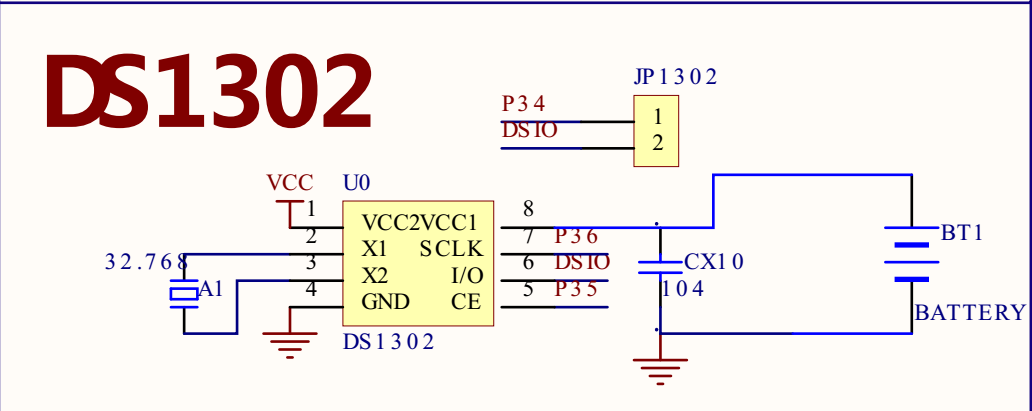
1.2 DS1302介绍
DS1302是由美国DALLAS公司推出的一款低功耗实时时钟芯片,具有涓细电流充电能力。以下是对DS1302的详细介绍:
【1】主要功能特点
- 计时功能:DS1302能够对年、月、日、周、时、分、秒进行精确计时,并具备闰年补偿功能,确保时间的准确性。
- 低功耗:该芯片功耗极低,工作电压在2.0V至5.5V范围内,使得它非常适合在需要长时间运行且电源有限的设备中使用。
- 数据存储:DS1302内部具有一个31×8的RAM寄存器,可用于临时性存放数据。
- 双电源引脚:DS1302拥有主电源/后备电源双电源引脚设计,可以在主电源关闭的情况下,通过后备电源保持时钟的连续运行。
- 串行I/O通信:采用串行I/O通信方式,相对于并行通信更节省IO口的使用。
【2】引脚说明
DS1302共有8个引脚,包括:
- VCC2:主电源正极的引脚。
- X1和X2:晶振输入和输出引脚,外接32.768kHz晶振。
- GND:负极。
- CE:使能引脚,接单片机的IO口,用于启动和停止时钟芯片的工作。
- I/O:数据传输引脚,接单片机的IO口,用于数据的读写。
- SCLK:通信时钟引脚,接单片机的IO口,用于同步数据传输。
- RST:复位/片选线,通过把RST输入驱动置高电平来启动所有的数据传送。RST也有两种功能:一是接通控制逻辑,允许地址/命令序列送入移位寄存器;二是提供终止单字节或多字节数据传送的方法。
- VCC1:后备电源引脚,在主电源关闭时,为DS1302提供电源。
【3】应用领域
由于其稳定可靠、易于使用和低功耗等特点,DS1302被广泛应用于各个领域,包括:
- 电子产品:如手机、平板电脑等需要准确显示时间的设备中。
- 工业控制系统:如自动化生产线、仪器仪表等需要同步计时和记录数据的设备中。
- 汽车电子系统:如车载导航仪、车载音响等需要准确显示时间和日期信息的设备中。


二、代码实现
2.1 main.c
#include <reg51.h>
#include "delay.h"
#include "type.h"
#include "uart.h"
#include "ds1302.h"
//#include "key.h"
//#include "led.h"
//#include "timer.h"
//#include "exti.h"
//#include "infrared.h"
//#include "ds18b20.h"
//#include "at24c02.h"
int main()
{
u8 stat;
UART_Init(); //初始化串口波特率为4800
DS1302_Init();
stat=DS1302_ReadByte(0x80|0x01);//读取秒
if(stat&0x80)
{
DS1302_WriteTime(2020-2000,1,18,16,33,33,6);
}
else
{
printf("DS1302 OK\r\n");
}
while(1)
{
DS1302_ReadTime();
printf("DS1302:%d-%d-%d %d:%d:%d %d\r\n",
(int)DS1302_TIME[0]+2000,
(int)DS1302_TIME[1],
(int)DS1302_TIME[2],
(int)DS1302_TIME[3],
(int)DS1302_TIME[4],
(int)DS1302_TIME[5],
(int)DS1302_TIME[6]
);
DelayMs(1000);
}
}
2.2 DS1302.c
#include"ds1302.h"
//定义ds1302使用的IO口
sbit DS1302_IO=P3^4;
sbit DS1302_RST=P3^5;
sbit DS1302_SCLK=P3^6;
u8 DS1302_TIME[7]; //存放读取的时间
/*
函数功能: 将十进制数据转为BCD码
*/
u8 DEC_TO_BCD(u8 val)
{
return ((val/10)<<4)+val%10;
}
/*
函数功能: 将BCD码数据转为十进制格式
*/
u8 BCD_TO_DEC(u8 val)
{
return (val&0x0f)+(val>>4)*10;
}
void DS1302_Init(void)
{
DS1302_RST=0;
DS1302_SCLK=0;//先将DS1302_SCLK置低电平。
}
/*
函数功能: 向DS1302指定寄存器里写一个字节数据
*/
void DS1302_WriteByte(u8 addr,u8 dat)
{
u8 n;
DS1302_RST=1; //然后将DS1302_RST(CE)置高电平。
/*1. 设置写入的地址*/
for(n=0;n<8;n++)
{
DS1302_IO=addr&0x01;//数据从低位开始传送
addr>>=1;
DS1302_SCLK=1;//数据在上升沿时,DS1302读取数据
DS1302_SCLK=0;
}
/*2. 写入数据*/
for(n=0;n<8;n++)
{
DS1302_IO=dat&0x01;
dat>>=1;
DS1302_SCLK=1;//数据在上升沿时,DS1302读取数据
DS1302_SCLK=0;
}
DS1302_RST=0;//传送数据结束
}
/*
函数功能: 从DS1302指定寄存器里读取一个字节数据
*/
u8 DS1302_ReadByte(u8 addr)
{
u8 n=0,dat=0;
DS1302_RST=1; //然后将DS1302_RST(CE)置高电平。
/*1. 设置读取的地址*/
for(n=0;n<8;n++)
{
DS1302_IO=addr&0x01;//数据从低位开始传送
addr>>=1;
DS1302_SCLK=1;//数据在上升沿时,DS1302读取数据
DS1302_SCLK=0;//DS1302下降沿时,放置数据
}
/*2. 读取数据*/
for(n=0;n<8;n++)
{
dat>>=1;
if(DS1302_IO)dat|=0x80;
DS1302_SCLK=1;
DS1302_SCLK=0;//DS1302下降沿时,放置数据
}
DS1302_RST=0;
//必须的操作,复位时间
DS1302_IO=0;
DS1302_IO=1;
return dat;
}
/*
函数功能: 设置DS1302芯片的时间
DS1302的时间基准是从2000年开始的,设置年份时要减去2000再传入设置
例如:DS1302_WriteTime(20,1,18,14,46,20,6);
*/
void DS1302_WriteTime(u8 year,u8 mon,u8 mday,u8 hour,u8 min,u8 sec,u8 week)
{
DS1302_WriteByte(0x8E,0x00); //禁止写保护,就是关闭写保护功能
DS1302_WriteByte(0x8c,DEC_TO_BCD(year)); //设置年
DS1302_WriteByte(0x88,DEC_TO_BCD(mon)); //设置月
DS1302_WriteByte(0x86,DEC_TO_BCD(mday)); //设置日
DS1302_WriteByte(0x84,DEC_TO_BCD(hour)); //设置时
DS1302_WriteByte(0x82,DEC_TO_BCD(min)); //设置分
DS1302_WriteByte(0x80,DEC_TO_BCD(sec)); //设置秒
DS1302_WriteByte(0x8a,DEC_TO_BCD(week)); //设置星期
DS1302_WriteByte(0x8E,0x80); //打开写保护功能
}
/*
函数功能: 读取DS1302时钟的时间
DS1302寄存器的最低位是读写位,0是写,1是读
*/
void DS1302_ReadTime(void)
{
DS1302_TIME[0]=BCD_TO_DEC(DS1302_ReadByte(0x8c|0x01));//读取年
DS1302_TIME[1]=BCD_TO_DEC(DS1302_ReadByte(0x88|0x01));//读取月
DS1302_TIME[2]=BCD_TO_DEC(DS1302_ReadByte(0x86|0x01));//读取日
DS1302_TIME[3]=BCD_TO_DEC(DS1302_ReadByte(0x84|0x01));//读取时
DS1302_TIME[4]=BCD_TO_DEC(DS1302_ReadByte(0x82|0x01));//读取分
DS1302_TIME[5]=BCD_TO_DEC(DS1302_ReadByte(0x80|0x01));//读取秒
DS1302_TIME[6]=BCD_TO_DEC(DS1302_ReadByte(0x8a|0x01));//读取星期
}
2.2 ds1302.h
#ifndef _DS1302_H
#define _DS1302_H
#include "type.h"
#include <reg51.h>
#include "delay.h"
#include "type.h"
#include "uart.h"
#include <intrins.h>
//定义全局函数
u8 DEC_TO_BCD(u8 val); //十进制转BCD码
u8 BCD_TO_DEC(u8 val); //BCD码转十进制
u8 DS1302_ReadByte(u8 addr);
void DS1302_WriteByte(u8 addr,u8 dat);
void DS1302_WriteTime(u8 year,u8 mon,u8 mday,u8 hour,u8 min,u8 sec,u8 week);
void DS1302_ReadTime(void);
void DS1302_Init(void);
//加入全局变量
extern u8 DS1302_TIME[7];
#endif
【声明】本内容来自华为云开发者社区博主,不代表华为云及华为云开发者社区的观点和立场。转载时必须标注文章的来源(华为云社区)、文章链接、文章作者等基本信息,否则作者和本社区有权追究责任。如果您发现本社区中有涉嫌抄袭的内容,欢迎发送邮件进行举报,并提供相关证据,一经查实,本社区将立刻删除涉嫌侵权内容,举报邮箱:
cloudbbs@huaweicloud.com
- 点赞
- 收藏
- 关注作者
评论(0)