基于蓄电池和飞轮混合储能系统的SIMULINK建模与仿真
1.课题概述
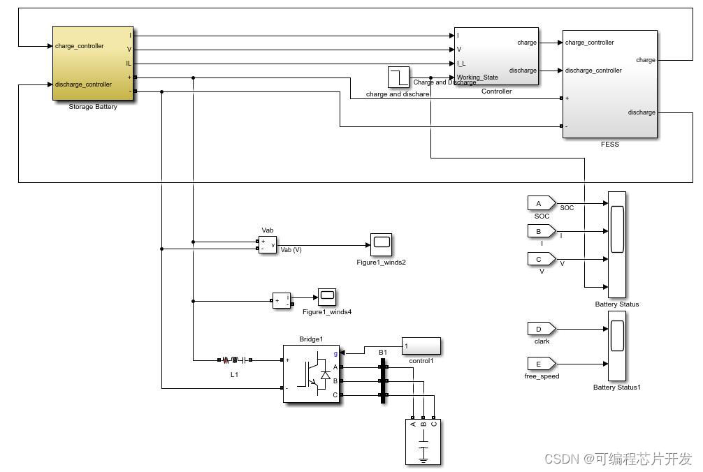
基于蓄电池和飞轮混合储能系统的SIMULINK建模与仿真。蓄电池和飞轮混合储能,蓄电池可以用SIMULINK自带的模型,飞轮要搭模型,仿真重点是飞轮模型的搭建和混合储能控制策略的实现。有飞轮、蓄电池充放电电流电压、功率波形,交流负载端的电流、电压、功率波形。针对系统中的波动,能够观察到这些波形由波动到稳定的过程。
2.系统仿真结果



3.核心程序与模型
版本:MATLAB2022a

4.系统原理简介
随着可再生能源的大规模应用和电力需求的日益增长,电力系统的稳定性与可靠性问题日益凸显。储能系统作为解决这些问题的有效手段,受到了广泛关注。蓄电池和飞轮是两种常见的储能技术,它们各有优势。将蓄电池与飞轮结合,构成混合储能系统,能够综合两者的优点,提高储能效率和响应速度。
4.1 蓄电池储能原理
蓄电池是一种能够将化学能转化为电能的装置。在充电过程中,外部电源提供电能,使得蓄电池内部的化学反应逆向进行,将电能转化为化学能储存起来。在放电过程中,化学能再次转化为电能,供外部负载使用。蓄电池是通过化学反应将电能转化为化学能存储起来,当需要时再将化学能转换回电能。其能量存储和释放过程可用如下简化的数学模型表示:

4.2 飞轮储能原理
飞轮储能是一种机械储能方式,它利用高速旋转的飞轮来储存能量。在充电过程中,外部电源提供电能,通过电动机驱动飞轮加速旋转,将电能转化为飞轮的动能储存起来。在放电过程中,飞轮的旋转速度减慢,通过发电机将动能转化为电能输出。飞轮储能系统则利用电动机/发电机作为能量转换装置,通过加速或减速飞轮旋转来储存或释放能量。飞轮储能的过程可以用以下物理方程描述:

4.3 混合储能系统原理
混合储能系统将蓄电池和飞轮结合起来,通过智能控制系统实现两者之间的协同工作。在充电过程中,外部电源同时为蓄电池和飞轮提供电能。蓄电池通过化学反应储存能量,而飞轮则通过加速旋转储存动能。在放电过程中,根据电力系统的需求,智能控制系统决定从蓄电池还是飞轮中提取能量,或者同时从两者中提取能量。
基于蓄电池和飞轮的混合储能系统结合了两种储能技术的优点,具有响应速度快、储能效率高、使用寿命长等特点。它在电力系统中的应用可以提高电力系统的稳定性、可靠性和经济性。随着储能技术的不断发展和成本的降低,混合储能系统在未来有望得到更广泛的应用。
- 点赞
- 收藏
- 关注作者
评论(0)