元器件选型实例(如何选一款合适的 DC-DC )
授人以鱼不如授人以渔,实际项目的元器件选型,如何选择合适的元器件 ...... 矜辰所致
@TOC
前言
最近在硬件产品升级更新的时候,在一些元器件的选择上花了一些时间,正好想到在网络上一般很少有这种教人如何选择合适元器件的文章与视频,授人以鱼不如授人以渔,那就我来记录一下!
作为嵌入式工程师,那么元器件的选型也是很重要的一门学问,我们该如何选择方案合适的元器件?这个得好好的聊聊。
本系列文章就针对实际的应用方案,来说一说元器件选型需要考虑的问题。
本文以一个降压方案的 DC-DC 选型为例子说明。
我是矜辰所致,一名摸爬滚打于物联网行业十多年的嵌入式工程师,尽量用心写好每一系列文章,不浮夸,不将就,认真对待学知识的我们,矜辰所致,金石为开!
文章首发于 CSDN , 作者:矜辰所致
一、应用背景
为以前产品上一个电源模块,使用的是 TPS5410,用在 24 V转 3.3V 的场合,前端是开关电源,也用过阻容降压,就是文章 聊聊阻容降压原理 和 实际使用的电路 中的阻容降压电路到24V, 后端是接单片机最小系统,比C8051,STM32 方案等等。
这个方案算下来也接近 10 年了,当时我在文章 聊聊实际使用的电源转化电路,分享一些不同场合下的转3.3V电路 提到过这个方案,来看看当时的内容:

在当时我就说过要换掉,是因为当时缺货,价格没优势,现在我查了一下,好像有货了,但是看看价格……:

替换还是逃不掉了,所以这选一个合适的时间把他给换了。
二、选型准备
那么要替换,那也不能随便的选一个方案啊。我们该如何选一个合适的方案呢?
在博主很早很早刚参加工作的时候,也许会百度一下:推荐一款好的24V转3.3V 的方案。 = =!
实际上这种方式也并不说完全没用,如果实在不会也可以这样做,这个是一个解决方案。
但是得说明几点,一、现在很多回答都是厂家自己的推荐芯片,第二,而且很多问答时间都比较早,现在2022年,比如你找到一个2015年的帖子,甚至更早的,里面也有推荐芯片,用当然是可以用的,但是如果现在有更新的,性价比更高的,我们就不知道了。
2.1 考虑因素
考虑到我们的应用背景,我们在选型前选考虑一下,定一个初步方案,不要一头雾水的乱冲。
通用因数
首先说些通用的因数,这个在文章 [聊聊实际使用的电源转化电路,分享一些不同场合下的转3.3V电路](https://bbs.huaweicloud.com/blogs/375616授人以鱼不如授人以渔,实际项目的元器件选型,如何选择合适的元器件 … 矜辰所致) 中已经分析过了,如下图:

大家可以自己去看,除了上面写这些,我们还得看看手头这个事情的实际情况。
结合实际
其实我上面的通用因数写得挺详细的,里面已经说了实际的应用需要考虑的情况。在这里我根据实际的应用再提几个点,因为是产品升级替换,所以结合一下实际有下面几个部分可以提前确定:
- 电路的大小
- 实际的使用负载
看看电源负载功率大小 - 实际产品的工作环境
工作环境比如,高温,寒冷、干扰等因数 - 方案的修改程度
看看是完全使用新的方案,还是说有同类型的系列产品替换
2.2 初步确定方案
经过上面的考虑,我们基本可以确定初步的方案,这里不啰嗦,直接把每条的原因和确定的方案说明:
-
产品 24V 转 3.3V 压差大,所以 DC-DC 更优,以前也是用的DC-DC
-
末端跟着的是STM32 最小系统,没有额外功耗, 其实 100mA 输出就足够,大些更好,所以这个输出电流要求不高
-
产品实际大小已经确定,大概在 2.6cm x 1.8cm 的样子,所以太大的封装元器件不能选
-
实际的工作环境
这点需要特殊说明一下,因为理论上基本很少考虑这个,但是这里特殊说明也不是用理论计算各种数据说明,咱不讨论那么深,只讨论实际快速稳定的设计产品。
此产品前端是需要接强电的,强电电路部分与弱电这边在一个小外壳中,一块PCB上,没有物理隔离,所以这个产品质量需要相对的“好一点”(这个好一点涉及太多了,稳定点,抗干扰强一点,这些其实产品都有参数说明,但是我们这里还是不需要靠那些理论数据)。
☆不是说理论的数据不重要,而是在平时,普通应用上面,很多专业的参数其实都没那么讲究,大部分产品都是能用的☆
除非你是特殊行业,那就对于一些细节问题,比如电源纹波,开关频率也需要特殊考虑。
那么这里就得说明,上面说质量相对要“好一点”,这个平时应该怎么确定呢?
我只讲一下自己的看法,相对来说说,是相对来说,国外大厂的产品质量一般都质量有可靠保证。 -
价格
价格这个东西,怎么说呢,有些时候有些关键元器件没办法,没得选择,必须用质量好的贵的,但是在我们这个方案中,选择很多,而且本身目的就是为了降低价格,所以价格在这个方案中,属于首要考虑的问题之一,这个我们得会选型的时候就得一个一个看价格确定。 -
方案的修改程度
这个修改程度也是实际需要考虑的,
以前的方案使用的是 Ti 的 TPS5410,那么我们如果完全换一个方案,那么电路可能要大幅度调整,在实际中有一定的概率,找同类型的芯片, pin to pin 直接替换,有这种芯片就最好了,没有的话我们再进行后面的选择,所以我们找的时候在 需要把这个考虑进去。
Ti 作为一个很全面的元器件大厂,估计 TPS5410 有很多同类型的芯片。
这里教大家一个方法,想看看是否有同系列类型的芯片,可以直接上网搜索,比如我们替换 TPS5410,可以搜索 TPS5 、TPS54、TPS541 之类的内容。

通过上图我们可以知道,TPS54xx 家族有很多系列产品,那么结合我们的情况,那这样是最好的了,我们就从这里选一个性价比比较合适的芯片,如果最后实在价格都很高,我们再考虑其他的。
那为什么先想到同类型的里面找呢?
TPS5410这个方案10多年了,产品都是不断进步的,很有可能厂家在之后会退出更新,更便宜的同类型的替代品,因为进步是趋势嘛。
总结一下,经过上面的一些说明,我们初步确定的方案,还是先从 TI 的 TPS54xx 家族系列里面找一个性价比合适的,有货的,如果没有找到合适的,我们再做其他打算。
三、实际选型
经过了上面的一些考虑,我们现在直接开始挑选合适的DC-DC。
3.1 查找目标
因为我们初步的目标已经确定了,从 TI 的TPS54xx 家族系列里面找,所以我们可以直接到 Ti 的官方查看,官网在网上搜一下就可以,然后直接搜索 TPS54 ,如下图:

☆上面搜索的结果,我们可以通过电压以及类型排除一部分:
- 输入要大于 24V
- 输出要是可调节的或者固定 3.3V
- 最后面2个 照明 LED 驱动去掉
3.2 筛选目标 — 价格和库存
在这次更新中,我目的是为了降低成本和确定是否容易断货。
成本好说,是否容易断货,这个如何判断,其实这个我也是自己的感觉,直接在电子商城上面搜索这个物料,首先,如果没有这个物料,说明不通用,不通用的产品我不用(当然也有可能是这个商城拿不到货或者其他有协议之类的问题,但是这只是小概率事件)。
☆所以第一步,我们直接在商城搜索元器件,看看价格和是否有货。
在上面我们查看到 TPS5410 16 元(100+),那么如果我们能找到一款 10元以内的就最好了。
比如,第一个 TPS5401 价格太贵,我们就直接排除了,如下图:
比如 TPS5402, 价格很美,但是库存不多,在网站下面可以多看看其他货源的货期个库存,这个可以留作参考:

比如 TPS5403 ,固定 3.3V输出,感觉库存也很多,而且价格还很合适,这也算是备选之一:

其他的我就不一一截图了,自己选型的时候可以自己尝试。
最后通过第一步的选择,除了 TPS5410 本身,可选的器件为: TPS5402 、TPS5403、TPS5430、TPS5450 。
一下子感觉就快出结果了……,哇可以!
上面其实已经贴图了2中可选的,下面就把 TPS5430, TPS5450 的图放一下:

那其实这个通过第一步,我已经就确定了使用哪款 DC-DC 了,就是 TPS5430 ,简单说一下原因:
- 立创基础库,说明通用,用户基础大,货期稳定
- 价格合适 3.35(100+)
- 其他的都满足应用需求
当然说明一下,得以顺利一步到位还是因为选择的是 TI 这种大厂的产品,他们产品线广,系列型号多,所以在以后替换升级的时候相对来说会简单一些。
3.3 筛选目标 — 性能参数
那没办法啊,上面的第一步就找到了我要的芯片,我这个确实是实打实的项目替换选型说明,第一步就找到了,我这里确实没法写下去了……
但是为了给大家一些建议,如果在上面选择完毕以后,有几款不太确定,就从他们的参数性能入手,打个比方:

对于 TPS5430 和 TPS5450 ,不用点进去看详情,就知道,其实就是输出电流后面的更大,而我们需要的负载根本用不到这么大,所以便宜的 3A 完全可以满足需求,这个时候,肯定是哪个便宜用哪个。
产品点进去可以看到详细参数:

如果产品有特殊需求,可以经过第一次筛选以后,查看详细参数再次筛选。
3.4 替换设计
好了,我们前面已经选好了我们的替换元件: TPS5430 。
那么最后一步就是替换了,替换的话,就要根据新的元件的手册设计电路。
☆ 但是,我们开头的选型考虑了一个因数,希望最后选完了以后电路可以尽可能的少修改,甚至是pin to pin 不修改, 所以我们从同系列的里面找的元件。☆
来简单看下 TPS5410 和 TPS5430 的手册,他们的典型电路如下:

通过这里我基本可以确定,搞不好都是 pin to pin 的(实际上如果直接替换,我感觉应该也是可以用起来的也没有什么问题,毕竟我们的负载要求低),但是为了使得更加稳定,我们得看一下推荐电路
但是我们得看一下实际电路推荐:
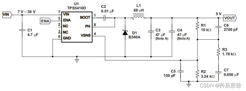
TPS5410 输出 5V 推荐电路(TPS5410 没有输出 3.3V 的推荐电路):

TPS5430 输出 5V 推荐电路:

TPS5430 输出 3.3V 推荐电路:

完全按照手册推荐的设计来选择元器件,肯定是没有问题的,但是我这里并不想改动太多,最好以前的电路直接用,那么可以不可以呢?
这里我们还有一个重要的问题需要确定一下,就是 R1 和 R2 电阻的比例两个芯片是否一致:

OK! 比例是一致的关系,那对于本次的替换,我就不按手册来,再次声明,按照手册来才是最最规范标准的,但是我这里不想改太多,我先进行替换测试。
不按手册来的结果,可能会导致电源纹波大,噪声大,输出电流变小,等等之类的问题,要考虑到自己的产品是否能够接受这些可能出现的问题。
那最后替换设计,建议按照上面的图 “TPS5430 输出 3.3V 推荐电路” 来设计,博主个人作为测试,我就直接 pin to pin 进行测试一把,我会换一下电感把 68uH 换成 18uH,然后电感后面那个电容把以前的 47uF 换成 220uF 。其实就是使用 5V 输出推荐电路,但是电阻换成 3.3V 输出比例的电阻。
好,就这么定了,文章到时候等样品到了,测试结果会来文章更新。
结语
本文通过博主自己的一个产品部件的替换升级,手把手的教了大家如何选择一款合适的 DC-DC,希望大家有所收获。
当然,不同的元器件选型的思路不一定一样,在今后有合适做样例的元器件,博主也会把元器件选型系列文章完善更新!
最后,希望大家多多支持!谢谢大家!
- 点赞
- 收藏
- 关注作者

评论(0)