半波整流点亮LED

§01 半波整流
一、问题提出
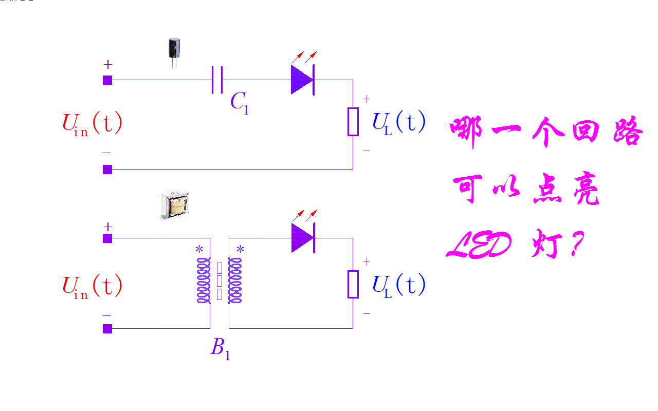
这是一个电容, 这是一个变压器。 如果将它们放入电路中, 对于信号传递会有什么作用? 对于传输信号来讲,它们都具有隔直流,通交流的功能。 下面有一个问题,如果负载是一个LED灯。流过LED灯是单向直流电, 请问那个回路能够点亮LED?

二、变压器实验
下面利用手边的一个9V电源中的变压器进行实验。 其中包括一个220V变压器以及整流稳压电路。 将其中的变压器分离出来。 这是用于实验的变压器。 将其制作成可以用于实验的变压器。 它的输出电压有效值为13.2V。 通过示波器, 可以看到它的峰值电压为18V。

三、测试LED
1、没有电容的情况
这是在面包板上搭建测试电路, 它将变压器的低压输出连接到负载,负载是由电阻R1和LED组成。 可以在连接回路增加电容,来测试LED点亮情况。

下面先测量没有连接电容的情况, 可以看到LED被点亮。在拍摄的视频中看到LED在闪烁,实际上这是由于LED只在输出电压正半周电流,所以它闪烁的频率为50Hz,与摄像机的拍摄频率很接近,发生了拍频,所以看起来是闪烁。 总之,在没有电容的情况下,只有变压器是可以点亮LED的。

2、带有电容的情况
下面测量带有电容的情况, 在负载回路中增加一个100uF的电容, 这是增加电容的过程。可以看到LED只是在开始的时候被点亮,然后迅速熄灭了。

四、为什么?
根据前面的实验可以看出, 电容耦合电路无法持续点亮LED,电感耦合电路可以持续点亮LED。 对于电容耦合,随着流过LED单向电流流过,电容两端电压增加,直到超过输入电压信号峰值,LED就熄灭了。 对于电感耦合电路, 由于它是进行了电能两次转换,即输入电能转换成磁能,磁能再转换成电能。 所以输出线圈上始终存在交流电压,LED可以持续被点亮。 这个电路显示了电容,变压器耦合之间的差异。

文章来源: zhuoqing.blog.csdn.net,作者:卓晴,版权归原作者所有,如需转载,请联系作者。
原文链接:zhuoqing.blog.csdn.net/article/details/125991357
- 点赞
- 收藏
- 关注作者
评论(0)