一个换了马甲的OTL功放电路
【摘要】
简 介: 在这里我们欣赏了一款功率音频放大电路的输出电路, 看到了电路在表现形式上的多样性。 这也提醒我们对待电路 能够以更加灵活的眼光来看待。关键词: OTL,功率放大
...

简 介: 在这里我们欣赏了一款功率音频放大电路的输出电路, 看到了电路在表现形式上的多样性。 这也提醒我们对待电路 能够以更加灵活的眼光来看待。
关键词: OTL,功率放大
§01 OTL功放电路
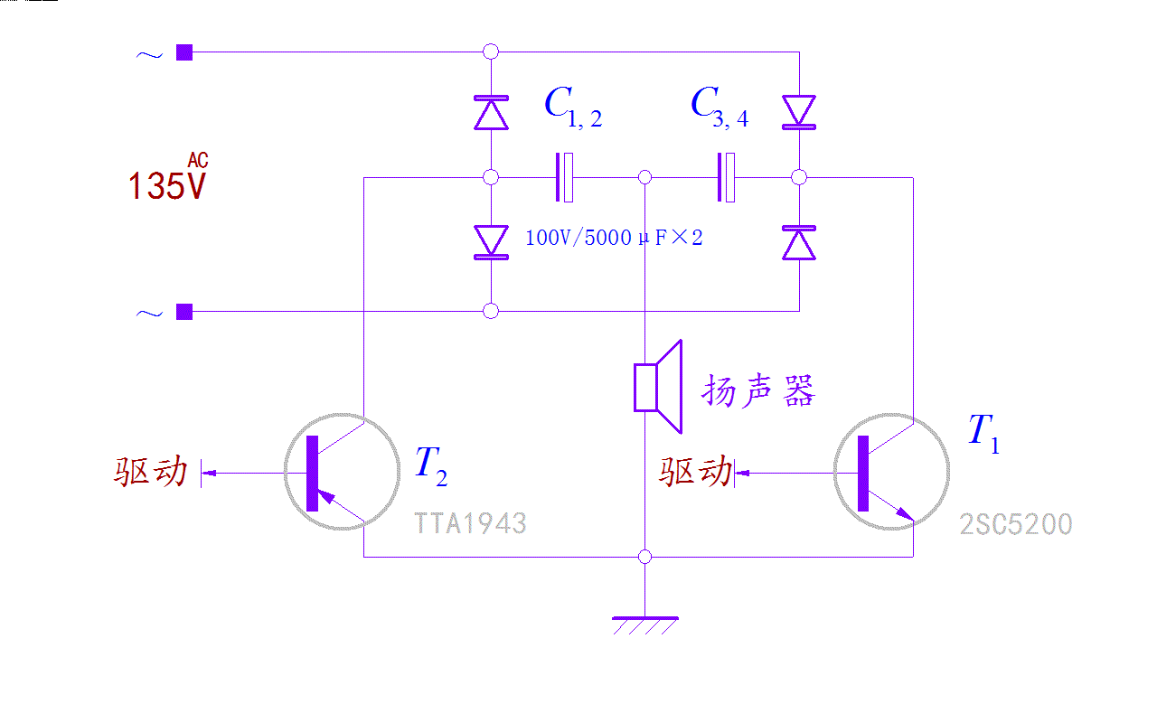
今天在 B 站中的 老外设计的功放电路才叫牛逼,想了3个月看不懂电流方向从哪走。 看到 UP 主介绍一款国外音频功放电子产品电路。猛一看令人感觉这个电路工作怪怪的。 这是视频作者直接通过实际电路描图下来的电路。 这是视频中作者绘制的电路图,作者应该是疏忽,将T1,T2位置调换了。 将电路图的绘制结构调换一下, 这就形成我们常见到的电路形式。 这个电路的特色部分,就是把电源滤波电容 同时用作输出耦合电容, 这样就大大简化了电路的设计。


原来电路中还有一个比较迷惑人的地方, 那就是关于电路参考地的设置。 通常情况下半桥功率管中间地方是电路功率信号的输出。 在这里也让我们重新欣赏到电路多变的迷人特点。

※ 总 结 ※
在这里我们欣赏了一款功率音频放大电路的输出电路, 看到了电路在表现形式上的多样性。 这也提醒我们对待电路 能够以更加灵活的眼光来看待。


■ 相关文献链接:
文章来源: zhuoqing.blog.csdn.net,作者:卓晴,版权归原作者所有,如需转载,请联系作者。
原文链接:zhuoqing.blog.csdn.net/article/details/125784576
【版权声明】本文为华为云社区用户转载文章,如果您发现本社区中有涉嫌抄袭的内容,欢迎发送邮件进行举报,并提供相关证据,一经查实,本社区将立刻删除涉嫌侵权内容,举报邮箱:
cloudbbs@huaweicloud.com
- 点赞
- 收藏
- 关注作者
评论(0)