【电路仿真】基于matlab BP神经网络三相逆变器故障诊断【含Matlab源码 1655期】
一、BP神经网络三相逆变器故障诊断简介
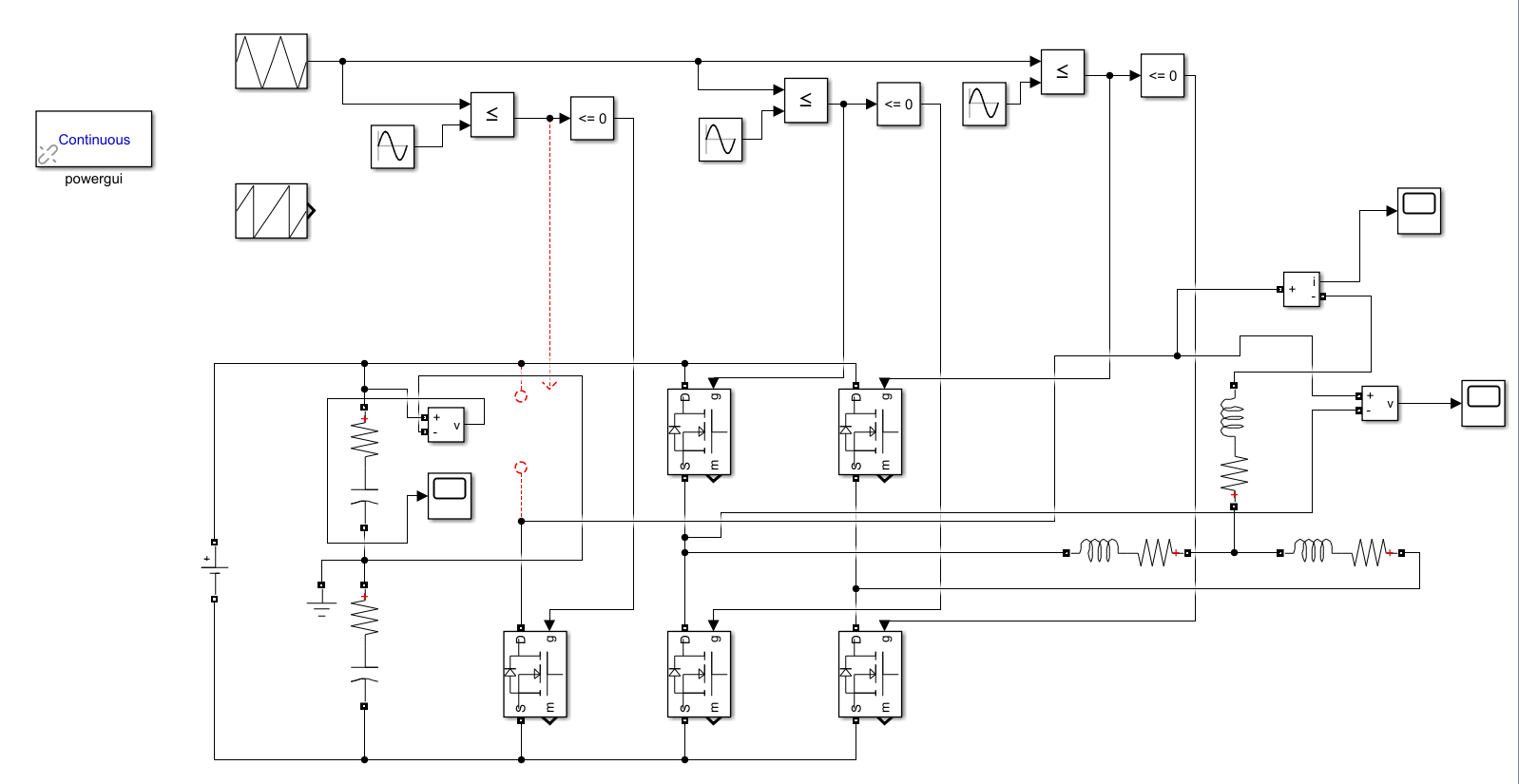
针对三相桥式逆变电路为研究对象,建立了仿真模型,并对逆变器主电路开关器件的开路故障进行仿
真,提出了基于BP神经网络的故障诊断方法,确定了网络的结构和参数,并以此训练网络.仿真试验结果表明,该神经网络具有很好的故障识别能力,所选择的基于BP神经网络的三相逆变器故障诊断系统是可行的。
电力电子技术广泛应用于国防军事和工业生产.电力电子设备一旦发生故障,可能造成装置或系统的损坏甚至威胁人身安全;因此,对电力电子设备进行故障检测和诊断非常有意义。由于电力电子器件的过载能力小,损坏速度快,且故障信息仅存在于发生故障后到停电之前的数十毫秒以内,所以需要动态监视,在线诊断.目前,人们只能从输出波形来诊断它是否有故障,以及何种故障,现已有多种方法用于电力电子电路的故障诊断.利用BP网络来诊断无功发生器中逆变器主回路元件开路故障;采用傅里叶分析方法实现了对三相变流器主电路的故障诊断;提出了采用小波分析和神经网络诊断电力电子
装置故障诊断的方法。在此则以三相桥式逆变电路为例,研究应用BP神经网络进行故障诊断的方法。
二、部分源代码
load T1
load T2
load T3
load T4
% wt=cwt(x,wname)使用wname指定的解析小波来计算cwt。
% wname的有效选项是“morse”、“amor”和“bump”,它们分别指定morse、Morlet(Gabor)和bump小波。
% 如果不指定wname,则wname默认为“morse”。
wt1=cwt(T1(1:1100,1));
wt2=cwt(T2(1:1100,1));
wt3=cwt(T3(1:1100,1));
wt4=cwt(T4(1:1100,1));
p=[wt1 wt2 wt3 wt4];
p=real(p);
class=[ones(1100,1);ones(1100,1)*2;ones(1100,1)*3;ones(1100,1)*4];
%创建BP网络
%特征值归一化
[input,minI,maxI] = premnmx(p) ;
%构造输出矩阵
s = length( class) ;
output = zeros( s , 4 ) ;
for i = 1 : s
output( i , class( i ) ) = 1 ;
end
%创建神经网络
net = newff( minmax(input) , [10 4] ); %, { 'logsig' 'purelin' } , 'traingdx' ) ;
%设置训练参数
net.trainparam.show = 50 ;
net.trainparam.epochs = 500 ;
net.trainparam.goal = 0.03 ;
net.trainParam.lr = 0.01 ;
%开始训练
net = train( net, input , output' ) ;
disp('TRAIN OK.')
save bpnet net;
load bpnet
%测试数据归一化
testInput = tramnmx ( p, minI, maxI ) ;
%仿真
Y = sim( net , testInput ) ;
%统计识别正确率
[s1 , s2] = size( Y ) ;
hitNum = 0 ;
for i = 1 : s2
[m , Index] = max( Y( : , i ) ) ;
if( Index == class(i) )
hitNum = hitNum + 1 ;
end
end
fprintf('识别率是 %3.3f%%',100 * hitNum / s2 );
%% 测试
load T1_WRONG.mat
load bpnet
wt1=cwt(T1_WRONG(1:1100,1));
testInput = tramnmx (wt1, minI, maxI ) ;
testInput=real(testInput);
%仿真
Y = sim( net , testInput ) ;
%统计识别正确率
[s1 , s2] = size( Y ) ;
hitNum = 0 ;
for i = 1 : s2
[m , Index] = max( Y( : , i ) ) ;
end
if Index==1
disp('故障T1');
end
if Index==2
disp('故障T2');
end
if Index==3
disp('故障T3');
end
if Index==4
disp('故障T4');
end
- 1
- 2
- 3
- 4
- 5
- 6
- 7
- 8
- 9
- 10
- 11
- 12
- 13
- 14
- 15
- 16
- 17
- 18
- 19
- 20
- 21
- 22
- 23
- 24
- 25
- 26
- 27
- 28
- 29
- 30
- 31
- 32
- 33
- 34
- 35
- 36
- 37
- 38
- 39
- 40
- 41
- 42
- 43
- 44
- 45
- 46
- 47
- 48
- 49
- 50
- 51
- 52
- 53
- 54
- 55
- 56
- 57
- 58
- 59
- 60
- 61
- 62
- 63
- 64
- 65
- 66
- 67
- 68
- 69
- 70
- 71
- 72
- 73
- 74
- 75
- 76
- 77
- 78
- 79
- 80
- 81
- 82
- 83
- 84
- 85
- 86
- 87
- 88
三、运行结果






四、matlab版本及参考文献
1 matlab版本
2014a
2 参考文献
[1] 徐国保、张冰、石丽梅、吴凡.MATLAB/Simulink权威指南——开发环境、程序设计、系统仿真与案例实战[M].清华大学出版社,2019.
[2]李献,骆志伟,于晋臣.MATLAB/Simulink系统仿真[M].清华大学出版社,2017.
[3]向军.MATLAB/Simulink系统建模与仿真[M].清华大学出版社,2021.
[4]罗耀华,从静.基于matlab BP神经网络的三相逆变器故障诊断[J].应用科技.2010年6月.
文章来源: qq912100926.blog.csdn.net,作者:海神之光,版权归原作者所有,如需转载,请联系作者。
原文链接:qq912100926.blog.csdn.net/article/details/122287219
- 点赞
- 收藏
- 关注作者
评论(0)