微机原理期末真题卷(含答案)
一、 填空题(每空 1 分,共 22 分)
1. 8086CPU 从内部结构上分为 和 两部分。
2. 对于 8086CPU,逻辑地址是由 和 组成,设有逻辑地址 1200H:2310H,其对应的物理地址为 。
3. 26.625 = B = H。
4. 设机器字长为 8 位,则反码的表示范围是 。
5. 微型计算机由微处理器、 、输入和输出接口电路和 组成。
6. 8086CPU 复位后,指令从 (逻辑地址)处开始执行。
7. 若用 4K×4 的存储器芯片组成 64K 字节的内存容量,则共需 片这样的芯片。
8. CPU 与外设的数据传送方式有 、 、 三种方式。
9. 一片可编程计数器/定时器 8253 中包含 3 个 位计数器 。
10. 若有 5 片 8259A,则最多能管理 级中断。
11. 一片 8255A 具有 个 8 位数据端口。
12. 8086CPU 的一个总线周期至少包含 个时钟周期。
13. 若定义 X DB ‘123456’,则(X+4)单元存放的字节数据是 。
14. 设机器字长为 8 位,最高位为符号位,则-26 的原码为 ,补码 为 。
二、简答题(共 40 分)
1. 计算下面 2 个二进制数相加的结果,并写出运算后 6 个状态标志位的值。(4 分)

2.用单条指令或程序片段,实现下述功能 (3 分)
(1)将 CX 低 8 位取反,高 4 位置 1,其余位不变。
(2)将 BL 的高四位与低四位互换。
3.已知当前 SP=0200H、SS=1000H、PSW=0120H,存储单元内容为(10204H)=0400H、 (10202H)=0200H、(10200H)=0100H、(101FEH)=0600H、(101FCH)=0800H,则 执行指令 IRET 后,SP、IP、CS、PSW 的内容是什么?(4 分)
4.写出下列语句中目的操作数的寻址方式。(3 分)
(1)MOV [BX],2000H
(2)MOV [1000H],AX
(3)MOV [BP+SI],DX
5.判断下列指令的对错;若有错,简述原因(3 分)
(1)MOV DS,0200H
(2)MOV SI,[DX]
(3)IN DX,20H
6.设中断类型号为 40H 的中断处理子程序名为 INTSER40H,写出设置该中断向量的程序片段。(4 分)
7. 8086 对存储器的管理为什么采用分段的办法?(3 分)
8.请简述中断的概念以及 CPU 响应可屏蔽中断的条件?(5 分)
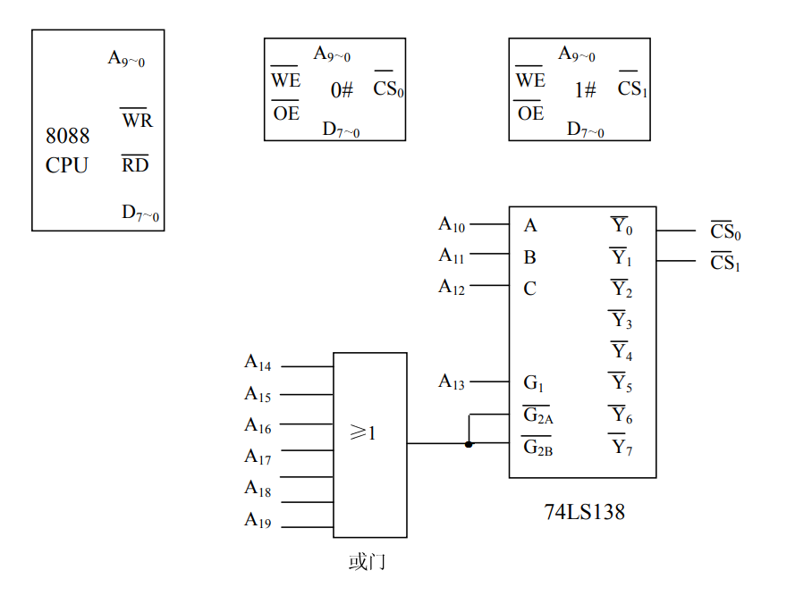
9.下图为 8088 CPU 和某存储器电路连接图,请回答以下问题:(6 分)
(1) 将 CPU 的相关信号与存储器相连。
(2) 存储器芯片是什么类型(RAM、ROM)?该系统的总容量为多少?各存储芯片的地址 范围分别是多少?

10、某系统中使用了一块 8253 芯片,通道 0~2 和控制端口的地址分别为 80H、82H、84H 和 86H,CLK2=2MHz。已知 8253 的控制字如下图所示:

要求通道 2 工作在方式 3 输出周期为 2ms 的方波,请计算其计数初值,并编写相关 的初始化程序。(5 分)
三、程序分析题(共 8 分)
1、分析以下程序段(3 分)
-
MOV BL,08H
-
-
MOV AL,09H
-
-
ADD AL,BL DAA
(1)请分析以上程序段实现的功能是什么?
(2)程序段中第 3 行、第 4 行语句执行后,AL 的内容分别是多少?
2、设有 40 个字节型数据(有符号数),存放在数据段中 EA=1000H 开始的一段存储区内。 以下程序片断应能从该存储区中找出最小的一个数并存入同一数据段中 EA=20OOH 的单 元中,请将下面程序片段补充完整。(5 分)
-
MIN: MOV BX,
-
MOV AL,[BX]
-
MOV CX,
-
L1: INC BX
-
CMP AL,[BX]
-
-
MOV AL,[BX]
-
L2:
-
JNZ L1;
-
MOV ,AL
参考答案:






文章来源: blog.csdn.net,作者:渣渣ye,版权归原作者所有,如需转载,请联系作者。
原文链接:blog.csdn.net/yyfloveqcw/article/details/123870928
- 点赞
- 收藏
- 关注作者
评论(0)