STM32F407入门开发: 外部中断配置
【摘要】 嵌入式开发中,中断是非常重要的知识点,专门用来处理紧急事;各种产品设备都有处理紧急事件的产生情况,都需要MCU支持中断特性。本文介绍STM32F407的外部中断配置实例。
第一章 外部中断相关知识介绍
嵌入式开发中,中断是非常重要的知识点,专门用来处理紧急事件。各种产品设备都有处理紧急事件的产生情况,有中断的支持这样才能保证程序的稳定执行;基本上所有单片机里的中断也分优先级的,可以根据自己的事态紧急性设置优先级。比如:串口中断、外部中断、定时器中断等等。
M4内核一共支持 256 个中断,其中包含了 16 个内核中断和 240 个外部中断,有256级中断支持可编程设置。STM32F4407没有全部使用 CM4 内核的东西,只是使用了它的一部分。
STM32F407总共有 92 个中断,在它的 92 个中断里面, 包括 10 个内核中断和 82 个可屏蔽中断,具有 16 级可编程的中断优先级, 平时编程常用的就是这 82 个可屏蔽中断。
** 接来下的详细编程步骤,需要查看参考手册,了解寄存器的各项功能:**




第二章 配置按键为外部中断示例
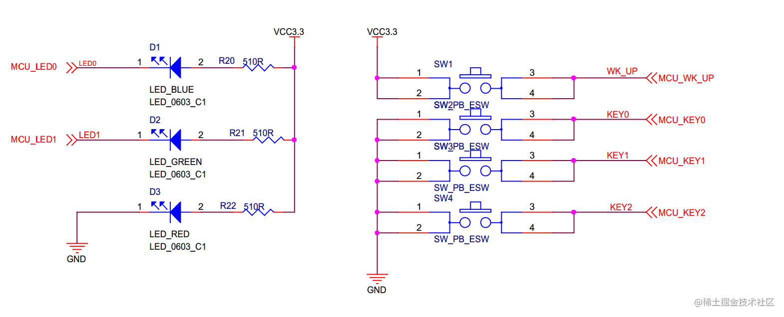
2.1 按键的原理图


2.2 外部中断配置流程
- 先初始化按键为输入模式
- 开启SYSCFG时钟
- 配置中断线
- 配置产生的边沿属性
- 设置中断优先级
- 编写中断服务函数
2.3 设置中断优先级
中断优先级设置,是直接调用官方提供的.c文件内部函数封装而成的。
/*中断控制器分组*/
#define NVIC_PriorityGroup_0 ((uint32_t)0x700) /*!< 0 bits for pre-emption priority
4 bits for subpriority */
#define NVIC_PriorityGroup_1 ((uint32_t)0x600) /*!< 1 bits for pre-emption priority
3 bits for subpriority */
#define NVIC_PriorityGroup_2 ((uint32_t)0x500) /*!< 2 bits for pre-emption priority
2 bits for subpriority */
#define NVIC_PriorityGroup_3 ((uint32_t)0x400) /*!< 3 bits for pre-emption priority
1 bits for subpriority */
#define NVIC_PriorityGroup_4 ((uint32_t)0x300) /*!< 4 bits for pre-emption priority
0 bits for subpriority */
/*
函数功能:设置NVIC中断控制器优先级
函数形参:
IRQn_Type IRQn:中断线
uint32_t PreemptPriority:抢占优先级
uint32_t SubPriority:次优先级
*/
void SetNVICPriorityGrouping(IRQn_Type IRQn,uint32_t PreemptPriority, uint32_t SubPriority)
{
uint32_t Priority;
NVIC_SetPriorityGrouping(NVIC_PriorityGroup_2); //设置优先级分组,每个工程只能设置一次
Priority=NVIC_EncodePriority(NVIC_PriorityGroup_2,PreemptPriority,SubPriority); //编码优先级
NVIC_SetPriority(IRQn,Priority); //设置优先级
NVIC_EnableIRQ(IRQn);
}
2.4 完整示例代码
#include "stm32f4xx.h" // Device header
#include "led.h"
#include "delay.h"
#include "key.h"
#include "usart.h"
#include "sys.h"
#include "exti.h"
//////////////////////////////////////////////////////////////////////////////////
//本程序只供学习使用,未经作者许可,不得用于其它任何用途
//////////////////////////////////////////////////////////////////////////////////
int main(void)
{
LED_Init();
KEY_Init();
USART1_Init(84,115200);
KEY_EXTI_Init();
while(1)
{
}
}
void KEY_Init(void)
{
/*1. 开时钟*/
RCC->AHB1ENR|=1<<0;//使能PORTA时钟
RCC->AHB1ENR|=1<<4;//使能PORTE时钟
/*2. 配置GPIO口模式*/
GPIOE->MODER&=~(0x3<<2*2); //清除模式
GPIOE->MODER|=0x0<<2*2; //配置输入模式
GPIOE->MODER&=~(0x3<<3*2); //清除模式
GPIOE->MODER|=0x0<<3*2; //配置输入模式
GPIOE->MODER&=~(0x3<<4*2); //清除模式
GPIOE->MODER|=0x0<<4*2; //配置输入模式
GPIOA->MODER&=~(0x3<<0*2); //清除模式
GPIOA->MODER|=0x0<<0*2; //配置输入模式
/*3. 配置GPIO口上下拉模式*/
GPIOE->PUPDR&=~(0x3<<2*2); //清除之前配置
GPIOE->PUPDR|=0x1<<2*2; //配置上拉
GPIOE->PUPDR&=~(0x3<<3*2); //清除之前配置
GPIOE->PUPDR|=0x1<<3*2; //配置上拉
GPIOE->PUPDR&=~(0x3<<4*2); //清除之前配置
GPIOE->PUPDR|=0x1<<4*2; //配置上拉
GPIOA->PUPDR&=~(0x3<<0*2); //清除之前配置
GPIOA->PUPDR|=0x2<<0*2; //配置下拉
}
/*
函数功能:按键外部中断初始化
硬件连接:
KEY0 --->PE4 按下为低电平
KEY1 --->PE3 按下为低电平
KEY2 --->PE2 按下为低电平
KEY_UP-->PA0 按下为高电平
*/
void KEY_EXTI_Init(void)
{
/*1. 开启SYSCFG时钟 */
RCC->APB2ENR|=1<<14;
/*2. 开放来自线x上的中断请求*/
EXTI->IMR|=1<<0; //中断线0
EXTI->IMR|=1<<2; //中断线2
EXTI->IMR|=1<<3; //中断线3
EXTI->IMR|=1<<4; //中断线4
/*3. 配置中断线触发边沿*/
EXTI->RTSR|=1<<0; //上升沿
EXTI->FTSR|=1<<0; //下降沿
EXTI->RTSR|=1<<2; //上升沿
EXTI->FTSR|=1<<2; //下降沿
EXTI->RTSR|=1<<3; //上升沿
EXTI->FTSR|=1<<3; //下降沿
EXTI->RTSR|=1<<4; //上升沿
EXTI->FTSR|=1<<4; //下降沿
/*4. 配置产生中断的对应IO口*/
SYSCFG->EXTICR[0]&=~(0xf<<0*4);
SYSCFG->EXTICR[0]|=0x0<<0*4;
SYSCFG->EXTICR[0]&=~(0xf<<2*4);
SYSCFG->EXTICR[0]|=0x4<<2*4;
SYSCFG->EXTICR[0]&=~(0xf<<3*4);
SYSCFG->EXTICR[0]|=0x4<<3*4;
SYSCFG->EXTICR[1]&=~(0xf<<0*4);
SYSCFG->EXTICR[1]|=0x4<<0*4;
/*5. 配置中断优先级*/
SetNVICPriorityGrouping(EXTI0_IRQn,2,2);
SetNVICPriorityGrouping(EXTI2_IRQn,2,2);
SetNVICPriorityGrouping(EXTI3_IRQn,2,2);
SetNVICPriorityGrouping(EXTI4_IRQn,2,2);
}
/*
功 能:外部中断线0中断服务函数
*/
void EXTI0_IRQHandler(void)
{
DelayMs(10);
if(KEY_UP)
{
LED0=!LED0;
LED1=!LED1;
printf("KEY_UP\r\n");
}
EXTI->PR|=1<<0; //清除中断标志位
}
/*
功 能:外部中断线2中断服务函数
*/
void EXTI2_IRQHandler(void)
{
DelayMs(10);
if(KEY2==0)
{
LED0=!LED0;
LED1=!LED1;
printf("KEY2\r\n");
}
EXTI->PR|=1<<2; //清除中断标志位
}
/*
功 能:外部中断线3中断服务函数
*/
void EXTI3_IRQHandler(void)
{
DelayMs(10);
if(KEY1==0)
{
LED0=!LED0;
LED1=!LED1;
printf("KEY1\r\n");
}
EXTI->PR|=1<<3; //清除中断标志位
}
/*
功 能:外部中断线4中断服务函数
*/
void EXTI4_IRQHandler(void)
{
DelayMs(10);
if(KEY0==0)
{
LED0=!LED0;
LED1=!LED1;
printf("KEY0\r\n");
}
EXTI->PR|=1<<4; //清除中断标志位
}
2.5 运行测试
- 通过jlink下载
- 通过串口下载
按下按键测试,LED灯是否闪烁、串口调试助手上是否收到中断里打印的数据。
【声明】本内容来自华为云开发者社区博主,不代表华为云及华为云开发者社区的观点和立场。转载时必须标注文章的来源(华为云社区)、文章链接、文章作者等基本信息,否则作者和本社区有权追究责任。如果您发现本社区中有涉嫌抄袭的内容,欢迎发送邮件进行举报,并提供相关证据,一经查实,本社区将立刻删除涉嫌侵权内容,举报邮箱:
cloudbbs@huaweicloud.com
- 点赞
- 收藏
- 关注作者
评论(0)