关于单点接地(单点连接)的一点理解
【摘要】
之前在玩ESP8266的时候也有接触过单点接地的一些知识,拿ESP8266的ADC来看,串并联单点接地分析:
在小电流场合第二个更好,星型走线能避免同一回路下多个并行器件的拉电流导致的电压跌...
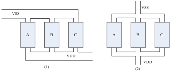
之前在玩ESP8266的时候也有接触过单点接地的一些知识,拿ESP8266的ADC来看,串并联单点接地分析:


在小电流场合第二个更好,星型走线能避免同一回路下多个并行器件的拉电流导致的电压跌落影响;另外,第二种采用的是单点连接的方式,一来可以避免地电平弹跳影响,二来可以有效避免回流信号闭环对电路产生的干扰。在大电流场合,第一个相比第二个而言更好,第一个电源线的线宽更粗,能够允许更大电流通过。但是,线宽加粗之后也会增大布局面积,相应的制板成本也会提高。所以,至于哪一个更好,需要根据具体的应用场景,综合考量,选取性价比(tradeoff)最高的。
参考
文章来源: recclay.blog.csdn.net,作者:ReCclay,版权归原作者所有,如需转载,请联系作者。
原文链接:recclay.blog.csdn.net/article/details/109952781
【版权声明】本文为华为云社区用户转载文章,如果您发现本社区中有涉嫌抄袭的内容,欢迎发送邮件进行举报,并提供相关证据,一经查实,本社区将立刻删除涉嫌侵权内容,举报邮箱:
cloudbbs@huaweicloud.com
- 点赞
- 收藏
- 关注作者
评论(0)