电子造型赏析
【摘要】
由电子元器件组成的一些 3D 电路,集艺术、技术为一体,具有特殊的美感。
下面这些电路的创作者 Mohit Bhoite,首先让我们感到了美感,其次电路在电力的驱动下所做出的的响应(LED闪...

由电子元器件组成的一些 3D 电路,集艺术、技术为一体,具有特殊的美感。
下面这些电路的创作者 Mohit Bhoite,首先让我们感到了美感,其次电路在电力的驱动下所做出的的响应(LED闪烁,蜂鸣器的发声等)也赋予电路造型以生命。

▲ 图1 由555组成的闪烁电路

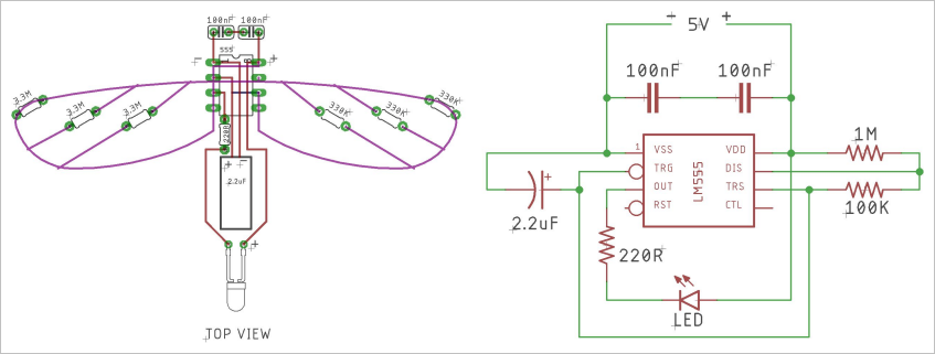
▲ 图2 双三极管震荡电路

▲ 图3 双三极管震荡电路

▲ 图4 MOHIT BHOITE CHINTOO V2

▲ 图5 呼吸的LED灯

▲ 图6 萤火虫

▲ 图7 萤火虫电路图

▲ 图8 萤火虫

▲ 图9 自然主义者的电子鸟

▲ 图10 声强显示柱

▲ 图11 声强显示柱

▲ 图12 声强显示柱

▲ 图13 声强显示柱

▲ 图14 七段数码管

▲ 图15 OLED 显示终端

▲ 图16 XENYAN 微型小车

▲ 图17 车模运动产生的图影

▲ 图18 5×7点阵

▲ 图19 电子蜂巢
● 相关图表链接:
- 图1 由555组成的闪烁电路
- 图2 双三极管震荡电路
- 图3 双三极管震荡电路
- 图4 MOHIT BHOITE CHINTOO V2
- 图5 呼吸的LED灯
- 图6 萤火虫
- 图7 萤火虫电路图
- 图8 萤火虫
- 图9 自然主义者的电子鸟
- 图10 声强显示柱
- 图11 声强显示柱
- 图12 声强显示柱
- 图13 声强显示柱
- 图14 七段数码管
- 图15 OLED 显示终端
- 图16 XENYAN 微型小车
- 图17 车模运动产生的图影
- 图18 5×7点阵
- 图19 电子蜂巢
文章来源: zhuoqing.blog.csdn.net,作者:卓晴,版权归原作者所有,如需转载,请联系作者。
原文链接:zhuoqing.blog.csdn.net/article/details/123025384
【版权声明】本文为华为云社区用户转载文章,如果您发现本社区中有涉嫌抄袭的内容,欢迎发送邮件进行举报,并提供相关证据,一经查实,本社区将立刻删除涉嫌侵权内容,举报邮箱:
cloudbbs@huaweicloud.com
- 点赞
- 收藏
- 关注作者
评论(0)