基于光耦的LED振荡电路

简 介: 光耦是在电路接口中常用到的器件。它的前向电流转移系数随着不同的型号、工作点的不同而会发生变化。本文中的光耦振荡电路则是利用了电流转移系数大于1所带来的电流增益而工作的。通过对PC851、TLP521的电流转移系数的测量,获得了它们电流增益随着工作电流不同变化情况,也验证了光耦震荡电流的工作原理。
关键词: 光耦,电流转移系数
§01 振荡电路
1.1 电路工作情况
今天在西瓜视频中看到一个一分钟的短视频: 光耦可以这样用,你绝对想不到的小发明 展示了一个有趣的LED闪烁电路。核心是围绕找一个光耦(型号不详),外部增加相应的阻容和LED与器件,构成一个闪烁电路。

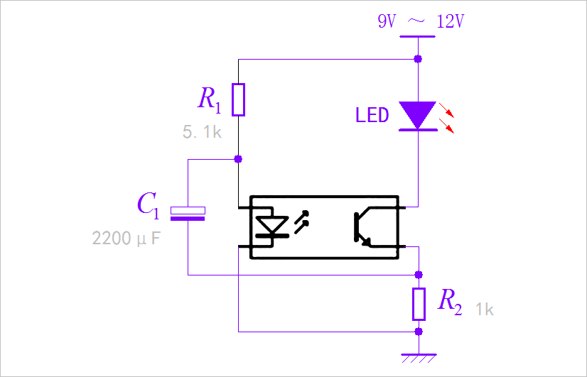
▲ 图 由单个光耦组成的振荡电路
在给电路施加+9V电压之后,电路的LED便开始闪烁(1Hz左右)。

▲ 图 连接电源之后电路工作情况
1.2 电路工作原理
视频中给出了这个神奇电路的原理图,如下图所示。如果没有反馈电容 C1的存在,这个电路就不会振荡。
有了C1,它就会将光耦输出负载电阻R2上的一部分电流反馈到输入发光二极管中,增加了 输入电流,这是一个正反馈。如果光耦前向耦合电流增益,也就是输出饱和电流与输入发光二极管电流比值,大于1的话,正反馈就会持续增强,直到光耦输出饱和。

▲ 图1.3 振荡电路原理图
随着电容C1充电电压增加,反馈到输入级电流减小,直到降为0。此时光耦输出级就从饱和退回到电流放大状态,使得R2上的电压减小,而减小的电压反过来通过C1耦合到输入端,使得输入电流进一步减小,直到使得光耦输出截止。
截止后,电源电压通过R1,C1,R2回路形成外部的充电电流,直到C1上的电压超过输入发光二极管的导通电压,光耦再次进入导通状态。上述过程重复形成振荡。

▲ 图 搭建电路运行情况
下面显示了光耦的PIN1端、PIN3端的电压波形。可以看到光耦饱和状态的时间很短,此时对C1的充电是 LED,光耦三极管,C1,输入发光二极管。
光耦截止时间很长,此时对C1的充电回路是R1、C1、R2,因此对应的时间常数比较大。

▲ 图1.4 PIN3(蓝色),PIN1(青色)波形
上述振荡电路工作的条件是光耦的前向耦合电流放大系数大于1 才行。这就涉及到光耦前向电流转移系数。下面通过实际电路测试两个型号光耦前向转移系数。
§02 电路测试
2.1 光耦电压传输特性
手边有两款光耦: PC851-高电压光耦 ,以及 TLP521 下面分别测量它们的电流转移系数。
2.1.1 PC851
PC851是一款输出耐高压的光耦,根据它的手册可以查到对应的电流转移系数
- 电流转移系数比较小,大部分情况下都小于1;
- 电流转移系数与工作电流大小以及环境温度都有关系;
如下图所示。

▲ 图2.1.1 在不同的前向电流与环境温度下的电流传输系数
下面是测量光耦电流转移系数的电路,由于比较简单,大家可以直接在面包板上看到测量原理。
使用万用表分别测量R1,R2上的电压,可以获得输入电流和输出电流。计算它们的比值可以获得电流转移系数。
调节电路的电源电压,从小到大,可以获得不同工作电流下的电流转移系数。

▲ 图2.1.2 测试光耦电流传递系数电路
下面显示了测量电路工作的电压从3V一直到15V,采样100个测试点下的输入电流与输出电流的大小。可以看到只有当工作电压超过11V之后,输出电流的才超过了输入电流,对应的电流系数才能够大于1。

▲ 图2.1.3 光耦输入电流与集电极电流
下图显示了电流转移系数的变化。 由于PC851是耐高压光耦,因此它的光敏三极管的电流增益较小,从而使得光耦前向电流转移系数比较小。

▲ 图2.1.4 光耦电流增益
2.1.2 TLP521
TLP521 是一款低压光耦,被通常应用在电路隔离接口上。它对应的前向电流转移系数相对比较大。通过数据手册也可能看到它的电流转移系数与工作电流和外部环境温度有关系。

▲ 图2.1.5 在不同的前向电流与环境温度下的电流传输系数
下图是使用同样的办法获得TLP512的输入电流与输出电流变化曲线,可以看到它的电流转移系数始终大于1。

▲ 图2.1.6 测量不同的前向电流与集电极电流

▲ 图2.1.7 前向电流系数
2.2 不同工作电压
根据前面分析,可以看到PC851的电流转移系数相对比较小,只有当输入电流超过一定阈值之后,它的电流增益才能够大于1。所以使用PC851搭建前面的振荡电路,则需要比较高的工作电压。
下面验证这个结论,下面使用万用表的频率档测量光耦的PIN3管脚,如果电路震荡,可以读取到输出信号的频率。如果电路不振荡,则万用表读取的频率为0。
为了更好地测量频率,将电路中的反馈电容C1的容量改为10uF,此时电路的振荡频率回答道100Hz左右。
下面是测量工作电压在1V ~ 20V之间,电路振荡频率。

▲ 图2.2.1 不同的工作电压下输出频率
可以看到只有当电压超过11V之后,电路才能够振荡。振荡频率相对比较稳定。
将电路中的光耦更换为TLP521,由于它的电流转移系数比较大,所以电路的工作电压比较低的时候,电路就开始震荡了。下图显示了该电路的振荡频率与工作电流之间的关系。

▲ 图2.2.2 不同的工作电压下输出频率
当工作电压超过19V之后,光耦的工作电流就很,此时TLP512的电流增益下降,电路就会停止工作。
※ 电路总结 ※
光耦是在电路接口中常用到的器件。它的前向电流转移系数随着不同的型号、工作点的不同而会发生变化。本文中的光耦振荡电路则是利用了电流转移系数大于1所带来的电流增益而工作的。通过对PC851、TLP521的电流转移系数的测量,获得了它们电流增益随着工作电流不同变化情况,也验证了光耦震荡电流的工作原理。
■ 相关文献链接:
● 相关图表链接:
- 图 由单个光耦组成的振荡电路
- 图 连接电源之后电路工作情况
- 图1.3 振荡电路原理图
- 图 搭建电路运行情况
- 图1.4 PIN3(蓝色),PIN1(青色)波形
- 图2.1.1 在不同的前向电流与环境温度下的电流传输系数
- 图2.1.2 测试光耦电流传递系数电路
- 图2.1.3 光耦输入电流与集电极电流
- 图2.1.4 光耦电流增益
- 图2.1.5 在不同的前向电流与环境温度下的电流传输系数
- 图2.1.6 测量不同的前向电流与集电极电流
- 图2.1.7 前向电流系数
- 图2.2.1 不同的工作电压下输出频率
- 图2.2.2 不同的工作电压下输出频率
from headm import * # =
from tsmodule.tsvisa import *
from tsmodule.tsstm32 import *
dp1308open(107)
dp1308p25v(10)
R1 = 2492
R2 = 467.7
vdim = linspace(3, 15, 100)
iffdim = []
iccdim = []
ratio = []
for v in vdim:
dp1308p25v(v)
time.sleep(2)
meter = meterval()
iff = meter[2] / R1*1000
icc = meter[0] / R2*1000
iffdim.append(iff)
iccdim.append(icc)
r = icc/iff
ratio.append(r)
printt(iff, icc, r)
tspsave('measure', iff=iffdim, icc=iccdim, r=ratio)
plt.plot(iffdim, label='Forward Current')
plt.plot(iccdim, label='Collect Current')
setpltrange()
plt.xlabel("Sample")
plt.ylabel("Current(mA)")
plt.grid(True)
plt.legend(loc="upper left")
plt.tight_layout()
plt.show()
- 1
- 2
- 3
- 4
- 5
- 6
- 7
- 8
- 9
- 10
- 11
- 12
- 13
- 14
- 15
- 16
- 17
- 18
- 19
- 20
- 21
- 22
- 23
- 24
- 25
- 26
- 27
- 28
- 29
- 30
- 31
- 32
- 33
- 34
- 35
- 36
- 37
- 38
- 39
- 40
- 41
- 42
- 43
文章来源: zhuoqing.blog.csdn.net,作者:卓晴,版权归原作者所有,如需转载,请联系作者。
原文链接:zhuoqing.blog.csdn.net/article/details/122304815
- 点赞
- 收藏
- 关注作者
评论(0)