有人工裁判,就会有争执
这几天看了韩国平昌冬奥会中国短道速滑遭遇判罚以及后面申诉情况,就越发感觉到只要存在人工判罚环节,就会可能产生争执。对于滑冰运动规则我不太懂的,这里还是回来讨论一下智能车竞赛中可能会存在的人工裁判环节吧。

前天介绍了智能车竞赛自动比赛系统,对于五个赛道组别(光电四轮、电磁三轮、直立组、追逐以及节能组)比赛过程可以避免人工裁判。但还存在信标对抗组,在决赛阶段,如何确定每个车模灭灯得分的问题,现在的比赛系统还无法自动识别。
去年暑期,在常熟理工学院举办的第12届总决赛中,信标对抗组决赛阶段的判别是依靠场外独立的六个个裁判员,分成两组各自对场上两个对抗车模得分别进行记分,然后根据统计结果确定胜出的队伍。
对抗阶段是按照预赛成绩排序进行分组比赛的,采用三轮两胜制完成晋级,可以在一定程度上避免偶然因素对于比赛结果的影响。在每一轮晋级比赛中,预赛成绩靠前的队伍与预赛成绩靠后的队伍进行对抗,大部分情况下,比赛结果还是比较容易区分的。往往是强队碾压着弱队完成比赛,比分相差比较悬殊。

但每一轮总有一两次对抗是由成绩相当队伍进行比赛,所得分数大体相当。此时,裁判的误判就会直接影响到队伍晋级 。车模运行速度非常快,即使通过录像慢镜头回放,有时也很难确定某一个信标究竟是由哪一辆车模触发的。在两支队伍比赛成绩相差一分或者两分的时候,就会引起参赛队伍对于裁判成绩的争执。我现在还清晰记得,令人尊敬的蒋朝根教授在比赛过程中,一边帮助进行车模检查,一边给我看在信标对抗组中可能存在误判的录像过程。
去年六月初,在清华大学召开的第12届智能车竞赛组委会扩大会议上,针对信标对抗比赛如何计算对抗两个车模各自得到多少分的问题进行了讨论,三江学院的花怀海教授提出了一个非常简单方便的方法,用于比赛系统分别记录对抗车模的得分。

这个方法就是比赛前,对抗车模上的触发充磁铁在安装时,分别令其S极,N极朝下。这样在磁铁经过信标周围的感应线圈时,所产生的电磁感应脉冲信号的极性变化是不同的,由此,信标电路可以判断此时触发的是那一辆比赛的车模。
花教授后来对此作了实验,并给我发送过来实验结果的录像,显示这种方式能够工作。经过针对花老师提出的方案和结果进行复现之后,发现当磁铁安装在车模上时,车模经过感应线圈所产生的信号非常复杂(详见前天推文中的数据)。因此仅仅通过信号的极性进行判断,在实际车模运行是会存在很大概率的误判。
这两天,心里一想到智能车竞赛中双车对抗环节的漏洞,心里感到有如芒刺在背,鱼刺在喉,需要在寒假开学前解决这个遗留的问题。

今天早上来办公室的路上,想起解决这个问题可以换一个思路,那就是不让比赛系统本身检测由哪一个对抗车模触发信标,而是让车模本身检测是否触发了信标。
利用信标组本身的检测线圈当做发射天线,当信标检测到磁标经过时,就通过电容耦合进检测线圈一个高频信号进行发射,高频信号时间长度设定为10mS。
在比赛车模上安置一个标准检测模块,其中包括有一个小接收线圈,检测高频信号并记录。只有当接收线圈已经位于信标的检测线圈范围内的时候,才能够检测到足够强度的高频信号并记录下来,距离信标线圈远的车模就不会检测到该信号。

在比赛之后,只要查看比赛车模上检测模块所记录的高频信号检测结果(次数和强度),便可以两个车模比赛结果。
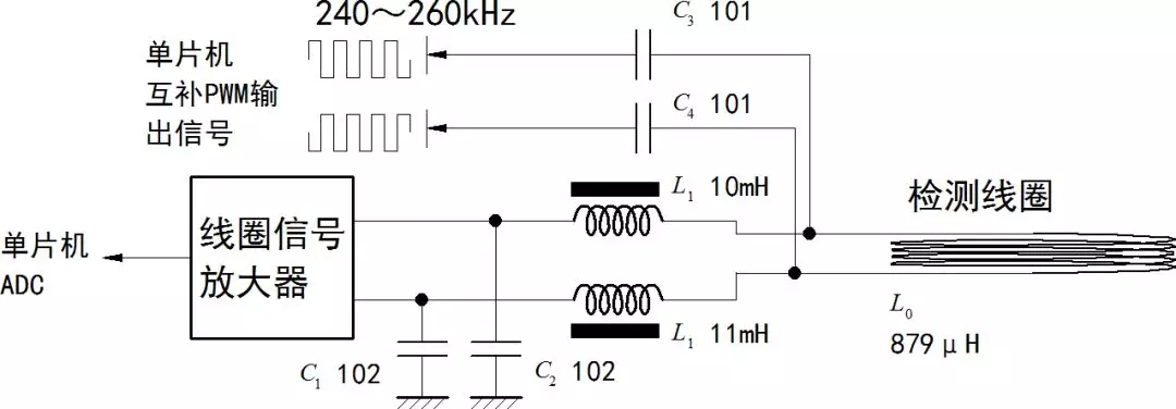
这种方案一方面需要在一原来信标检测线圈电路的基础上,增加高频信号耦合电容(C3,C4),它将来自单片机产生的高频信号接入检测线圈。通过匹配耦合电容和线圈电感,使得检测线圈发生高频谐振,提高发送高频信号的功率。

在电路中在增加电感电容滤波电路(C1,C2,L1,L2),减少高频信号对于原来放大电路的冲击。下面图片显示了实验电路中检测线圈发送高频信号波形以及原来线圈放大电路的信号波形。由于线圈信号放大电路增益很高(1000倍左右),输出信号中包含了很强的50Hz的干扰信号。

从上图来看,发射高频震荡信号仅在发送阶段对原来信号放大电路 有一些影响,发送结束之后,原来电路就很快恢复到原来的输出电压波形。因此,增加了高频发送信号对于原来检测功能影响不大。
在比赛车模上安装的检测模块包括有检测线圈和检测电路两部分。将触发磁铁与检测线圈中心对齐,安放在车模底盘下面,这样不仅可以保证车模对于信标检测线圈可靠触发,同时也能够使得在触发后,检测线圈也进入了信标线圈范围内,能够及时检测到10ms的高频信号。

检测电路部分包括有单片机、电池以及显示LCD,它们制作在 一个很小的电路板上,这样可以方便固定在比赛车模上。由单片机对于来自检测线圈中的高频信号进行解调与测量,记录在单片机内FLASH中,并显示在LCD上。
通过快速制板,组装起两个测试电路。一个是模拟信标;一个是模拟车模上检测模块电路。通过实验证明,每次检测模块通过信标检测线圈的时候,都可以准确无误的接收到高频信号,并记录下信号的个数与强度。

在比赛中,如果两个车模几乎同时到达同一个信标的时候,那么它们都会检测到高频信号。此时就需要对比它们记录高频信号的强度,来确定此次触发得分应该归于那个车模。
文章来源: zhuoqing.blog.csdn.net,作者:卓晴,版权归原作者所有,如需转载,请联系作者。
原文链接:zhuoqing.blog.csdn.net/article/details/104120741
- 点赞
- 收藏
- 关注作者
评论(0)