寄生电容
X9C102,X9C103,X9C104是美国Xicor公司的高精度数字电位器,电位器的阻值和型号的后缀数字相同,分别是1k(102), 10k(103),100k(104)等。

X9C104最小应用板外形
这类器件具有数字设置以及掉电保存设置的功能,可以替代一般的电位器对模拟电路的一些参数进行修改,使得电路能够的一些参数能够比较容易进行修改。

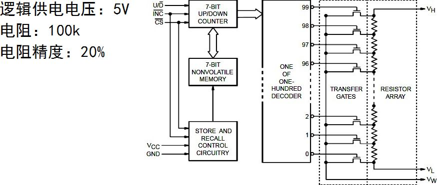
X9C104的内部逻辑结构
如果使用X9CXXX系列的电位器处理直流或者低频交流信号,它的精度和线性特性还是非常好的。
下图显示了对于X9C104的一百个中间抽头位置所对应的电阻测量值绘制的曲线,看可以看出电位器的精度还是非常高的。

对于X9C104中间抽头对电阻测量值
使用X9C104对于直流电压或者低频交流信号进行分压,分压输出与X9C104的中间抽头的位置之间也具有非常好的线性性质。
下图显示了对于10Hz低频交流信号进行分压输出的效果,即输出信号随着电位器中间抽头位置变化而基本上线性增加。

对于10Hz低频信号的分压输出与抽头位置之间的关系
但是,如果信号的频率继续增加,数字电位器的分压比就与电位器中间抽头的位置的关系就逐渐不是线性关系了。
下图显示了频率为20Hz的时候,输出信号的幅值与电位器中间抽头位置之间的关系:

对于20Hz低频信号的分压输出与抽头位置之间的关系
输出电压与中间抽头位置之间就不再是线性变化,反映了数字电位器的分压比与中间抽头位置关系也发生了变化。
上面特性显示了数字电位器与实际机械电位器之间的区别。
如果继续增加信号的频率,这种非线性就会变得越来也明显。下面分表显示了频率为50,100, 200,1000,2000,5000,10000等不同频率下,实际测量的数据结果。

对于50.18Hz信号的分压输出与抽头位置之间的关系

对于100.2Hz信号的分压输出与抽头位置之间的关系

对于200.8Hz信号的分压输出与抽头位置之间的关系

对于505.3Hz信号的分压输出与抽头位置之间的关系

对于1000.4Hz信号的分压输出与抽头位置之间的关系

对于2000.2Hz信号的分压输出与抽头位置之间的关系

对于5004.7Hz信号的分压输出与抽头位置之间的关系

对于10047Hz信号的分压输出与抽头位置之间的关系
从上面测量不同频率下数字电位器分压效果来看,频率越高,输出分压比与电位器活动端位置之间就越发呈现非线性。
仔细观察输入输出之间的波形也会看到它们之间存在着相位差。这说明,数字电位器中除了电阻之外,还存在着比较多的寄生电容,它们影响了X9C104器件在高频下的性能。

下面是将上面不同频率下的分压比与电位器活动端位置之间的关系绘制在同一张图表中。

不同频率下数字电位器的分压比与电位器活动端位置之间的关系
为了分析这些寄生电容对于X9C104的影响,下面假设器件的活动端对地和电源之间分别具有寄生电容C1,C2,具体结构如下图所示:

数字电位器中的寄生电容简化结构
为了分析方便,这里假设寄生电容C1,C2是固定值,与活动端的位置没有关系。
在此情况下,可以得出对不同频率下,输入输出之间的关系表达式:

数字电位器等效电路输入输出之间的表达式
上面公式中r表示电位器的分压比,因此r*R代表中间抽头到地之间的电阻值。符号//表示并联关系,从而简化了表达式的书写。
上面的电容参数可以使用手持RLC表进行测量。如下是测到的一组测量近似关系:

使用上述参数,假设所使用的输入电压UI=2.2V,可以计算出输出电压在频率分别是10,20,50,100,200,500,1000,2000,5000,10000Hz下的电压曲线,对比前面测量的结果,可以看出它们之间是非常接近的。这说明上面假设的寄生电容电路具有很大的合理性。

使用前面假设的寄生电容参数,绘制的输出电压与分压比r之间的曲线
如果数字电位器应用在交流信号电路中,则需要考虑到寄生电容对于电路的影响。
为了降低寄生电容的影响,除了考虑电路的拓扑结构,电路的工作频率之外,也可以使用X9C102这类总阻值小的电位器,这可以降低寄生电容对于电路阻抗的影响。
文章来源: zhuoqing.blog.csdn.net,作者:卓晴,版权归原作者所有,如需转载,请联系作者。
原文链接:zhuoqing.blog.csdn.net/article/details/104134132
- 点赞
- 收藏
- 关注作者
评论(0)