同步整流
在今年智能车竞赛和电子竞赛中都有一组无线充电车模运行的赛题。其中如何有效接受无线电能是提高成绩的一个重要的设计内容。在对无线电能接收线圈高频信号进行整流中,部分队伍选用的同步整流电路。

同步整流器(Synchronous Rectifier),也被称为主动整流器(Active Rectifier),主要是用来提高二极管整流电路的效率。将整流电路中的二极管使用有源开关器件替代,比如三极管,MOS管等,它们在与交变电压相同频率控制信号作用下同步工作在导通和截止状态下,从而形成整流效果。
由于它们的开关是与被整流信号同步的,所以此类整流器被称之为同步整流器,或者主动整流器。
使用同步整流器的原因,就是因为普通的二极管进行整流的时候,在导通状态下,二极管两端会有稳定的电压降。
虽然,对于硅二极管它的导通电压通常为0.6V,但是用作整流电路,工作在额定大电流通过的情况下,这个导通压降会高达1V左右。

使用肖特基(Schottky)二极管可以降低导通压降,但导通压降仍然是一个问题,特别是在要求电路效率非常高的情况下,更是需要解决的问题。此时,同步检波可以提供甚至比起肖特基整流二极管更加高效的整流效果。
在典型的二极管整流电路中,普通的二极管在被前向偏置的时候自动导通,在被反向偏置的时候截止。可以使用一个主动开关器件(比如三极管、MOS管等)实现相同的开关作用。由于这些主动器件的优势就是他们的导通电压、导通电阻要比二极管低得多。
由于主动器件的开关准时,即与被整流的波形完成同步,同步整流由此得名。
通过功率MOSFE是用于同步整流的理想器件,他们有着非常低的导通电阻(R
DS),R
DS可能只有几十mΩ,甚至更少,因此器件的压降就比二极管两端的压降低得多了。如果想进一步减低MOS功率管两端的压降损失,可以将若干个MOS管并联使用。
使用同步整流器所遇到的困难就是它要求同步控制电路相对比较复杂,控制电路通常包括电压检测电路、信号调理电路、MOS管驱动电路等。
在设计控制电路中最关键的因素就是确保在整流回路相对立的器件不能够同时打开,否则就会造成局部断路,从而烧坏整流电路。所以,控制电路需要确保开关器件在切换过程中没有同时打开的时刻。
完成同步整流通常有两种方案:
第一种方案就是有交流信号产生原始电路给出同步信号。比如在DC-DC变换电路中,初级振荡电路在对输入直流电源进行交变逆变的时候,同时给出同步整流信号。这种方案通常需要有电源隔离器件,比如光耦器件、脉冲隔离变压器等,它往往需要占用电路板面积,同时也限制同步频率的提升。

第二种方案就是由通过对整流开关器件两端电压信号进行独立检测产生同步信号。整流开关器件在导通和截止两者状态下两端的电压极性会发生转变。通过对开关器件两端电压差进行检测,确定开关器件是否导通,从而提供正确的驱动信号施加在开关器件的控制端。
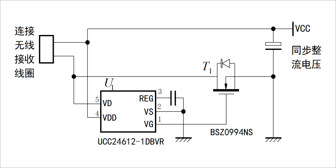
下面电路是简易的自驱动同步整流电路,现在控制开关MOS管都是有专用集成电路来完成,电路效率将会更高。

控制电路打开和关断开关器件的条件是不同的。在开关器件在截止状态下,控制电路检测器件两端的电压是否发生前向反转,从而确定打开开关器件。在开关器件导通的情况下,控制电路是检测流过开关器件的电流是否减小到零,从而迅速关掉开关器件。
在上海海事大学节能组技术报告中使用了一种同步整流,采用TI的UCC24612-1系列同步整流控制器,对无线接收电能进行同步整流。

在上海海事大学节能组技术报告中并没有给出使用上述方案比起普通的肖特基倍压整流二极管式之间的效率对比。这一点在参加今年电子设计大赛的同学给出了整流小刘对比数据:UCC24612同步整流控制器和场效应管替代传统的整流二极管,可以消除二极管正向导通电压降带来的损耗,使无线充电的效率最高可达70%以上,使用了同步整流可以将无线充电效率提高10%左右。
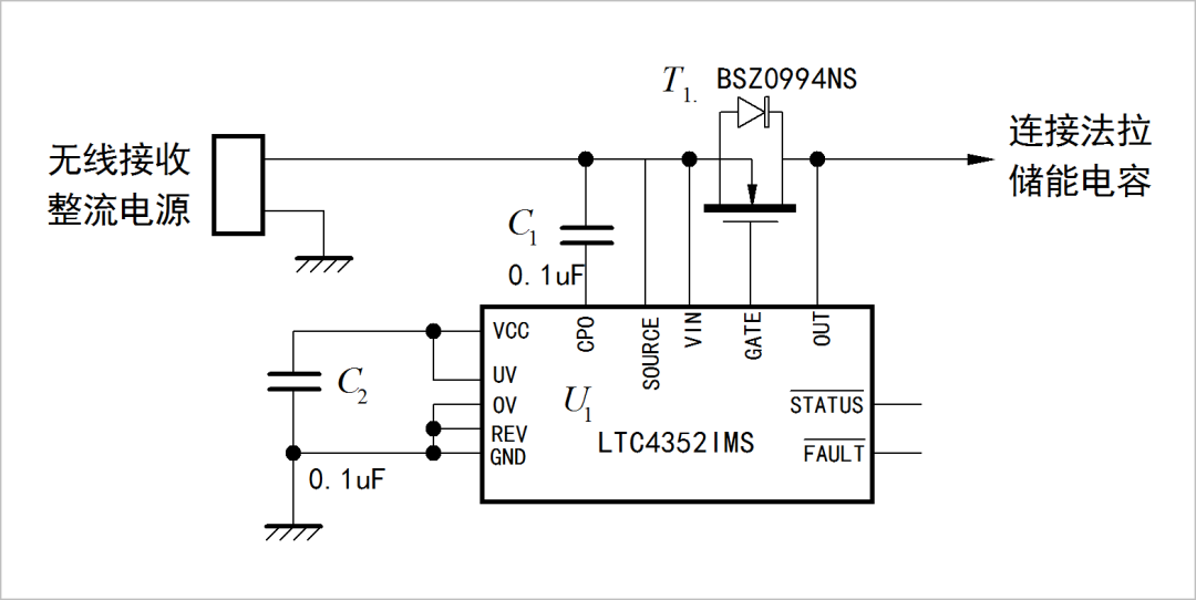
技术报告中还提到了理想二极管电路:采用ANALOG DEVICES的LTC4352理想二极管控制器,代替传统二极管隔离无线充电与超级电容对主电源的控制。以降低损耗二极管导通损耗。

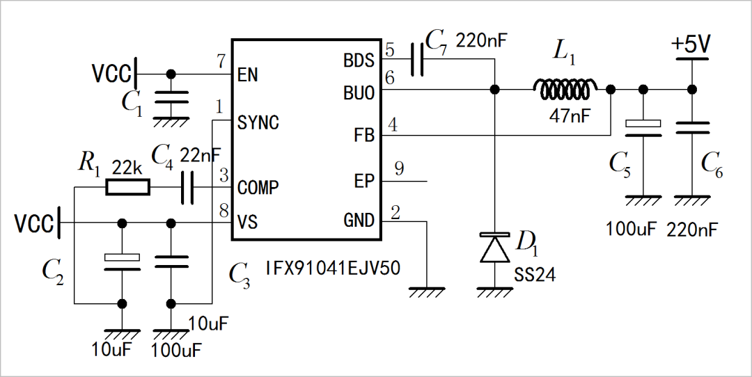
电路中广泛采用了开关DCDC变化电路完成电路中各种低压电源转换,大大提高的电能的利用效率。采用两路5V稳压电路分别为激光雷达与主要设备供电,采用Infineon的IFX91041-5.0降压DC-DC转换器,该芯片为宽电压(4.75V至45V)输入,能够适应市面上绝大多数锂电池供电,最大电流输出为1.8A,支持软启动,可由单片机控制电路启动。

赛题建议
卓大大,建议明年出一个电磁信号干扰区,就像今年断路一样,可以有好几根导线并在一起,也可以去掉导线成为一个电磁盲区,避免有的学校直接全部用电感就能跑完。
文章来源: zhuoqing.blog.csdn.net,作者:卓晴,版权归原作者所有,如需转载,请联系作者。
原文链接:zhuoqing.blog.csdn.net/article/details/104134060
- 点赞
- 收藏
- 关注作者
评论(0)