低压差降压稳压电路设计

TPS73xx系列(TPS7301,25,30,33,48,50等)是一款低压差串联型降压稳压芯片,可以提供500mA的稳压电流,在输出100mA电流的情况下,输入输出电压压差可以最多不超过35mV,这可以大大提高稳压电源的效率,或者提供大的电源稳压范围。
除了主要提供电源稳压功能之外,芯片内部还集成了电压检测模块,可以输出低电平RESET信号,为供电的微控制器、处理器提供复位功能。

TPS7333管脚分布,SOP8小型封装
近期正好有款电子设计需要使用低压差稳压电路,在应用之前对该稳压芯片的稳压基本性能做一些测试。
下面是测试该芯片的基本电路,其中没有使用它的RESET信号。在输出中串联了50毫欧姆的电阻用于测量输出电流。

测量电路原理图
使用快速制版制作建议的测量电路,焊接SOP封装的TPS7333芯片。
通过程控稳压电源提供TPS7333的输入电压,这样便可以测量该芯片对于输入电压的稳压效果。

实际测量实验电路
TPS7333的输出电压与输入电压的关系可以有下面动图显示。它显示了输入电压从0V一直增加到6V过程中,输出电压的实测变化过程。此时,TPS7333的输出连接一个固定的50欧姆的负载电阻。
这个输入输出关系曲线分为三个部分:在输入电压大约小于2V之前,输出电压为0V;在输入电压大于2V,小于3.3V之前,输出电压基本呈现线性变化的关系,即输出电压基本上等于输入电压;在输入电压大于3.3V之后,输出电压呈现饱和,即稳压在3.3V左右。

TPS7333的输出电压与输入电压之间的关系
下面显示了输入电压从3.2V变化到6V过程中,将TPS7333从线性输出转变到稳压输出过程进行放大显示。
由于负载是50欧姆的电阻,此时输出电流大约为66mA。图中的曲线显示在输出3.3V的时候,输入电压几乎也是3.3V。实际的十几毫伏的压差在图中显示不太显著。

TPS7333输出电压与输入电压之间的关系
当输入电压再从3.3V增加到6V的过程中,输出电压略微上涨,但基本上维持在3.32V之内。表明了TPS7333的良好的稳压效果。这些都满足其数据手册中给出的在输入电压变化到10V的范围内,输出稳压变化小于29毫伏的指标。
下图显示了在输入电压为5V,输出电流变化到450mA过程中,输出电压实测变化曲线。输出电压从3.31V降低到3.291V,变动很小,表明等效串联电阻很小。

输入5V情况下,输出电压与稳压输出电压曲线
将输入电压降低到4V,输出电压与输出电流之间的关系如下图所示:

输入4V时,输出电压与稳压电压关系曲线
下图对比了两种输入电压下,输出电压对稳压的影响曲线。两种情况下输出电压曲线基本一样。

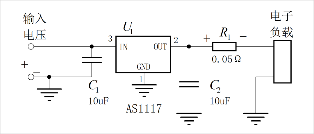
下面给出了另外一种常用的3.3V稳压芯片的测试对比结果。AS1117-3.3V是原来电路板中所使用的稳压芯片。希望替换成TPS7333芯片。
下面是对1117基本稳压性能测试电路原理图:

AS1117稳压性能测试原理图
实验电路使用相同的采样电路测量输出电流,输入电压使用程控可变电源提供电压。测试原理与TPS7333 一样。

测试AS1117实验电路
下图给出了输入电压与输出电压的实测关系曲线。曲线大体也分为三个阶段:当输入电压小于0.7V的时候,输出电压基本为0V。当输入电压大于0.7V小于4.5V的时候,输出电压呈现线性增加。当输入电压高于4.5V之后,输出电压稳定在3.3V左右。

AS1117-3.3V输入电压与输出电压关系曲线
将AS1117和TPS7333的实测数据曲线绘制在一起进行对比,可以明显看到他们的差别。TPS7333输入电压稳压起始点是3.35V左右,比起AS1117的4.65V扩展了1.3V。这使得TPS7333的电压稳压范围大大增加了,提高了电路抵抗电压波动的范围。

TPS7333与AS1117输入输出电压曲线
在输入电压为5V的情况下,测量AS1117输出电流与输出电压之间的关系曲线,居然出现十分罕见的
负阻抗特性。即随着输出电流增加,AS1117的输出电压居然上升。
具有负阻抗输出特性的电路极易产生震荡。在AS1117稳压电路中,如果输入和输出回路的滤波电容设置不好,会造成输出电压包含有震荡波形。

AS1117的输出电压与稳压电压之间的关系
下图对比了TPS7333和AS1117两款串联降压稳压电路输出电流与电压曲线。可以明显看出两者之间的区别。TPS7333下降的特性,表明它存在正的串联电阻,稳压电路工作的稳定性好。

对比TPS7333和AS1117输出电流与电压曲线
为了保证TPS7333稳压电路稳定,输出不发生震荡,需要在它的输出端增加滤波电容和补偿串联电阻(CSR)。
在TPS7333数据手册中给出了滤波器电容上所串联的CSR的允许范围。当CSR过小(小于0.3欧姆)或者过大(大于5欧姆)都会引起TPS7333输出不稳定。

保留TPS7333工作稳定时,输出电容的补充串联电阻允许范围
在实际设计电路中,由于普通的电容都会有等效串联电阻,它是由电容的杂散漏电、介电损失等引起的等效电阻,所以通常不需要额外为TPS7333输出电容增加补偿串联电阻。

电容的等效串联电阻
TPS7333内部还集成了反向保护二极管,当输入电压小于输出电压的时候,输出电压会通过反向保护二极管流向输入端,以保护内部电路的安全。节省外部保护电路设计。
会飞的车模
会飞的车模
文章来源: zhuoqing.blog.csdn.net,作者:卓晴,版权归原作者所有,如需转载,请联系作者。
原文链接:zhuoqing.blog.csdn.net/article/details/104134025
- 点赞
- 收藏
- 关注作者
评论(0)