提问与回答:全国大学生智能汽车竞赛的第十五届的7月中旬问答

◎ 卓老师您好,我们是做电磁AI组的,最近发现了一个很头疼的问题,小车在过十字的时候会抖动,我们在十字处观察adc采集值,发现最左边的电感1和最右边的电感5竟然相差了将近100多的数值,是不是因为互感现象?但是我们每个电感间距离超过两厘米了,还会有这么严重的互感吗? 而且我们发现在进入十字某一处两个电感对应的adc采集值会变得很悬殊,是不是因为神经网络将这个情况与弯道相似,误判成弯道了,或者和弯道的情况拟合相似?

▲ 车模上的电磁传感器
□ 回复: 空间磁场分布是一个矢量分布。同一位置的电磁场的具有强度和方向。每个电感所感应的电感强度不仅与距离电磁线的距离有关系,而且和它们方向有关。所以需要你特别关注一下你所使用的电感传感器在安装时的角度。另外,电磁线在周围的磁场还会受到地面下金属物影响、临近赛道的影响等、赛道形状等。所以电磁传感器所得到的数值并不与赛道呈现左右对称的关系。
◎ 卓大大,双车接力的时候,接球的车的摆放方式必须是要在赛道中间嘛?还是我们可以自己选择,比如往两边偏一偏
□ 回复: 规则并没有对双车接力时在赛道中心进行描述,因此是可以偏在一边的。
◎ 卓老师,安徽赛区推迟到秋季比赛,是不是国奖的评定也要等安徽赛区比完才能定吗?这样会影响到很多同学的保研。
□ 回复: 这部分是由安徽省教育厅决定的。已经脱离了我们竞赛组织者管理范围了。
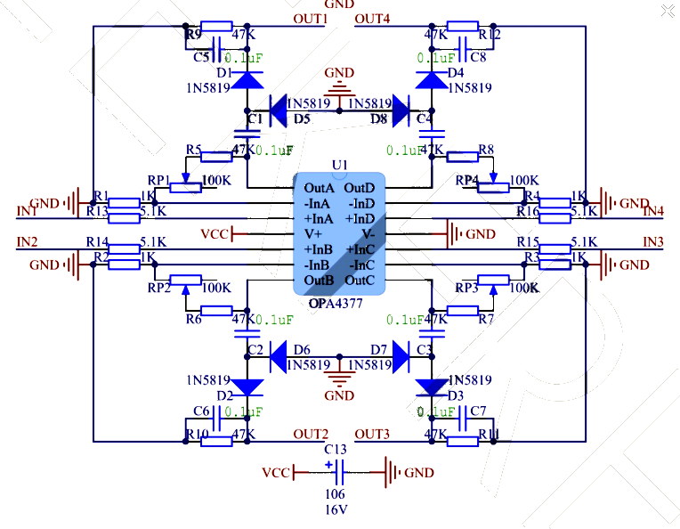
◎ 卓大大我们opa4377运放,按照逐飞的操作来的但是经过一个二极管之后波形没有了,是怎么回事啊

▲ 电磁检波原理图
□ 回复: 对于电路故障可能会有很多的猜测 :解决它并不困难:只要1)你理解电路的原理;2)懂得调试测量工具的使用;就可以了。所有的电路皆如此。你这样隔空问我,我既不知道你是否懂得电路的 原理,也不知道你究竟测量了哪些环节,以及测量的结果,我怎么回答你呢?
但是不太懂这个运放为什么做出来是半波的(正弦波)
- 这个单电源工作的运放是无法输出负电压的;就提示的这儿了;
- 实际上这种半波的波形只要低通滤波就可以得到其中的直流量的,不需要进行检波。
- 可以CSDN中搜索精密检波 查看之前的技术文章。
◎ 卓大大,这样的球可以吗?

▲ 双车接力的小球
□ 回复:
◎ 卓大大请教一下,华南赛区的可以申请换赛区吗
□ 回复: 今年由于受到疫情的影响,就无法更换赛区了。
◎ 卓大大,分享两张用h车画出来的光绘。

▲ 信标灯车模的流光倩影
□ 回复:
◎ 卓老师,我们这个球符合规则吗?

□ 回复: 允许的。不过怎么和前面的同学制作的一模一样的呢?这个小怪物是什么?
◎ 卓老师,请问一下,不小心把所有pcb的logo放在了丝印层,这样可以吗?

□ 回复: 这应该不符合规则要求的呀。
◎ 桌老师 我有点信号与系统的问题想请教您 能加个您的微信吗?

□ 回复:可以的呀。
◎ 卓大大,请问今年节能组的最大充电功率和赛道长度是多少呀,没有找到相关的文档
□ 回复:二十号公布。
◎ 卓大大这个球改成这样能用吗?

□ 回复:可以的。
文章来源: zhuoqing.blog.csdn.net,作者:卓晴,版权归原作者所有,如需转载,请联系作者。
原文链接:zhuoqing.blog.csdn.net/article/details/107419513
- 点赞
- 收藏
- 关注作者
评论(0)