2021年春季学期-信号与系统-第二次作业参考答案-第四小题

本文是 2021年春季学期-信号与系统-第二次作业参考答案 的参考答案。
▌第四题
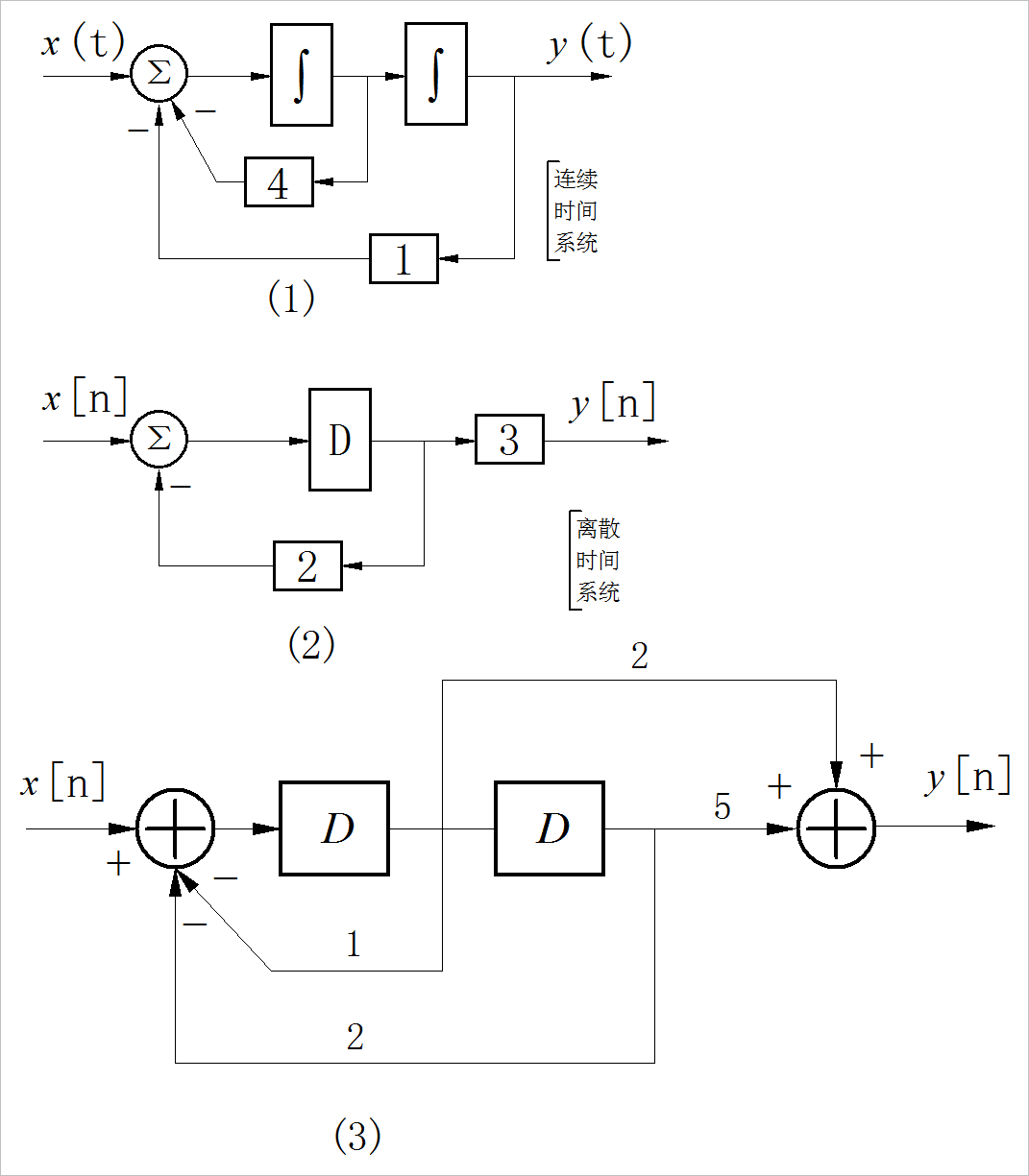
4 .试写出下图所示的系统输入、输出关系。

求解:
(1)第一小题
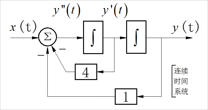
在原来系统框图的基础上,增加节点变量 y ′ ( t ) , y ′ ′ ( t ) y'\left( t \right),\,\,y''\left( t \right) y′(t),y′′(t)。

▲ 系统框图
然后在根据综合器列写出方程:
y ′ ′ ( t ) = − 4 y ′ ( t ) − y ( t ) + x ( t ) y''\left( t \right) = - 4y'\left( t \right) - y\left( t \right) + x\left( t \right) y′′(t)=−4y′(t)−y(t)+x(t)
化简成标准的描述连续时间系统的微分方程的形式:
y ′ ′ ( t ) + 4 y ′ ( t ) + y ( t ) = x ( t ) y''\left( t \right) + 4y'\left( t \right) + y\left( t \right) = x\left( t \right) y′′(t)+4y′(t)+y(t)=x(t)
(2)第二小题
在系统框图上增加对应节点的变量。

▲ 系统框图
根据综合器列写出差分方程:
1 3 y [ n + 1 ] = − 2 3 y [ n ] + x [ n ] {1 \over 3}y\left[ {n + 1} \right] = - {2 \over 3}y\left[ n \right] + x\left[ n \right] 31y[n+1]=−32y[n]+x[n]
然后整理成标准的后向差分方程形式:
1 3 y [ n ] + 2 3 y [ n − 1 ] = x [ n − 1 ] {1 \over 3}y\left[ n \right] + {2 \over 3}y\left[ {n - 1} \right] = x\left[ {n - 1} \right] 31y[n]+32y[n−1]=x[n−1]
(3)第三小题
在系统两个综合器之间的节点设置临时变量 m [ n ] , m [ n − 1 ] , m [ n − 2 ] m\left[ n \right],m\left[ {n - 1} \right],m\left[ {n - 2} \right] m[n],m[n−1],m[n−2]。

▲ 系统框图
然后根据两个综合器分别列写出两个差分方程:
m [ n ] + m [ n − 1 ] + 2 m [ n − 2 ] = x [ n ] m\left[ n \right] + m\left[ {n - 1} \right] + 2m\left[ {n - 2} \right] = x\left[ n \right] m[n]+m[n−1]+2m[n−2]=x[n]
y [ n ] = 2 m [ n − 1 ] + 5 m [ n − 2 ] y\left[ n \right] = 2m\left[ {n - 1} \right] + 5m\left[ {n - 2} \right] y[n]=2m[n−1]+5m[n−2]
使用算子方法来消除中间变量 m [ n ] m\left[ n \right] m[n]。
第一个差分方程可以表示成:
x [ n ] = ( 1 + D + D 2 ) m [ n ] x\left[ n \right] = \left( {1 + D + D^2 } \right)m\left[ n \right] x[n]=(1+D+D2)m[n]
第二个差分方程可以表示成:
y [ n ] = ( 2 D + 5 D 2 ) ⋅ m [ n ] y\left[ n \right] = \left( {2D + 5D^2 } \right) \cdot m\left[ n \right] y[n]=(2D+5D2)⋅m[n]
上面两个算子方程相除:
x [ n ] y [ n ] = 1 + D + D 2 2 D + 5 D 2 {{x\left[ n \right]} \over {y\left[ n \right]}} = {{1 + D + D^2 } \over {2D + 5D^2 }} y[n]x[n]=2D+5D21+D+D2
所以,
( 2 D + 5 D 2 ) x [ n ] = ( 1 + D + D 2 ) y [ n ] \left( {2D + 5D^2 } \right)x\left[ n \right] = \left( {1 + D + D^2 } \right)y\left[ n \right] (2D+5D2)x[n]=(1+D+D2)y[n]
则系统的差分方程为:
y [ n ] + y [ n − 1 ] + y [ n − 2 ] = 2 x [ n − 1 ] + 5 x [ n − 2 ] y\left[ n \right] + y\left[ {n - 1} \right] + y\left[ {n - 2} \right] = 2x\left[ {n - 1} \right] + 5x\left[ {n - 2} \right] y[n]+y[n−1]+y[n−2]=2x[n−1]+5x[n−2]
※ 附录
■ 相关文献链接:
- 2021年春季学期-信号与系统-第二次作业参考答案-第一小题
- 2021年春季学期-信号与系统-第二次作业参考答案-第二小题
- 2021年春季学期-信号与系统-第二次作业参考答案-第三小题
- 2021年春季学期-信号与系统-第二次作业参考答案-第四小题
- 2021年春季学期-信号与系统-第二次作业参考答案-第五小题
- 2021年春季学期-信号与系统-第二次作业参考答案-第六小题
- 2021年春季学期-信号与系统-第二次作业参考答案-第七小题
- 2021年春季学期-信号与系统-第二次作业参考答案-第八小题
- 2021年春季学期-信号与系统-第二次作业参考答案-第九小题
- 2021年春季学期-信号与系统-第二次作业参考答案-第十小题
文章来源: zhuoqing.blog.csdn.net,作者:卓晴,版权归原作者所有,如需转载,请联系作者。
原文链接:zhuoqing.blog.csdn.net/article/details/114821575
- 点赞
- 收藏
- 关注作者
评论(0)