对于150kHz导航信号放大检波天线保护电路

摘要: 在一般的无线接收电路中,天线感应的信号往往很小,一般不会对于输入电路造成很大的破坏。但是在对于 信标节能电路模块第二版本调试-无线充电-2021-3-21 电路中由于是采用JFET对于工字型电感谐振电路直接进行放大。由于接受电路是由移动的车模带动移动,有可能直接移动到无线发送线圈上,所以可能会感应的电压非常大。本文将讨论如何通过根据检波电压反过来对于输入端口进行保护。
关键字:150kHz导航信号,天线保护,智能车竞赛,节能信标组
§01 高频信号放大检波
在针对 第十六届全国大学智能车竞赛 中的节能信标组中的150kHz无线导航信号进行放大与检波中,通过自己小型的工字型电感与谐振的电容组成了对于导航信号的选频,并送入后面进行放大。在 测试基于2SK241的150kHz的高频放大器 给出了直接使用JFET对于天线信号进行放大检波的方案,增益高,便于调试。
1.直放检波存在危险
在使用JFET对天线信号进行直接放大检波的过程中,由于输入放大器的阻抗很高(在1MΩ左右),因此天线可能出现的谐振高压会损坏JFET输入极。特别是当天线安装在移动的车模平台移动到无线发送线圈上的时候,在谐振电容上会产生非常高的电压,这将会直接烧坏高频放大JFET。

▲ 将无线节能线圈直接放置在接收谐振天线线圈上
下图显示了直接将无线充电线圈放置在谐振天线上,出现的峰峰值高度700V的谐振电压!

▲ 将发送天线放在接收电感上,出现的谐振电压
2.解决方案
可以直接在输入端通过增加二极管钳位来限制输入电压的幅值,但这种方式将会增加输入不确定的分布电容。另外一种方式就是根据检波输出信号然后通过使用开关三极管对输入端进行保护。比如下图所示的情况。

▲ 对于天线输入电路进行保护
从理论上来讲,上面的电路应该能够工作。但是现在需要通过实验来验证上述电路的确能够对于输入信号起到保护作用。
§02 测试保护电路
1.搭建测是电路
在面包板上搭建测试电路,如下:

▲ 在面包板上搭建测试电路
- 测试电路基本参数:
-
R0:470Ω
Rt1:10kΩ
Rt2:10kΩ
2.测试限幅
将信标无线发送线圈放置接收测试电路1米附近。此时如果将上面限幅T2去掉,输出倍压检波为2.58V。
将限幅T2接入,测试在不同的Rt1的阻值下,输出的检波电压:
| TR2阻值(kΩ) | 1 | 2 | 3 | 4 | 5 | 6 | 7 | 8 | 9 | 10 |
|---|---|---|---|---|---|---|---|---|---|---|
| 检波输出(V) | 2.36 | 1.91 | 1.614 | 1.423 | 1.239 | 1.119 | 1.119 | 1.062 | 1.01 | 0l.969 |
如果Rt1=无穷大,检波输出为 0.559V。
3.保护测试
(1)保留R0,T2
选择 R T 1 = 2.5 k Ω R_{T1} = 2.5k\Omega RT1=2.5kΩ,下面将无线发送线圈直接放置在测试电路上面。测量得到输出电压为:4.98V。此时电路没有损毁。
(2)只保留R0
那么如果没有上述保护电路会出现什么情况呢?将T2去掉,保留R0,无线线圈放置在发送装上面,倍压检波输出为5.67V。此时电路没有损坏.
(3)将R0去掉
现在将所有的保护去掉,做一下这个测试。之所以留到最后测试,是因为这个过程可能会将T1损坏。
经过测试,一切没有事。现象和上面保留R0的现象一样。
看来虚惊一场
※ 实验总结
在开始以为需要对于这个谐振天线进行保护,但是经过测试之后,发现不需要。好吧,不需要保护情况就比较简单了。
下图显示了在将无线发送线圈放置在接收线圈上,在JFET的2SK241的栅极接收到的电压波形。居然没有事情,安然无恙。

▲ 将发送线圈放在接收线圈上,T1栅极的电压
此时倍压检波输出为:7.128V。
关于2SK241栅极与源极之间的击穿电压测试情况参见: 实验测试2SK241的g-s击穿电压
看来我是多虑了…
⊙ 补充内容
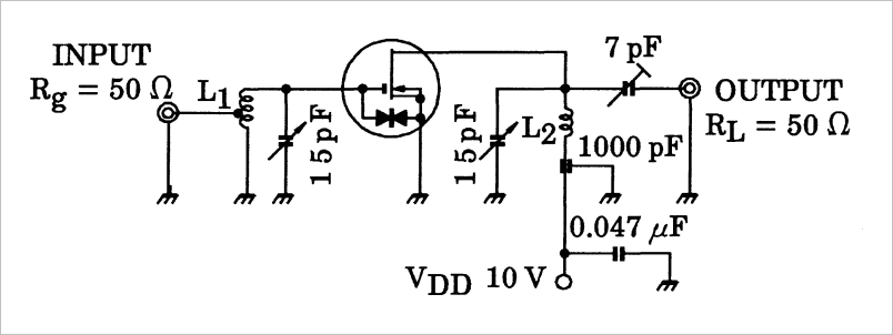
在 2SK241中文资料 给出了 2SK241内部的结构。下图为2SK241数据手册中给Gps,NF测试电路,其中对于2SK241的g-s之间内部具有两个背对背的二极管。这个结构可以在正反击穿之后,对于2SK241起到保护作用。

▲ 2SK241数据手册中给Gps,NF测试电路
在下面的表格,2SK241数据手册给定的Maximum Rating。其中Gate-Source的电压限制在±5V之内。所以在上面的测量到谐振高压下 2SK241的g极电压波形,在±14V被限幅。这说明Gate-Source之间的击穿电压大约为14V。这个击穿是可以恢复的。

▲ 2SK241数据手册给定的Maximum Rating
■ 相关文献链接:
- 信标节能电路模块第二版本调试-无线充电-2021-3-21
- 第十六届全国大学智能汽车竞赛竞速比赛规则
- 测试基于2SK241的150kHz的高频放大器
- 2SK241中文资料
- 实验测试2SK241的g-s击穿电压
文章来源: zhuoqing.blog.csdn.net,作者:卓晴,版权归原作者所有,如需转载,请联系作者。
原文链接:zhuoqing.blog.csdn.net/article/details/116400111
- 点赞
- 收藏
- 关注作者
评论(0)