表贴光电池 FU-NJL6402R-2 的特性
【摘要】
▌01 表贴光电池
1.基本参数
今天收到了 1×1mm贴片式硅光电池激光接收器感光面1×1mm光敏二极管太阳能电池 ,型号:FU-NJL6402R-2,它是PIN...

▌01 表贴光电池
1.基本参数
今天收到了 1×1mm贴片式硅光电池激光接收器感光面1×1mm光敏二极管太阳能电池 ,型号:FU-NJL6402R-2,它是PIN类型的光电管。
- 器件基本参数:
-
产品名称:1×1mm贴片式硅光电池
产品型号:FU-NJL6402R-2
接收面尺寸:1×1mm
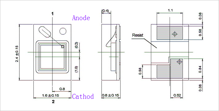
封装尺寸:2.4×1.6×0.8mm(长 宽高)
波长:405nm/650nm/780nm

▲ FU-NJL6402R-2 频率特性
2.外形与封装

▲ 光电池照片

▲ 封装与极性
3.基本检测电路

▲ 基本检测参考电路
▌02 特性测量
焊接在PIN上的光电池,这样便于测量。

▲ 焊接在PIN上的光电池
1.静态特性
(1)二极管特性
使用数字万用表测量光电池两极,可以测量出二极管特性。正向二极管导通电压:0.667V。
(2)光伏电压
- 在桌面光线下,测量光电池两端电压:0.387V。
- 在暗盒中,测量光电池两端电压:0.1mV
测量光伏电压与光强之间的关系。根据 LED的电流与光强之间的关系 ,利用白色LED的工作电流表示环境光强度,然后测量光伏电压的变化。
vset = linspace(2.3, 3.2, 50)
for v in vset:
dh1766volt(v)
time.sleep(5)
curr = dh1766curr()
meter = meterval()
idim.append(curr)
vdim.append(meter[0])
printff(v, curr, meter[0])
tspsave('ilmeas', i=idim, v=vdim)
- 1
- 2
- 3
- 4
- 5
- 6
- 7
- 8
- 9
- 10

▲ 补光电流(反映光强)与光伏电压之间的关系
2.反向电流
使用补光LED来施加给定的光信号。测量补光LED的工作电流与光电管的反相电流之间的关系。
- 测量电路参数:
-
反向电压:+5V
串联电流采样电阻:10kΩ
下图显示了补光电流与反向电流(由电流采样电阻上的电压表示,采样电阻为10kΩ)之间的关系。

▲ 补光电流(光强)与反向电流(mA)
在上面侧两个过程中,在补光电流在0.03A附近,输出电压在0.1V出现的折线,应该是测量FLUKE45数字万用表在档位切换过程中出现的测量延迟造成的。实际在此处应该是线性关系。
在开始(补光电流在0A )附近,漏电流出现小小的缓起,这应该是由于补光的白色LED在弱电流下的发光效率低造成的。
▌实验结论 ▌
通过实验测量le光电池的基本特性。特别是他的反相电流与补光之间的线性关系。
■ 相关文献链接:
文章来源: zhuoqing.blog.csdn.net,作者:卓晴,版权归原作者所有,如需转载,请联系作者。
原文链接:zhuoqing.blog.csdn.net/article/details/115999456
【版权声明】本文为华为云社区用户转载文章,如果您发现本社区中有涉嫌抄袭的内容,欢迎发送邮件进行举报,并提供相关证据,一经查实,本社区将立刻删除涉嫌侵权内容,举报邮箱:
cloudbbs@huaweicloud.com
- 点赞
- 收藏
- 关注作者
评论(0)