小型荧光驱动电路实验电路
➤01 荧光灯驱动电路(Electronic Ballast)
在如下两个博文中,对于小型的荧光灯进行的分析:
其中驱动电路大都采用 高压小功率三极管 MFV13001 组成电感互感推挽振荡电路,在配置有外围的LC谐振电路驱动荧光管发光。
下面使用MFV13001组成实验电路进行测试。MFV13001的电流放大倍数(hfe)大约在30左右,比起普通的NPN三极管小一个数量级。这是它能够工作在高压下的一个折中。

▲ MFV13001基本参数
➤02 测试电路
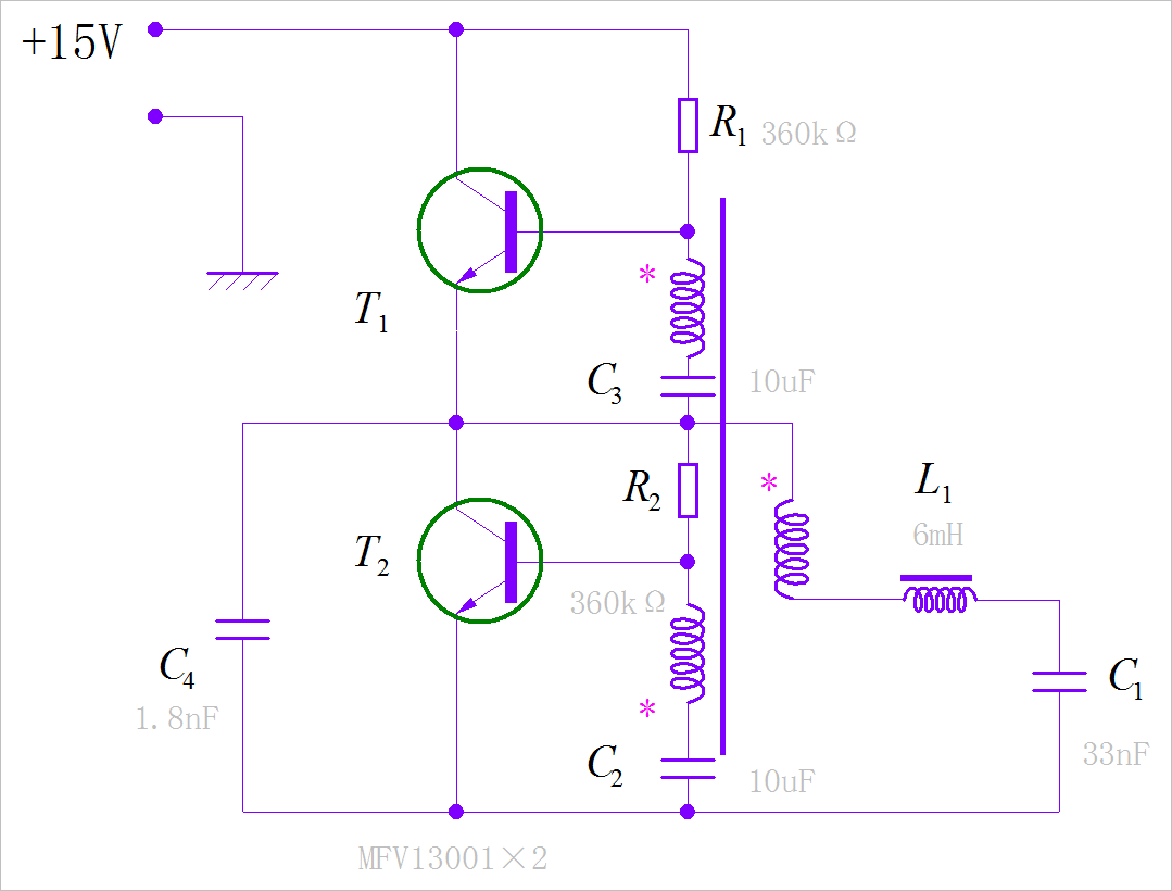
使用在小功率电子镇流荧光灯相关实验中的大部分的元器件进行实验。由于所使用的实验电路的电压较低(+15V),所以将T1,T2的偏置电阻由原来的5.6M欧姆减小到360kΩ。
1.实验电路SCH

▲ 实验电路
2.面包板实验电路

▲ 实验电路
3.电路振荡波形
下图显示了电感耦合之后的振荡波形。
振荡频率大约:f=47.6kHz.

▲ T1基极波形(蓝色),T1发射极(青色)波形
注意:对于T1的基极电压,应该是在原来的其T1的E电极波形相互叠加后的电压波形。
电路分析:
- T2的基极电压变化非常小,远远小于 T1基极的电压。

▲ 测量T2的基极电压波形(青色)
注:这是由于T1的基极波形是叠加了实际输出电压的波形。而T2的基极波形是对GND的电压波形。因此,这个波形应该属于正常的反馈的电压波形。而T1的基极电压波形具有“自举”电压信号特性。
- 电路震荡频率:
已知电路中主要的谐振器件是由L1,C1,C4组成的谐振电路。由于C4,并联的谐振频率:
L = 6 m H , C 4 = 33 n F , C 1 = 1.8 n F L = 6mH,\,\,C_4 = 33nF,\,\,\,C_1 = 1.8nF L=6mH,C4=33nF,C1=1.8nF
根据LC并联谐振公式,可以计算L,C4的并联谐振频率为:
f o s c = 1 2 π C 4 ⋅ L = 1 2 π 1.8 × 1 0 − 9 × 6 × 1 0 − 3 f_{osc} = {1 \over {2\pi \sqrt {C_4 \cdot L} }} = {1 \over {2\pi \sqrt {1.8 \times 10^{ - 9} \times 6 \times 10^{ - 3} } }} fosc=2πC4⋅L1=2π1.8×10−9×6×10−31 = 48.43 k H z = 48.43kHz =48.43kHz
这个频率与实际测量的振荡频率:47.6kHz很接近了。
➤03 电路谐振
1.修改C1
在上面电路中,C1取值偏大,所以在C1上的电压很小。下面将C1修改成1.5nF,此时,在C1,L1就形成的谐振。下图中青色显示了在C1上的电压,其峰峰值超过了400V。
此时电路振荡呈现了间歇振荡的情况。

▲ 将C1修改成1.5nF之后的振荡波形

▲ T1,T2间歇振荡的波形
T1基极波形(蓝色)
C1波形(青色)
间歇振荡的原因是由于T1,T2的基极呈现b-e整流特性所引起的。由于T1,T2的b-e之间的整流特性,这使得它们的b极的电压偏置随着振荡下降,直到T1,T2截止,停止震荡。然后随着偏置电阻对C3,C4的充电,进而它们的基极电压恢复,重新恢复进入放大状态,电路重新震荡。
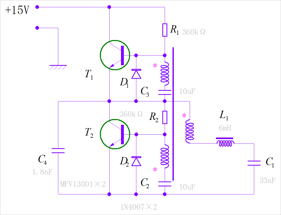
根据原来电路图设计,在T1、T2的基极反向并联有二极管-R串联电路,用来抵消b-e的二极管整流特性。
2.增加基极反向二极管
在原来电路的T1,T2的b-e之间增加反向二极管(1N4007),来消除b-e的整流特性,从而消除原来的间歇振荡的情况。

▲ 增加D1,D2后的电路
增加D1,D2之后,电路便可以持续振荡了。在C1上出现的谐振点电压大约400V。

▲ 电路振荡波形
T1基极波形(蓝色)
C1电压波形(青色)
3.点亮荧光管
下面是将工作电压提高到25V是,C1上的电压:此时C1上的电压大约是峰峰值650V。根据 小功率电子镇流荧光灯相关实验 中测量荧光管的击穿电压大约1200V。所以这个谐振电压还不足以点亮荧光管。

▲ 电路振荡波形
将电路的工作电压提高到50V。同时将T1、T2的基极电压偏置电阻由原来的360kΩ提高的1M欧姆。将荧光管两端连接到C1的两端,可以看到荧光管可以被点亮。
注意:此时并没有将荧光管的电阻丝串联在谐振回路中,也就是此时荧光管点亮时,灯丝是冷的。

▲ 谐振电压点亮荧光灯管
下面是荧光管被电流之后,L1上的电压,C1上的电压波形。

▲ 点亮之后谐振电容波形(青色)
4.将荧光管灯丝串入谐振回路
将灯丝串入谐振回路,可以看到荧光灯管的发光效率明显提高了:
- 灯管明显变明亮;
- 整个电路工作电流有最初的60mA降低到23mA左右。

▲ 灯管灯丝串入谐振回路

▲ 荧光灯丝串入谐振回路提高发光效率
从上面的动图可以看到荧光管在点亮过程中的两个阶段:第一阶段是灯丝还是冷状态,荧光管比较暗淡。过了一会儿,当灯丝变热之后,灯管发光明显变强了。
➤※ 结论
通过实验对于小型荧光电路工作原理进行验证。通过对比可以看到灯丝串入谐振电路,灯丝发热会明显提高电路的工作的效率。
实验电路对于实际电路进行了简化。
■ 相关文献链接:
文章来源: zhuoqing.blog.csdn.net,作者:卓晴,版权归原作者所有,如需转载,请联系作者。
原文链接:zhuoqing.blog.csdn.net/article/details/109700443
- 点赞
- 收藏
- 关注作者
评论(0)