交流继电器短路环
➤01 交流继电器磁路短路环
在 交流线圈磁芯上的短路铜片 博文中给出了磁路上的铜制短路环的存在。
在百度百科的 短路环 中对此进行了阐述:
短路环通常由康铜或镍铬合金制成,通常用在交流接触器上。
交流接触器短路环的作用是消除衔铁产生的振动和噪声,对于单相交流电磁机构,磁通是交变的,磁通过零时吸力也变为零,吸合后的衔铁在反作用弹簧的作用下将被拉开,磁通过零后吸力增大,当吸力大于反力时衔铁又吸合。这样随交流电的频率变化,衔铁吸力每周两次过零,衔铁产生强烈振动和噪声,甚至使铁心移动。为此需在铁心端面上装一个用非磁性材料如铜制成的分磁环或称短路环 [1]

▲ 交流继电器磁芯上的铜质短路环 
为了消除振动和噪声,设想若把单相交流电磁机构铁心柱面上的磁通分成两部分,并使这两部分交变磁通之间有一定的相位差,则由其产生的电磁吸力间也存在一定的相位差,这样,虽然在每部分电磁吸力各自都有到达零值的时刻,但相互错开,而二者的合成吸力没有到达零值的时刻,如合成吸力在任一时刻都大于反力,衔铁便被吸牢,振动得以消除 [4] .

▲ 交流接触器短路磁环 

▲ 交流电磁机构的实际吸力曲线 
➤02 测量相位差
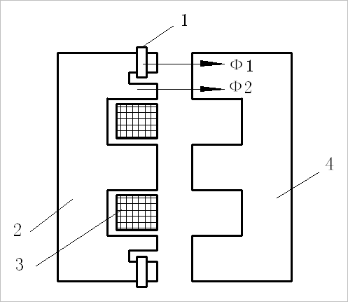
为了验证上述的分析,测量由于短路环所带来的磁芯磁场相位的变化,使用 线性霍尔传感器A1302 测量在交流线圈磁芯上的短路铜片中磁芯不同位置上的磁场变化信号。

▲ 使用霍尔传感器测量磁铁端部两个部分的磁场 
直接对比示波器显示屏幕上的两路霍尔传感器的输出信号,不太容易得着他们之间的相位差。

▲ 两个部位磁场信号 
将示波器的显示模式转至X-Y显示模式,可以看到它不再是一个标准的直线,而是由于相位差所形成的扁平椭圆的曲线。这表明两者之前存在着较小的相位差。

▲ XY显示模式显示两个部位的磁场 
➤※ 结论
通过实验验证了交流继电器磁芯上由于短路环所带来的磁铁磁芯表面不同位置的相位变化。从而可以使得磁芯所带来的磁场吸引力不再变成零。减少了继电器的震动。
使用示波器的X-Y显示模式,显示两个正弦信号的李萨如图,可以将两个信号之间的相位差放大显示。
 
 ■ 相关文献链接:
文章来源: zhuoqing.blog.csdn.net,作者:卓晴,版权归原作者所有,如需转载,请联系作者。
原文链接:zhuoqing.blog.csdn.net/article/details/109704251
- 点赞
 - 收藏
 - 关注作者
 
            
           
评论(0)