Tennessee Eastman(TE)田纳西-伊斯曼仿真平台应用试验与分析
上次说到典型相关分析,在故障诊断邻域用及,下面来实操。
这里是几个数据集下载及相关文档的Link:
MATLAB代码:http://depts.washington.edu/control/LARRY/TE/download.html#Basic_TE_Code
卡玛拉姆/田纳西-伊士曼-prof Braatz——GitHub:https://github.com/camaramm/tennessee-eastman-profBraatz
标准的正常和故障数据集来自 Washington大学网站:http://brahms.scs.uiuc.edu
TE
田纳西-伊斯曼(TE)仿真平台
依据实际化工反应过程,美国 Eastman 化学公司开发了具有开放性和挑战性的化工模型仿真平台-Tennessee Eastman(TE)仿真平台,其产生的数据具有时变、强耦合和非线性特征,广泛用于测试复杂工业过程的控制和故障诊断模型。(这个介绍感觉都介绍烂了 ⟶ \longrightarrow ⟶来自网络)

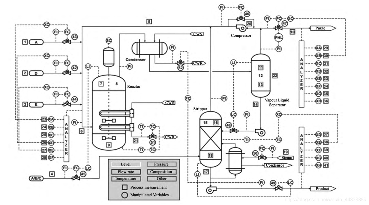
TE(Tennessee Eastman) Benchmark 实验平台是模拟美国 Eastman 化学公司一个实际的化工联合反应
过程。该平台是一个开放的非常具有挑战性的化工模型试验平台, 主要由连续搅拌式反应釜、 分凝器、 气液分离塔、 汽提塔、 再沸器和离心式压缩机等多个操作单元组成, 该过程的流程示意图如图 1 所示。三种气体反应剂 A、 D 和 E 直接进入反应釜。进料 C 和一定量的进料 A 通过分凝器进入过程。
更多关于TE的介绍可参考此篇Paper:WANG Yinming,YANG Jianbo,XU Donglin.Environmental impact assessment using the evidential reasoning approach[J].European Journal of Operational Research,2006,174(3):1885- 1913.
TE 过程一共有 11 个操作变量和 41 个过程变量。在确定过程监测变量时, 选取常用的与过程运行状况紧密相关的几个过程变量, 其中 11 个操作变量 XMV(1) ~ XMV(11)作为输入, 分别为物料 D(流量 2)、 物料 E(流量 3)、 物料 A(流量 1)、 物料 A 和 C(流量 4)、 压缩机循环阀、 放空气阀、 分离器液体流量、 解吸塔蒸汽阀、 反应器冷水流量、 冷凝器冷水流量。成分 F、 G 和 H 作为输出变量。(源自一篇Paper)
建模数据集具体可根据自己的需求来建立。
运用CCA对TE过程参数进行监控,具体分析步骤在这里,我们可以得到监控的 T 2 T^2 T2统计值,检验CCA的有效性:
由监测结果可知,对过程故障较为敏感,如上图中,在数据样本快达到第200个,监测到了故障,故障检测率与输入变量的操作有一定的关系,故会出现一定的偏差。
到这里,本菜又想到了一个改进的地方,Paper见吧!
Reference:
[1] CHEN Zhiw en,DING S X,ZHANG Kai,et al. Canonical correlation analysis- based fault detection methods with application
to alumina evaporation process[J].Control Engineering Practice,2016,46:51-58.
❤坚持读Paper,坚持做笔记❤!!!
To Be No.1哈哈哈哈
创作不易,过路能❤关注、收藏、点个赞❤三连就最好不过了
ღ( ´・ᴗ・` )
❤
文章来源: blog.csdn.net,作者:府学路18号车神,版权归原作者所有,如需转载,请联系作者。
原文链接:blog.csdn.net/weixin_44333889/article/details/119413890
- 点赞
- 收藏
- 关注作者
评论(0)