小小串联电阻,大大的作用
大家好,我是记得诚。
在很多电路中都会串联小阻值的电阻,别小看它们,其实作用很大。
1、SPI信号线

SPI信号上串联电阻,一般是几十欧姆左右,一般有如下几个作用:
1)阻抗匹配。因为信号源的阻抗很低,跟信号线之间阻抗不匹配,串上一个电阻后,可改善匹配情况,以减少反射。
2)SPI的速率较高,串联一个电阻,与线上电容和负载电容构成RC电路,减少信号陡峭,避免过冲,过冲有时候会损坏芯片GPIO,当然对EMI也有好处,尤其是高速电路。
3)调试方便,现在的芯片很多是BGA、QFN封装,串联一个电阻,调试时用示波器抓取波形方便。
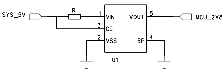
2、LDO输入端

当LDO的VIN absolute maximum接近电源电压时,这时候又不想换高规格的LDO,为了节省成本,这时可以串一个小阻值电阻,能吸收一部分电压和电流,当电源端出现更大的浪涌时,电阻会身先士卒,代价更小。
假设LDO击穿,VIN和GND短路,因为串联电阻R的存在,也会避免电源SYS_5V与GND的短路。
3、TVS前后串联电阻
TVS串联电阻一般有两种接法,图A电阻在TVS前,图B电阻在TVS后,两种电路使用场景是不一样的。

电阻在TVS前面

电阻在TVS后面
先问大家一个问题,电阻和TVS那个抗浪涌能力强,答案毋庸置疑,当然是TVS。
1)对图A来说,首先要考虑浪涌大小,如果不大,可以选择一个合适功率的电阻,电阻在TVS前面,会吸收很小一部分的电流,浪涌电流IPP小了之后,对应TVS的Vc(钳位电压)也会变小,对后端负载的保护更好。

TVS等效模型
2)对图B来说,TVS首先吸收大部分的浪涌电流,部分残压或者残流,会经过电阻R2,进行二次的分压限流,可以更好的保护后端负载。如果后端负载远大于R2,分压限流也就微乎其微了,R2其实也就没啥作用了。
今天的文章内容到这里就结束了,希望对你有帮助,我们下一期见。
- 点赞
- 收藏
- 关注作者
评论(0)