聊聊身边的嵌入式,方便好用的人体感应灯丨【拜托了,物联网!】
让我们先看看它的外包装


这个小的电子设备挺实用的,可以放在衣柜、过道等地方,所谓智能就是指光线暗时感应到有人经过自动点亮,人离开后自动熄灭,光线好时有人经过也不亮。
再来看看它的正面照和背面照


作为一个嵌入式从业者,怎么能只看外表不关注内部呢。于是忍不住把它给拆了,拆解方法是揭开上边右图标签纸,拧掉下面的两颗螺丝,然后使劲掰开即可。
这是熟悉的味道,看到了PCB板,再来一张放大的图
板子背面无器件
核心元器件如下:
-
可充电式聚合物锂电池,型号:CLY502030 ,参数:3.7V 200mAh
-
锂电池管理芯片
-
Micro USB座,用于充电
-
拨动开关,用于使能工作是否
-
LED灯,总共7个
-
单片机,丝印被打磨掉了,应该是个简单的8位机
-
光敏二极管,利用半导体材料的光特性实现二极管的开关功能,用来检测光线明、暗情况
-
红外热释电传感器(PIR),型号:NS312
PIR是Pyroelectric ("Passive") Infrared 的简写,它的工作原理是检测人或动物发射的红外线并转换成电信号输出。
这个传感器在使用时头上为什么要套一个塑料帽呢?防尘用的吗?
说到这里,那就得简单说说这个PIR传感器的工作原理了。
PIR传感器本身内部有两个slot,每个slot均由对IR敏感的特殊材料制成。当传感器处于idle状态时,两个slot都检测到相同量的IR,即从房间或墙壁等辐射的环境量。当像有温度的人或动物经过时,它首先会拦截PIR传感器的一半,这会导致二者之间出现正的差分变化。当人或动物离开感应区域时,情况会发生相反的变化,从而使传感器产生负的差分变化。就是靠检测这个脉冲的变化来判断是否有人或动物经过。
理解了这个原理,再看到下面这个现象你就不会觉得奇怪了,比如当你靠近感应灯时它会亮,如果你一直站在那里不动,一会灯就会熄灭,只有当你再次移动,它才会亮。
红外传感器本身是位于密封的金属罐中的,以提高抗噪声/温度/湿度的能力。靠的是下图中间黑色窗口部分来接收红外线的。内部是上面说的两个sensor。
原理上如下:
图片来源于RE200B Datasheet
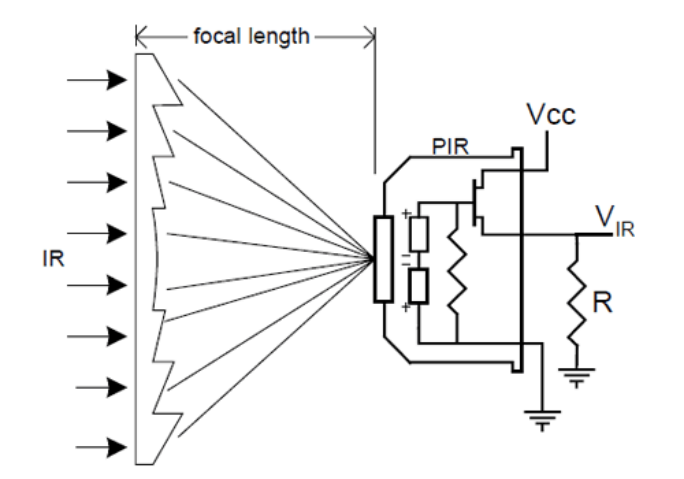
如果只是这样,那么它检测的范围就只是个矩形区域,范围很小,可以通过加上菲涅尔透镜 (Fresnel lens) ,情况就发生了改变,它可以使光线折射,聚光从而增大检测区域。
图片来源于Cypress Application Note AN2105
现在检测范围是扩大了。 但是,还记得之前说的吧,内部其实有两个传感器,更重要的是,我们不希望有两个非常大的感应矩形区域,而是要分散多个小区域。 因此,我们要做的是将透镜分成多个部分,每个部分都是菲涅耳透镜,这也就是我们看到的那个小帽子,你看它是被分割了很多个小块。并且为明区和暗区,使进入检测区的移动物体能以温度变化的形式在PIR上产生变化热释红外信号,这样PIR就能产生变化电信号。
整个系统框图如下:
一个小小的电子设备背后藏着不少的知识呢。
【拜托了,物联网!】有奖征文火热进行中:https://bbs.huaweicloud.com/blogs/299476
- 点赞
- 收藏
- 关注作者
评论(0)