计算机组成原理实验:静态随机存储器实验
学生实验报告
实验课名称:计算机组成原理
实验项目名称:静态随机存储器实验
一、实验名称:
静态随机存储器实验
二、实验目的:
(1)掌握静态随机存储器RAM工作特性
(2)掌握静态随机存储器的数据读写方法
三、实验要求:
通过一个静态存储器随机实验,了解静态存储器的组成原理、工作原理,了解静态存储器的基本结构,设计一个利用静态随机存储器读写数据的实验。
四、实验内容:
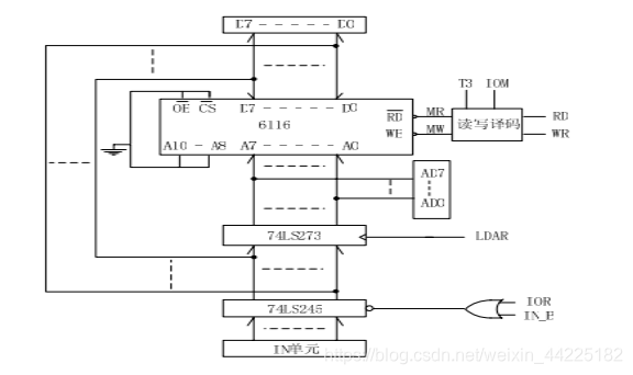
实验所用的静态存储器由-片6116 (2KX 8bit)构成(位于MEM单元),如下图所示。6116有三个控制线: CS (片选线)、OE (读线)、WE (写线),其功能如表2-1-1所示,当片选有效(CS=0)时,OE=0时进行读操作,WE=0时进行写操作,本实验将CS常接地。

由于存储器(MEM)最终是要挂接到CPU上,所以其还需要一个读写控制逻辑,使得CPU能控制MEM的读写,实验中的读写控制逻辑如图2-1-2所示,由于T3的参与,可以保证MEM的写脉宽与T3-致, T3由时序单元的TS3给出(时序单元的介绍见附录2)。IOM用来选择是.对I/O还是对MEM进行读写操作,RD=1时为读,WR=1时为写。

实验原理图如图2-1-3所示,存储器数据线接至数据总线,数据总线上接有8个LED灯显示D7…D0的内容。地址线接至地址总线,地址总线上接有8个LED灯显示A.7…A0的内容,地址由地址锁存器(74LS273, 位于PC&AR单元)给出。数据开关(位于IN单元)经一个三态门(74LS245) 连至数据总线,分时给出地址和数据。地址寄存器为8位,接入6116的地址A7…A0, 6116 的高三位地址A10…A8接地,所以其实际容量为256字节。

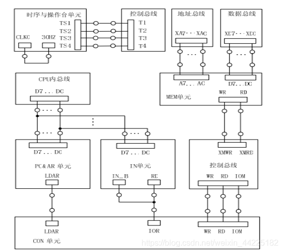
实验箱中所有单元的时序都连接至时序与操作台单元,CLR都连接至CON单元的CLR按.钮。实验时T3由时序单元给出,其余信号由CON单元的二进制开关模拟给出,其中IOM应为低(即MEM操作),RD、WR高有效,MR和MW低有效,LDAR高有效。
五、实验设备及工具:
PC机一台,TD-CMA实验系统一套
六、实验过程详述:
(1)关闭实验系统电源,按图2-1-4连接实验电路,并检查无误,图中将用户需要连接的信号用圆圈标明。
(2)将时序与操作台单元的开关KK1、KK3置为运行档、开关KK2置为‘单步’档。
(3)将CON单元的IOR开关置为1 (使IN单元无输出),打开电源开关,如果听到有‘嘀’报警声,说明有总线竞争现象,应立即关闭电源,重新检查接线,直到错误排除。

(4)给存储器的00H、01H、02H、03H、 04H 地址单元中分别写入数据11H、12H、 13H、14H、15H。 由前面的存储器实验原理图(图2-1-3)可以看出,于数据和地址由同-一个数据开关给出,因此数据和地址要分时写入,先写地址,具体操作步骤为:先关掉存储器的读写(WR=0,RD=0), 数据开关输出地址(IOR=0), 然后打开地址寄存器门控信号(LDAR=1),按动ST产生T3脉冲,即将地址打入到AR中。再写数据,具体操作步骤为:先关掉存储器的读写(WR=0,RD=0) 和地址寄存器门控信号(LDAR=0), 数据开关输出要写入的数据,打开输入三态门(IOR=0), 然后使存储器处于写状态(WR=1, RD=0, IOM=0),按动ST产生T3脉冲,即将数据打入到存储器中。写存储器的流程如图2-1-5所示(以向00地址单元写入11H为例)

(5)依次读出第00、01、02、03、04号单元中的内容,观察上述各单元中的内容是否与前面写入的一致。同写操作类似,也要先给出地址,然后进行读,地址的给出和前面一样,而在进行读操作时,应先关闭IN单元的输出(IOR=1), 然后使存储器处于读状态(WR=0,RD=1,IOM=0),此时数据总线上的数即为从存储器当前地址中读出的数据内容。读存储器的流程如图2-1-6所示(以从00地址单元读出11H为例)

如果实验箱和PC联机操作,则可通过软件中的数据通路图来观测实验结果(软件使用说明请看附录1),方法是:打开软件,选择联机软件的“[实验] - [存储器实验]”,打开存储器实验的数据通路图,如图2-1-7所示。进行上面的手动操作,每按动一次ST按钮,数据通路图会有数据的流动,反映当前存储器所做的操作(即使是对存储器进行读,也应按动一次ST按钮,数据通路图才会有数据流动),或在软件中选择“[调试]一[ 单周期]”,其作用相当于将时序单元的状态开关置为‘单步’ 档后按动了一次ST按钮,数据通路图也会反映当前存储器所做的操作,借助于数据通路图,仔细分析SRAM的读写过程。

七、实验结果与分析:
结果
预先向内存中写入数据后,再逐一读取内存的内容,通过观察指示灯可以得出内存中的内容与写入的数据一致。
分析
预先在规定的内存中写入数据,通过控制WR、RD等控制信息,在IN单元拨动数据,向内存中写入数据。然后同样利用WR、RD等控制信息,将内存单元中的数据输出到OUT单元,通过指示灯可以判定数据的正确与否。
八、心得体会:
在本次实验中,自己对存储器的了解更近深了一点。实验以前,只是认为存储器只是用来存储数据、指令的一个空间,CPU对它的操作无非就是简单的读、写操作,在系统内部的实现过程应该都是很简单。但是当自己动手做完这个实验后,发现在自己看来很简单的读、写操作,在处理的时候具有会这么有条不紊,而且其严谨程度令人学习。通过本次实验,自己了解了通过IN单元输入数据,然后将其送入内存空间、将内存空间中的数据取出,送入OUT单元。在数据流动的过程中,每个CPU周期所执行的操作是不一样的。但是有相同点的就是第一步都是先提取指令、放入指令寄存器…在进行上述操作时,数据流的控制由微指令控制。最后通过读取内存单元的数据,对比输入数据,发现一致的时候,觉得计算机的工作方式设计真的厉害,将我们平时常规的操作划分成一套有序的逻辑控制,从而完成我们需要进行的操作。
文章来源: haihong.blog.csdn.net,作者:海轰Pro,版权归原作者所有,如需转载,请联系作者。
原文链接:haihong.blog.csdn.net/article/details/113741626
- 点赞
- 收藏
- 关注作者
评论(0)