华为云IoT智慧物流案例03 | 传感器、LCD屏调试
网络功能失效的前因后果
在第二章节拷入自己的设备树文件.dtb后,后面网络功能(Gigabit Ethernet)总会自动失效,信息提示如下:

解决办法:
挂载U盘通过U盘重新烧录正常的设备树文件.dtb后重启就可以恢复网络功能
具体操作如下:
- 先将完好的
.dtb文件拷贝至U盘保存 - 将U盘插入开发板中,进入
dev目录查看对应设备添加
- 用
mount命令挂载U盘:
mount sda1 /home/root/usb/

4. 用cp命令拷贝设备树文件至boot目录,umount命令取消挂载:
umount /dev/sda1 /home/usb
- 重启
reboot
- 网络恢复正常

- 板子上的
IP地址可能会更改,scp命令可能因为记录了之前ssh连接标识验证导致发送失败

解决方法:将公钥信息清除
ssh-keygen -R 接收方ip

第一章 调试SHT30温湿度传感器
1. 查找SHT30的Datasheet和E53拓展板原理图
Datasheet




温湿度计算公式:

原理图


2. 根据SHT30设备地址通过i2c tools工具进行验证
i2c tools下载链接:https://mirrors.edge.kernel.org/pub/software/utils/i2c-tools/
解压后文件目录如下:

进入tools目录,里面有i2c常用的扫码工具
用i2cdetect检测挂载在i2c总线上器件
命令:
i2cdetect -a 0
可以看到总线上挂载着SHT30的地址


3. 编写打印温湿度程序
SHT30初始化:
- 打开
sht30设备文件 - 设置
I2C与SHT30的地址


4. 编译并验证程序功能

成功打印出温湿度值

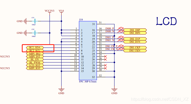
第二章 调试4.3寸LCD屏的触控功能
驱动LCD显示:
1. 根据LCD手册查看触摸驱动型号并在内核中查找相关驱动
IIC接口 gt911芯片

原理图

2. 配置I2C设备树节点后驱动LCD显示(已有官方驱动)

LCD驱动位置

设备树lcd节点引用官方驱动文件
设备地址:0x14
配置中断引脚及复位引脚

脚本./my_dts_make.sh自动编译设备树
发送设备树至开发板重置

配置触摸屏功能:
1.移植tslib库:
git clone https://github.com/libts/tslib.git
其他参考:Linux开发手册第六章及下方网站
https://zhuanlan.zhihu.com/p/295289157
验证触摸屏是否交互正常:
cd /dev/input/
cat event1(手指触摸屏幕查看是否正常交互)

第三章 调试BH1750光强度传感器(题外)
1. 查找BH1750的Datasheet和E53拓展板原理图
原理图(E53扩展板IIC接口共用同一个)



Datasheet




发送指令设置模式及读取结果公式

2. 根据BH1750设备地址通过i2c tools工具进行验证


3. 编写打印光照强度程序




成功打印出光强度值

技术指导:
华为云社区与华为云学院:https://edu.huaweicloud.com/
人员:阿正前辈
- 点赞
- 收藏
- 关注作者








评论(0)