RK3399平台开发系列讲解(内核子系统篇)2.29、MDIO子系统的组成
【摘要】
平台 内核版本 安卓版本
RK3399 Linux4.4 Android7.1
文章目录
硬件组成
硬件组成
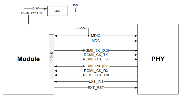
MAC: 通常集成在ARM芯片中,功能类似于一个controller,以太网协议层数据传送给MAC,由MAC通过DMA发送到外部接口,外部接口连接着PHY。或者...

| 平台 | 内核版本 | 安卓版本 |
|---|---|---|
| RK3399 | Linux4.4 | Android7.1 |
硬件组成

MAC: 通常集成在ARM芯片中,功能类似于一个controller,以太网协议层数据传送给MAC,由MAC通过DMA发送到外部接口,外部接口连接着PHY。或者接收从PHY传过来的信号,DMA搬运到内存中存储。供应用层层使用PHY: 通常是一个独立芯片,有数字和模拟两部分,也可以集成在ARM芯片内部。负责把从
文章来源: xuesong.blog.csdn.net,作者:内核笔记,版权归原作者所有,如需转载,请联系作者。
原文链接:xuesong.blog.csdn.net/article/details/117201462
【版权声明】本文为华为云社区用户转载文章,如果您发现本社区中有涉嫌抄袭的内容,欢迎发送邮件进行举报,并提供相关证据,一经查实,本社区将立刻删除涉嫌侵权内容,举报邮箱:
cloudbbs@huaweicloud.com
- 点赞
- 收藏
- 关注作者
评论(0)